Автоматические выключателиэтой группы предназначены для коммутации и защи
ты генераторов СЭС.
Рассмотрим устройство и принцип действия генераторного автоматического выклю
чателя серии АМ.
Автоматические выключателисерии АМ (рис. 4.22) выпускают 2- и 3-полюсными на токи 800…5500 А.
Номинальные токи максимальных расцепителей могут отличаться от номинальных токов АВ. Так, в АВ типа АМ8 с I
= 800 А могут устанавливаться максимальные расце
пители на номинальные токи 130, 190, 260,..., 800 А.
Автоматический выключатель состоит из отдельных устройств:
1. контактной системы;
2. привода;
3. механизма свободного расцепления;
4. расцепителей;
5. коммутатора.

Рис. 4.22. Автоматический выключатель серии АМ
Контактная система АВ каждого полюса состоит из комплекта главных и дугога
сительных контактов.
Главные неподвижные контакты 5 и 20 в местах касания с подвижными имеют вставки из серебряных пластин. Подвижный контакт-ролик 6, окантованный серебром, при повороте вала 19 с помощью выдвижного рычага вкатывается между неподвижными контактами, образуя надежный контакт. Несколько раньше кулачок, насаженный на вал 19, через ролик поворачивает дугогасительный контакт 17, который замыкается со вторым контактом 12.
При включении АВ первыми замыкаются дугогасительные контакты 17, 12, а за-
тем - главные. При отключении АВ размыкание контактов происходит в обратной последо
вательности: роликом 18 последними размыкаются дугогасительные контакты. Этим иск-
лючается появление электрической дуги на главных контактах.
При замыкании контактов 17, 12 возникает дуга, создающая силы электродинамиче
ского отталкивания. Для гашения этих сил дугогасительные контакты снабжены компенса
ционным устройством.
Контакт 12 сможет поворачиваться относительно оси 13 на небольшой угол, и его положение в разомкнутом состоянии фиксируется пружиной 11. Стойка 9 имеет прорезь 10, заполненную изоляционной прокладкой, и ток дугогасительных контактов направля-
ется по наружной кромке стойки 9 через ось 13, контакт 12 и далее через контакты 17 и 20 (путь тока на рис. 5.4 показан стрелками).
Между стойкой 9 и контактом 12 возникают силы электродинамического отталкива
ния.
Сила давления тем больше, чем больше протекающий ток через контакты. Так обе-
спечивается надежное соприкосновение дугогасительных контактов даже во время появле
ния дуги.
Возникающая дуга удлиняется, движется по дугогасительным рогам 14, 16 и попа
дает в асбоцементную дугогаси-тельную камеру 15 с прорезями. Здесь дуга охлаждается и гаснет.
Должны выдерживаться указанные на чертеже зазоры между рогом 14, контактом 12 и укрепленной на нем контактной медно-графитовой пластиной. При отсутствии этих зазоров ухудшаются условия гашения дуги.
Привод АВ может быть ручным (выполнен с помощью рукоятки) или электромеха
ническим (с помощью электродвигателя, работающего через редуктор).
В первом случае для включения АВ рукоятку опускают вниз (до отказа), затем бы-
стрым движением переводят ее вверх (до отказа). При выключении рукоятку резко перево
дят в нижнее положение.
Электродвигательным приводом управляют с помощью выносных кнопок.
Механизм свободного расцепления - это система рычагов, валиков и пружин, через которые момент, приложенный к рукоятке, или момент ЭД передается на вал 19.
При включении АВ взводятся пружины механизма свободного расцепления. Если какие-либо из защит будут в это время воздействовать на отключающий валик 21, то меха
низм свободного расцепления не даст возможности АВ включиться.
Отключение АВ происходит под действием отпущенных пружин.
Остальные устройства АВ называются пристройками. Их число и виды определяют
ся вариантом исполнения АВ. К пристройкам относятся максимальные расцепители (за-
щита от токов КЗ или перегрузок), замедлители (реле времени), независимый и мини
мальный расцепители, коммутатор.
Автоматические выключатели серии АМ имеют максимальный расцепитель для от
ключения токов КЗ. Магнитопровод 8 расцепителя находится на токоведущей части кон
такта 5 и изолирован от него изоляционной втулкой 7.
У АВ типа АМ8 магнитопровод заменен токовой катушкой. При возникновении то
ка КЗ магнитный поток в магнитопроводе становится достаточным для преодоления уси-
лий противодействующих пружин и притяжения подвижного якоря 4 магнитопровода.
Якорь 4 через кронштейн и ролик воздействует на рычаг. Возникает момент враще-
ния селективного вала 21. Начинает действовать замедлитель (расположен с другой сторо-
ны АВ и на рис. 5.4 не показан).
Замедлитель бывает часовым или анкерным. Только после истечения его выдержки времени валик 21 повернется так, что его кронштейн с роликом нажмет на пластину 3.
При этом поворачивается отключающий валик 2, который через механизм свобод-
ного расцепления отключит АВ.
В схемах судовых генераторов обычно устанавливают 2 токовые защиты:
1. от токов КЗ;
2. от токов перегрузки.
АВ всегда имеют защиту от токов КЗ, а защита от перегрузок может выполняться другими устройствами, работающими не на отключение генератора, а на отключение ма-
лоответственных потребителей (камбуз, бытовая вентиляция и пр.).
Только по специальному заказу могут изготовляться АВ с дополнительными макси
мальными расцепителями, работающими в зоне перегрузок (на рис. 4.23: I - зона перегру-
зок; II - зона КЗ, начинается при I = 2 I
).

Рис. 4.23. Время-токовая (ампер-секундная) характеристика защит АВ серии АМ:
I – зона перегрузок; II – зона коротких замыканий
Винтом I (см. рис. 4.22), изменяя натяжение противодействующей пружины, мож
но изменять границу зоны КЗ.
Замедлитель АВ может быть настроен на различные уставки срабатывания: 0,18, 0,38, 0,63 с (см. рис. 4.23). При возникновении любого тока больше 2I
валик 21 че - рез валик 2 отключит АВ с выдержкойвремени, на которую настроен замедлитель.
Время срабатывания не зависит от значения тока: достаточно, чтобы он был более 2I
.
Наличие трех уставок по времени позволяет называть АВ селективным (избиратель
ным). Уставка по времени данного АВ согласуется с уставками других АВ электроэнерге
тической системы с таким расчетом, чтобы при возникновении КЗ в определенной точке первым отключился ближайший АВ, сохраняя работоспособность остальной части систе
мы.
При изготовлении АВ с защитой в зоне перегрузок применяют термобиметалличе-
ские расцепители. Они позволяют получить характеристику СD (см. рис.4.23). Время изги
бания биметаллического элемента и отключения АВ зависит от тока перегрузки.
Независимый расцепитель АВ служит для мгновенного отключения генератора. При нажатии на кнопку отключения подается питание на катушку 23 расцепителя (см. рис. 4.22). Подвижный якорь расцепителя преодолевает усилие пружины 22 и освобожда
ет рычаг 24, который под действием пружины 25 ударяет по рычагу с роликом отключаю
щего вала 2, в результате АВ отключается.
При включении АВ вместе с валом поворачивается включающий вал 26 и насажен
ный на него кулачок через отводку с роликом возвращает рычаг 24 в исходное состояние. Собачка якоря расцепителя вновь удерживает рычаг 24.
Минимальный расцепитель (на рис. 4.22 не показан) служит для отключения АВ при снижении напряжения ниже допустимого. Кроме того, если генератор возбудился до напряжения ниже 0,8 U
, то минимальный расцепитель при попытке включить АВ вновь его отключит. Катушка 23 минимального расцепителя находится под напряжением генератора и якорь расцепителя притянут. При U < U
расцепитель отпускает якорь, освобождается рычаг, воздействующий на отключающий валик 2, и АВ отключается.
Коммутатор представляет собой набор вспомогательных контактов, переключае
мых рычагами вместе с валами 19 и 26. Контакты коммутатора переключают цепи сигнализации и управления СЭС (например, лампы "Г1 включен", "Г2 выключен").
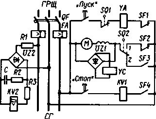
6.3. Электродвигательный привод автоматического выключателя серии АМ Этот привод изображен на рис. 4.24.

Рис. 4.24. Схема управления автоматическим выключателем серии АМ
В состав привода входят:
1. коллекторный электродвигатель М переменного тока;
2. электромагнитная муфта УС, соединяющая двигатель с редуктором, через кото-
рый взводятся пружины механизма свободного расцепления;
1. электромагнита Y А включения;
2. независимого (минимального) расцепителя КV1;
3. путевых (конечных) выключателей SQ1 и SQ2, работающих одновременно с
главными контактами АВ;
6. контактов SF1-SF4, управляемых механизмом взвода пружин.
На cхеме также изображены:
1. QF - - контактная система АВ;
2. FА – максимальные расцепители;
3. КV2- минимальный расцепитель.
Каждое включение или отключение АВ происходит за счет энергии взведенных пружин. После срабатывания АВ собирается цепь пуска двигателя М, взводятся пружины для следующего включения (отключения) АВ и двигатель отключается.
На рис. 4.24 состояние схемы соответствует положению АВ со взведенными пру
жинами. При нажатии на кнопку "Пуск" электромагнит YА освобождает взведенные пру
жины, АВ включается и контакт SQ1 размыкается, а контакт SQ2 переключается в поло
жение 1, обеспечивая пуск двигателя М.
В конце взвода пружин контакты SF1, SF2 размыкаются, а SF3, SF4 замыкаются:
- электродвигатель М отключается.
При нажатии на кнопку "Стоп" поступает питание на минимальный расцепитель КV1, АВ выключается: контакт SQ1 замыкается, а SQ2 переключается в положение 2 и через замкнутый контакт SF3 включается двигатель М взвода пружины.
В конце взвода контакты SF1-SF4 возвращаются в состояние, показанyое на схеме, и двигатель отключается.
Собственное время отключения АВ не превышает 0,08 с, взвод цружин - примерно 10 с. При снижении напряжения на 20-30 % номинального с выдержкой времени 2 с (соз
дается цепью С-R2-RЗ) расцепитель КV2 прямым воздействием на отключающий вал 19 (см. рис. 4.24) отключит АВ.
Допускается 10 включений АВ подряд, затем требуется 30-минутный перерыв. Ручной резервный взвод механизма АВ осуществляется вращением съемной рукоят
ки. После взвода поворотом рукоятки включения АВ можно включить (выключить).
При техническом обслуживании АВ следует обращать внимание на состояние кон-
тактных поверхностей. Наплавления металла на контактах удаляют бархатным напильни-
ком. Со всех деталей удаляют пыль и нагар. Проверяют чистоту дугогасительных камер, правильность их установки, плавность работы механизма свободного расцепления. При обслуживании АВ с частичной разборкой проверяют усилия нажатия контактов, их прова-
лы, испытывают в работе все защиты.