Основные сведения
Автоматические выключатели приемников электроэнергии
АВ приемников электроэнергии устроены проще по сравнению с АВ генераторов,
что объясняется более простыми условиями их работы.
Большая часть серий АВ приемников имеет максимальные (от токов к.з.) либо ком
бинированные (от токов к.з. и токов перегрузки) расцепители.
Все без исключения типы АВ приемников не имеют замедлителей, т.е. при корот-
ком замыкании отключаются мгновенно. Напомним, что генераторные АВ имеют замед-
литель, который называют селективной приставкой. Иначе говоря, селективная приставка – это реле времени (электромеханическое, электронное и др.). Задержка отключения АВ генераторов (не более 1 с) необходима для того, чтобы генераторы не отключались пусковыми токами мощных электродвигателей.
Стремление соединить в одном АВ все три вида защит, необходимые приемникам электроэнергии – максимальную (от токов к.з.), тепловую (от токов перегрузки) и по снижению напряжения (нулевую) привело к созданию автоматических выключателей
|
|
|
серии АКЗ290М4. В этих АВ встроены: 3 максимальных электромагнитных расцепителя к.з.), тепловой расцепитель с тремя тепловыми элементами (от токов перегрузки) и мини
мальный расцепитель (отключает АВ при снижении напряжения питающей сети до 25% номинального).
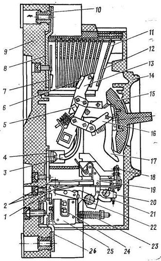
В качестве примера рассмотрим устройство автоматических выключателей серий А3300 (рис. 4.25) и АК50 (рис. 4.26).
Выключатели серии А3300 применяются в сетях постоянного и переменного тока.
Они предназначены для автоматического отключения контролируемых ими цепей при то-
ках короткого замыкания и токах перегрузки, в также для нечастых коммутаций этих це-
пей.
Автоматы выпускаются двух- и трехполюсные на номинальные токи до 600 А.
Основными узлами автоматов являються - контактная система, дугогасительное устройст
во, механизм свободного расцепления, максимальный и тепловой расцепители, корпус.
Контактная система каждого полюса автомата на токи до 200 А состоит из одной пары контактов 6, 7. Автоматы на большие токи имеют отдельно главные и дугогаситель-
ные контакты. Контакты автоматов выполняются из металлокерамики, нажатие их обеспе
чивается пружинами.
Дугогасительное устройство представляет собой съемную камеру 11 со стальной
деионной решеткой 12.
Механизм свободного расцепления 16 выполнен в виде системы рычагов с пружи-
ной. Он обеспечивает мгновенное замыкание и размыкание контактов, не зависящее от
скорости движения рукоятки 15, а также мгновенное размыкание контактов при срабатыва
нии расцепителя.
О коммутационном положении автомата можно судить по положению рукоятки 15: после включения и отключения автомата воздействием на рукоятку последняя занимает соответственно верхнее и нижнее положение, а после отключения расцепителем – проме-
|
|
|
жуточное.

Рис. 4.25. Автоматический выключатель серии А3300:
1, 4 – шины теплових элементов; 2 – биметаллические пластины; 3 – гибкий провод
ник; 5 – контактодержатель; 6, 7 – подвижный контакт; 7 – неподвижный контакт; 8 – мед-
ные шины; 9 – пластмассовое основание; 10, 26 – выводы; 11 – дугогасительная камера;
12 - стальне пластины; 13 – медное основание главных подвижных контактов; 14 – крыш
ка; 15 – рукоятка включения; 16 – механизм свободного расцепления; 17 – рычаг; 18 – мак
симальный расцепитель; 19 – собачка; 20 – удерживающая рейка; 21 – регулировочные
винты; 22 – якорь расцепителя; 23 – возвратная пружина; 24 – токовая катушка; 25 – сер-
дечник расцепителя
Комбинированный расцепитель состоит из двух элементов: электромагнитного 18 и теплового 2. Первый представляет собой электромагнитное реле и служит для отключения токов короткого замыкания с временем срабатывания выключателя t
= 0,012…0,05 сек, а второй – тепловое реле и служит для отключения токов перегрузки с обратно зави-
симой от токов выдержкой времени. Максимальные расцепители являются сменными и устанавливаются в каждый полюс выключателя.
При срабатывании электромагнитный и тепловой расцепитель поворачивает удер-
живающую рейку 20, которая освобождает рычаг 17 механизма свободного расцепления,
что приводит к отключению выключателя.
Токи уставки элементов расцепителя устанавливаются заводом и в процессе эксплу
атации не регулируются.
Электромагнитный элемент имеет уставку I
= 5 I
на постоянном токе и I
=
= (7…14) I
на переменном, а тепловой I
= (1,3…1,4) I
, где I
- номинальный ток расцепителя.
Корпус выключателя выполняется из пластмассы.