Командоконтроллер – это командоаппарат ручного управления, предназначенный для частого переключения контактов в цепях управления.
В зависимости от типа, командоконтроллеры имеют до 12 рабочих положение и до 12 цепей. Каждому рабочему положению соответствует определенный рабочий режим, например, «травить», «лево», «скоростной спуск», «выбирать», «право», «тяговый подъ-
ем» и т.п. Число цепей определяется схемой управления электропривода – чем больше функций выполняет схема, тем больше число цепей.
Основным элементом контроллера является переключающее устройство (рис.
9.26).

Рис. 9.26. Переключающее устройство командоконтроллера: 1 – вал; 2 – кулачковая шайба; 3 – ролик; 4 – пластмассовый рычаг; 5 – ось; 6 – пружина; 7 – подвижные контакты
8 – неподвижные контакты
Переключающее устройство состоит из вала квадратного сечения 1, который пово-
рачивается вручную рукояткой управления. На валу закреплены пластмассовые кулачко
вые шайбы 2 определенного профиля. Контактная система включает неподвижные контакты 8 и подвижные контакты мостикового типа 7, закрепленные на пластмассовом рычаге 4, который прижимается к кулачковой шайбе пружиной 6. Рычаг сидит на оси 5.
|
|
|
Поворот рукоятки управления вызывает поворот вала 1 с кулачковыми шайбами 2. Если при этом ролик 3 попадает во впадину шайбы, подвижный и неподвижный контакты замыкаются (на рис. 9.26 - правая пара контактов). Выход ролика из впадины приводит к размыканию контактов (на рис. 9.26 – левая пара контактов).
Каждое положение рукоятки аппарата фиксируется специальным храповым устрой
ством, состоящим из подпружиненного ролика и шестерни в виде звездочки. Ролик свя-
зан с корпусом аппарата, а звездочка находится на валу 1. Фиксированное положение рукоятки наступает при попадании ролика внутрь выемки на звездочке.
Командоконтроллеры могут иметь 4, 6 или 12 кулачковых элементов (пар контак-
тов) и от 1 до 6 положений рукоятки в одну сторону.
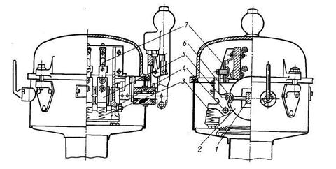
Командоконтроллер серии КМ-200 в сборе показан на рис. 9.27.

Рис. 9.27. Командоконтролер типа КМ-200: 1 – вал; 2 – кулачковые шайбы; 3 – пружина; 4 – ось рычага; 5 – рычаги; 6 – ролики; 7 – контакты
Положение контактов и их количество указывается в специальной таблице замыка-
ний контактов (рис. 9.28).

Рис. 9.28. Таблицы замыканий контактов: верхняя – с крестиками; нижняя – с точками
Эту таблицу можно изобразить двумя равнозначными способами:
1. в виде таблицы с крестиками;
2. в виде таблицы с точками.
Таблица с крестиками (рис. 9.28, верхняя часть) состоит из колонок и строчек.
В крайней левой колонке указаны номера подвижных контактов от 1 до 7. В осталь
|
|
|
ных колонках указаны номера нулевого и рабочих положений рукоятки командоконтрол-
лера. Нулевое положение обозначено цифрой «0», а рабочие положения – цифрами 1, 2, 3 и 4 в обоих направлениях - «Назад» и «Вперед».
В строчках напротив номеров контактов крестиками или пустыми клетками обо-
значается состояние контакта, а именно: если в каком-либо положении рукоятки контакт замкнут, в клетке стоит крестик, если контакт разомкнут – клетка пустая.
Например, контакт №1 замкнут только в нулевом положении («0») и разомкнут во всех рабочих («1», «2», «3», «4» в направлениях «Выбирать» и «Травить»).
Контакт №2 разомкнут в нулевом положении, но замкнут во всех рабочих.
Контакт №3 разомкнут в нулевом положении и в положениях 1, 2, 3 и 4 в направле
нии «Назад», но замкнут в положениях 1, 2, 3 и 4 в направлении «Вперед», и т.д.
Таблица с точками (рис. 9.28, нижняя часть) состоит из вертикальных пунктирных линий и строчек с точками. Номера вертикальных линий 0, 1, 2, 3 и 4 (в обе стороны) соответствуют положениях рукоятки командоконтроллера, а точки равнозначны крести-
кам - если в каком-либо положении рукоятки контакт замкнут, на вертикальной линии стоит точка, если контакт разомкнут – точки нет.
Например, контакт №1 замкнут только в нулевом положении, т.к. на вертикальной линии «0» стоит точка, и разомкнут во всех рабочих «1», «2», «3», «4» в направлениях «Выбирать» и «Травить» - на вертикальных линиях точки отсутствуют.






