
В нём дроссель подключен параллельно источнику и нагрузке. Когда ключ S замкнут, ток от источника течёт через дроссель и быстро растёт. Когда ключ размыкается, ток продолжает течь через нагрузку R и диод D. ЭДС самоиндукции дросселя приложена в обратную сторону, по сравнению с напряжением источника. Поэтому напряжение к нагрузке также приложено в обратном направлении. Когда ключ S замкнут — диод D закрывается, а нагрузка питается зарядом конденсатора C[5].
Во всех трёх схемах диод D может быть заменён на ключ[6], замыкаемый в противофазе к основному ключу. Во многих случаях, особенно в низковольтных стабилизаторах, это позволяет увеличить КПД. Такую схему называют синхронным выпрямителем см. синхронное выпрямление (англ.)
ИМПУЛЬСНЫЕ ПРЕОБРАЗОВАТЕЛИ С ГАЛЬВАНИЧЕСКИМ РАЗДЕЛЕНИЕМ ВХОДА И ВЫХОДА
В импульсных преобразователях, работающих от сети переменного тока, необходимо использовать трансформаторы для гальванической развязки нагрузки от сети. В ряде случаев такая развязка необходима для обеспечения электробезопасности.
|
|
|
Импульсные преобразователи с гальванической развязкой имеют ряд особенностей.
1. Включение в схему трансформатора дает возможность получения высокого коэффициента преобразования.
2. Появляется возможность получения нескольких выходных напряжений разного уровня и разной полярности.
Преобразователи с гальванической развязкой можно разделить на однотактные и двухтактные. В однотактных преобразователях энергия передается на выход только в течение одного такта полного цикла преобразования. В двухтактных преобразователях используются обе части цикла преобразования.
Если энергия передается в нагрузку при замкнутом ключе, то такой преобразователь называют прямоходовым. Если энергия передается на выход при разомкнутом ключе, то преобразователь называют обратноходовым.
Недостаток преобразователей с гальванической развязкой - меньший КПД, чем у импульсных регуляторов, рассмотренных в ходе предыдущей лекции.
Прямоходовые преобразователи
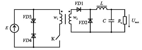
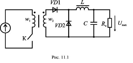
Однотактный прямоходовой преобразователь. Простейшая схема прямоходового преобразователя показана на рис. 11.1. Первичная цепь преобразователя содержит ключ K и трансформатор. Вторичная цепь образована вторичной обмоткой трансформатора, диодами VD1 и VD 2, дросселем, сглаживающим трансформатором и сопротивлением нагрузки.
Ключ в первичной цепи периодически замыкается и размыкается. Управление ключом осуществляется с помощью управляющих импульсов.
Рассмотрим установившийся режим работы преобразователя. Будем считать диоды безынерционными, а трансформатор идеальным. Это означает, что ток намагничивания равен нулю и не оказывает влияния на процессы в преобразователе. Каждый цикл преобразования длительностью T можно разбить на два интервала. Интервал времени, в течение которого ключ замкнут, обозначим *и. Соответственно, интервал, в течение которого ключ разомкнут, равен T — *и.
|
|
|
Рассмотрим процессы в преобразователе отдельно для каждого интервала.
1. На интервале 0 — * и ключ замкнут. При этом диод VD1 открыт, а VD 2 закрыт. Ток замыкается через вторичную обмотку трансформатора, дроссель L, конденсатор С и сопротивление нагрузки ^.
2. В момент *и ключ размыкается. Напряжение обмоток трансформатора изменяет полярность на обратную. За счет этого диод VD1 закрывается, а VD 2 открывается. Во вторичной цепи ток замыкается в контуре, образованном диодом VD 2, дросселем L, конденсатором С и сопротивлением нагрузки R.
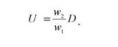
Нетрудно показать, что напряжение на выходе прямоходового преобразователя

Здесь D = J11/T - коэффициент заполнения импульсов, w1 и w2 -число витков первичной и вторичной обмоток. Изменяя коэффициент заполнения импульсов, мы можем регулировать величину выходного напряжения. Таким образом, регулировочная характеристика рассмотренного преобразователя аналогична характеристике понижающего импульсного регулятора.
Заметим, что передача энергии в нагрузку происходит только на интервале 0 — t и, когда ключ замкнут. Поэтому преобразователь на рис. 11.1 называется однотактным прямоходовым.
При рассмотрении процессов в прямоходовом преобразователе мы полагали, что трансформатор идеальный. Иными словами, мы считали, что ток намагничивания очень мал и не оказывает влияния на процессы в преобразователе. В реальной схеме наличие тока намагничивания приведет к резкому возрастанию напряжения на зажимах ключа при его размыкании. Поэтому простейшую схему на рис. 11.1 необходимо изменить так, чтобы была возможность передать энергию, накопленную в индуктивности намагничивания, в источник либо в нагрузку.
Рассмотрим возможные пути решения этой проблемы.
На рис. 11.2 показана схема прямоходового преобразователя, в которой параллельно первичной обмотке трансформатора включены диод VD 3 и стабилитрон VD 4. Элемент Lm учитывает индуктивность намагничивания.
После запирания ключа ток намагничивания m замыкается через диод VD 3 и стабилитрон. За интервал времени, в течение которого ключ разомкнут, ток намагничивания должен уменьшиться до нуля. В противном случае сердечник трансформатора будет намагничиваться все больше с каждым циклом работы ключа.

Определим условие, при котором не будет происходить недопустимого намагничивания сердечника трансформатора.
Полагая, что изменение напряжений происходит по линейному закону, запишем равенство:

Энергия, рассеиваемая в стабилитроне, ухудшает КПД преобразователя. Из последнего выражения следует, что для уменьшения потерь энергии необходимо увеличивать индуктивность намагничивания LM.
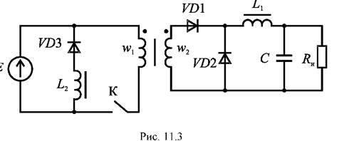
Более эффективные способы ограничения перенапряжений заключаются в передаче накопленной энергии источнику. Один из вариантов прямоходового преобразователя, осуществляющего передачу энергии источнику, показан на рис. 11.3. Для передачи энергии, накопленной в сердечнике трансформатора, служит последовательная цепь, образованная дополнительной обмоткой и диодом VD3. Число витков дополнительной обмотки равно w3. Ее часто называют восстанавливающей

На первом интервале 0 — t и ключ замкнут. Диод VD3 закрыт, и схема работает так же, как преобразователь на рис. 11.1.
При размыкании ключ на втором интервале в дополнительной обмотке индуктируется ЭДС, диод VD3 открывается, и ток замыкается в контуре, образованном восстанавливающей обмоткой, диодом VD3 и источником E.
|
|
|
Большая часть энергии, накопленной в сердечнике на первом интервале, возвращается источнику.
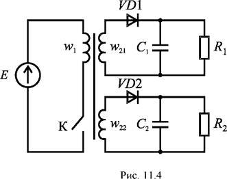
Схема на рис. 11.3 оказалась очень удобной при построении прямоходовых преобразователей, мощность которых составляет десятки и сотни ватт. Ее используют и для реализации многоканальных устройств с несколькими выходами. Один из вариантов многоканального прямоходового преобразователя показан на рис. 11.4.

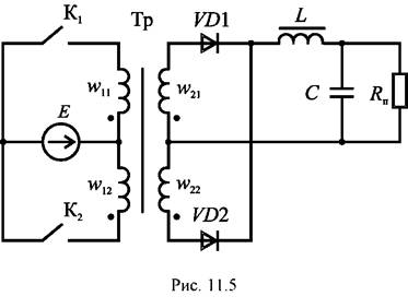
Двухтактный прямоходовой преобразователь. Схема двухтактного преобразователя показана на рис. 11.5. Первичная цепь образована источником напряжения, первичной обмоткой трансформатора и двумя ключами. Каждый ключ замкнут половину периода, поэтому исключается возможность насыщения сердечника трансформатора.
Вторичная цепь преобразователя представляет двухполупериодный выпрямитель со сглаживающим фильтром. Во вторичной цепи может быть использована и мостовая схема выпрямителя.
Одно из важных преимуществ двухтактных преобразователей перед однотактными - более эффективное использование трансформатора. В двухтактной схеме на рис. 11.5 индукция в сердечнике изменяется от — Bmx до +Bmx, тогда как в однотактном преобразователе приращение индукции значительно меньше DB = Bmax — Br. Поэтому для наведения такой же ЭДС в однотактной схеме требуется магнитопровод, имеющий значительно большее сечение. По этой и другим причинам КПД двухтактных преобразователей значительно выше, чем у однотактных. Еще одно существенное преимущество -меньшие размеры трансформатора и сглаживающего фильтра.

Схемы прямоходовых преобразователей отличаются большим разнообразием принципов построения Мы ограничились рассмотрением только наиболее распространенных устройств.
Обратноходовой преобразователь
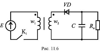
Схема простейшего обратноходового преобразователя показана на рис. 11.6. В качестве магнитного элемента используется дроссель с двумя обмотками. Двухобмоточный дроссель выполняется либо на замкнутом магнитопроводе с небольшой магнитной проницаемостью, либо на магнитопроводе с зазором.
|
|
|
Первичную цепь преобразователя образуют источник Е, ключ и обмотка дросселя, число витков которой равно w1. Первичная обмотка дросселя используется для накопления энергии. Вторичная цепь включает вторую обмотку дросселя, диод VD, конденсатор С и сопротивление нагрузки.

Разобьем цикл преобразования на два такта.
В первом такте преобразования (интервал 0 — tи) ключ замкнут и происходит накопление энергии в сердечнике дросселя. Диод VD заперт, напряжение на нагрузке поддерживает конденсатор С.
Во втором такте после размыкания ключа накопленная энергия передается через обмотку w2 и диод в нагрузку и конденсатор. Напряжение на выходе преобразователя определяется отношением витков первичной и вторичной обмоток дросселя
Преобразователь на рис. 11.6 является однотактным, поскольку передача энергии во вторичную цепь осуществляется только в течение одного такта. Обратноходовым преобразователь называют потому, что энергия передается только на интервале ^ — T, когда ключ разомкнут.
Одно из достоинств обратноходового преобразователя заключается в том, что нет необходимости в дополнительном сглаживающем дросселе. Однако это приводит к тому, что амплитуда пульсаций выходного напряжения велика по сравнению с прямоходовой схемой, поэтому необходим сглаживающий конденсатор большей емкости.
Ток намагничивания в конце первого интервала должен быть достаточно большим, поскольку от его величины зависит, какая энергия будет передана во вторичную цепь. При этом сердечник дросселя на должен насыщаться, т.к. в противном случае ток в ключе станет слишком большим. Поэтому в дросселе используют сердечник с воздушным зазором либо магнитопровод, выполненный из материалов, имеющих линейную характеристику намагничивания при больших значениях H. Таким свойством обладают порошковое железо, некоторые виды аморфных сплавов.
Однотактные обратноходовые преобразователи получили наибольшее распространение в случаях, когда мощность нагрузки не превышает 150 Вт. Такую мощность имеют многие бытовые приборы. Поэтому область применения таких преобразователей весьма велика.
Синхронное выпрямление
Напряжение питания современных микропроцессоров не превышает 3 В. В низковольтных источниках питания потери проводимости диодов составляют значительную долю выходной мощности. Для уменьшения потерь диоды в схемах источников заменяют МОП-транзисторами. Эффект от замены заключается в том, что сопротивление открытого канала низковольтного МОП-транзистора очень мало (менее 0.1 Ом). Соответственно, малы и потери проводимости.
Во многих схемах преобразователей без гальванической развязки, рассмотренных в ходе предыдущей лекции, в качестве ключей используются два МОП-транзистора. Необходимо, чтобы нижний транзистор открывался только после того, как полностью закроется верхний транзистор. Такое управление МОП-ключами имитирует работу диода и называется синхронным управлением.
Применение синхронного выпрямления в низковольтных источниках питания позволяет значительно увеличить КПД и удельную мощность преобразователя.
Подробно вопросы реализации импульсных преобразователей с синхронным выпрямлением рассмотрены в [7].
Корректоры коэффициента мощности
Коэффициент мощности равен отношению активной мощности к полной. При резистивной нагрузке коэффициент мощности имеет максимальное значение, равное единице. Однако многие потребители значительно снижают значения коэффициента мощности. К их числу относятся асинхронные двигатели, импульсные источники питания с емкостным фильтром на входе, лампы дневного света с индуктивным балластом и др.
Для линейных потребителей, напряжение и ток которых синусоидальны, коэффициент мощности зависит только от угла сдвига фаз между напряжением и током. В нелинейных устройствах, таких как выпрямители и импульсные преобразователи, на величину коэффициента мощности влияет форма кривых напряжения и тока. Ток, потребляемый импульсными преобразователями, имеют форму коротких импульсов большой амплитуды. Действующее значение такого тока значительно превосходит среднее значение тока в нагрузке. Следствием является уменьшение коэффициента мощности преобразователя, которое может составлять 0.5 - 0.7. Кроме того, импульсные токи порождают интенсивные электромагнитные помехи.
Требования к нормам на коэффициент мощности потребителей электрической энергии регламентируется стандартами. В европейских странах действуют стандарты, разработанные Международной электротехнической комиссией (МЭК). Они предъявляют жесткие требования к потребителям по коэффициенту мощности и гармоническому составу потребляемого тока.
Для повышения коэффициента мощности потребителей электрической энергии используют пассивные и активные корректоры коэффициента мощности (ККМ). Применение ККМ позволяет обеспечить электромагнитную совместимость импульсных преобразователей с питающей сетью, улучшить режим работы сети (меньшие потери на нагрев проводов).
Пассивные корректоры коэффициента мощности выполняют на конденсаторах и коммутирующих диодах. Такие корректоры применяются при индуктивном характере нагрузки. Такой нагрузкой являются асинхронные двигатели, источники питания ламп дневного света и др.
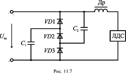
На рис. 11.7 приведена схема пассивного корректора коэффициента мощности для питания лампы дневного света. В этой схеме параллельно лампе дневного света ЛДС с дросселем Др включена компенсирующая схема на диодах VD1, VD2, VD3 и конденсаторах С1, С2. Диоды обеспечивают коммутацию конденсаторов при изменении мгновенного значения напряжения питания. Емкости конденсаторов подбираются такими, чтобы компенсировать индуктивный характер нагрузки.

Пассивный корректор на рис. 11.7 обеспечивает коэффициент мощности, превышающий 0.9.
Основной недостаток пассивных корректоров - невозможность их использования в схемах импульсных источников питания.

В качестве активного корректора коэффициента мощности используют схему повышающего импульсного преобразователя, работающую в режиме, близком к режиму прерывистого тока. Упрощенная структурная схема такого ККМ показана на рис. 11.8. Замыкание и размыкание ключа осуществляется устройством управления (контроллером). На рис. 11.8 ДТ -датчик тока, b - коэффициент передачи делителя напряжения: b= RJ (R1 + R1).
Частота коммутации ключа во много раз выше частоты сети, поэтому можно считать, что на интервале переключения входное напряжение не меняется. В этом случае ток дросселя изменяется по линейному закону. После размыкания ключа ток дросселя линейно убывает. Когда ток становится близким к нулю, по сигналу от датчика тока ключ вновь замыкается. Таким образом, кривая тока представляет последовательность пилообразных импульсов, частота повторения которых значительно выше частоты сети (рис. 11.9).

Приращение тока за время замкнутого состояния ключа составит

Из последнего выражения следует, что огибающая амплитуд импульсов входного тока повторяет форму входного напряжения. Среднее значение тока в дросселе имеет синусоидальную форму и почти совпадает с выпрямленным напряжением. Таким образом, схема на рис. 11.8 обеспечивает высокое значение коэффициента мощности.
Выводы
1. В импульсных преобразователях, работающих от сети переменного тока, используют трансформаторы для гальванической развязки нагрузки от сети.
2. Преобразователи с гальванической развязкой можно разделить на однотактные и двухтактные. В однотактных преобразователях энергия передается на выход только в течение одного такта полного цикла преобразования. В двухтактных преобразователях используются обе части цикла преобразования
3. Если энергия передается в нагрузку при замкнутом ключе, то такой преобразователь называют прямоходовым. Если энергия передается на выход при разомкнутом ключе, то преобразователь называют обратноходовым.
4. Для уменьшения потерь диоды в схемах импульсных источников заменяют МОП-транзисторами. Эффект от замены заключается в том, что сопротивление открытого канала низковольтного МОП-транзистора очень мало, следовательно, малы и потери проводимости.
5. Для повышения коэффициента мощности потребителей электрической энергии используют пассивные и активные корректоры коэффициента мощности (ККМ). Применение ККМ позволяет обеспечить электромагнитную совместимость импульсных преобразователей с питающей сетью, улучшить режим работы сети.