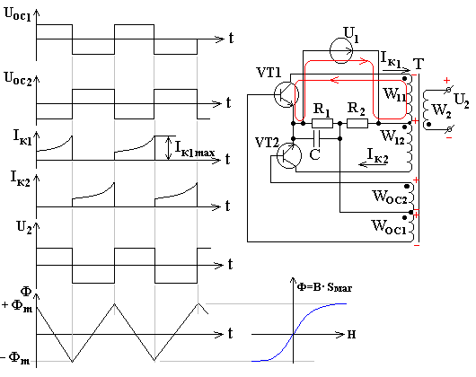
Транзисторный инвертор с насыщающимся трансформатором
На рисунке представлена принципиальная схема транзисторного инвертора напряжения с насыщающимся трансформатором, где R1, R2 – создают смещение на базе транзисторов VT1 и VT2, работающих в ключевом режиме, конденсатор C – обеспечивает прохождение переменной составляющей напряжения обратной связи, обмотки WOC1, WOC2 – образуют цепь положительной обратной связи (ПОС) по напряжению для этого они включены согласно по отношению к обмоткам силового контура W11, W12.

Запуск схемы обеспечивается за счет асимметрии плеч инвертора (транзисторы VT1, VT2 имеют различные ВАХ). Иногда приходится делать принудительный запуск схемы в момент включения, если асимметрия недостаточна для первоначального пуска.
При преобладании коллекторного тока в полуобмотке W11 за счет разностного тока формируется ЭДС с полярностью, указанной красным цветом на рисунке. На выходе инвертора напряжения имеет место положительный сигнал прямоугольной формы. За счет обмотки ПОС происходит приоткрывание VT1 и призакрывание VT2. Нарастание коллекторного тока IК1 имеет лавинообразный характер, которое прекращается при заходе в область насыщения трансформатора. Скорость изменения потока (Ф0) снижается и происходит смена полярности ЭДС во всех обмотках трансформатора T, приоткрывается транзистор VT2 и процессы повторяются.
Частота преобразования инвертора определяется выражением:
|
|
|
.
С увеличением тока нагрузки происходит уменьшение частоты преобразования за счет увеличения потерь на транзисторных ключах. Если рассматривать реальные процессы, то к концу полупериода работы инвертора напряжения происходит “спад” вершины импульса U2 за счет влияния цепи намагничивания на величину коллекторного тока, что приводит к значительным потерям на силовых ключах.
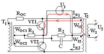
Автоколебательный транзисторный инвертор с коммутирующим трансформатором
Силовой трансформатор T2 работает в линейном режиме, за счет этого повышается КПД устройства, трансформатор T1 является коммутирующим и работает с насыщением. Транзисторы VT1, VT2 работают в ключевом режиме.
Преобладание тока IK1, за счет ПОС приводит к лавинному нарастанию этого тока и увеличивается падение напряжения на RОС, что влечет уменьшение ЭДС в первичной цепи трансформатора T1. При заходе трансформатора в область насыщения происходит переключение транзисторов. Достоинством данной схемы является высокий КПД, к недостаткам относится сильная зависимость частоты преобразования от тока нагрузки (увеличение Iн приводит к росту частоты из-за возрастания скорости переключения транзисторных ключей).