Транзисторные инверторы напряжения с внешним управлением
Мостовая схема инвертора напряжения
Мостовая схема инвертора напряжения применяется на больших мощностях при повышенном уровне напряжения источника питания. Сигналы управления X1…X4 поступают таким образом, что в каждом полупериоде два транзистора включены, а два других выключены.
Существует два алгоритма управления ключевыми элементами инвертора напряжения: симметричный и несимметричный. На рисунке приведены временные зависимости токов и напряжений для этих двух алгоритмов. Рассмотрим принцип действия инвертора при симметричном управлении.
При подачи управляющих импульсов X1, X4 на транзисторы VT1, VT4 на интервале времени [t3 ;t4] ток протекает по контуру: “+” U1; коллектор- эмиттер VT1; обмотка трансформатора (T) в первичной цепи; коллектор- эмиттер VT4; “-“ U1. На этом же интервале накапливается реактивная энергия в цепи намагничивания трансформатора T, происходит плавное нарастание тока в первичной цепи по экспоненциальному закону.
|
|
|
На интервале [t4; t5] осуществляется рекуперация энергии в источник U1 через обратные диоды по контуру: “+” ЭДС (E1); VD3; противоположное направление по отношению к U1; VD2; “–“ E1. Тока источника спадает до нуля.
В плече моста инвертора напряжения достаточно управлять одним ключом для осуществления стабилизации напряжения на выходе инвертора (U2), другой ключ можно удерживать в открытом состоянии, что исключает воздействие инвертора на входной источник. Рассмотрим принцип действия инвертора при несимметричном алгоритме управления.
На интервале времени [t0; t2 ] за период работы второго и третьего ключей в цепи намагничивания трансформатора T накопилась реактивная энергия. На интервале [t2; t3] происходит рекуперация энергии в нагрузку по контуру: “+” ЭДС (E1); VD1; коллектор- эммитер VT3; “-” E1. Если на данном интервале ток I1 не снизился до нуля (т.е. ток не поменял свой знак), то на интервале [t3; t4] энергия передается в источник по контуру: “+” ЭДС (E1); VD1; противоположное направление по отношению к U1; VD4; “–“ E1, при этом образуется “полочка” в форме напряжения U2.
Полумостовой транзисторный инвертор напряжения

Принцип работы схемы заключается в поочередном подключении транзисторами VT1, VT2 первичной обмотки трансформатора к конденсаторам С1 и С2. На интервале времени [t2; t3] происходит заряд кондесатора С1 по цепи: “+”; U1; С1; обмотка трансформатора первичной цепи W1; коллектор- эмиттер VT2; “-” U1. На этом же интервале происходит разряд конденсатора С2 по цепи: “+” С2; обмотка трансформатора первичной цепи W1; коллектор- эмиттер VT2; “-” U1.
К достоинствам схемы инвертора можно отнести: малые потери в силовой цепи за счет коммутации одного ключа на каждом такте работы схемы. За счет кондесаторов поддерживается баланс токов в схеме за период работы, что исключает возникновение асимметричного режима намагничивания трансформатора. Кроме того, в этой схеме малый уровень обратного напряжения на ключах, поэтому схема может использоваться при высоких входных напряжениях.
|
|
|
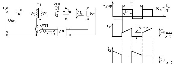
Однотактный транзисторный инвертор напряжения с прямым включением выпрямительного диода
При подаче управляющего сигнала (UУПР) на базу транзистора VT1 в первичной цепи трансформатора появляется ток. Контур его протекания: “+” Uвх ; обмотка трансформатора в первичной цепи; коллектор- эмиттер VT1;
”–“ U1. На интервале импульса происходит передача энергии в нагрузку через выпрямительный диод VD1 и накопление реактивной энергии в дросселе сглаживающего фильтра L. На интервале паузы (1-KЗ)T осуществляется разряд дросселя L через обратный диод VD2 в нагрузку, конденсатор С дополнительно сглаживает пульсации.
К достоинствам схемы относятся: простота силовой цепи и системы управления, дешевизна конструкции. отсутствие режима сквозных токов.
Недостатки: ограничения на максимальное значение коэффициента заполнения импульсов KЗ, большие габариты сглаживающего фильтра, одностороннее намагничивание сердечника трансформатора. В таком виде схема неработоспособна – требуются цепи восстановления магнитного состояния сердечника (размагничивания).
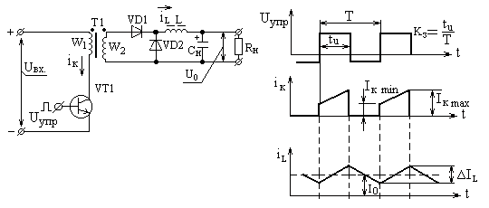
Однотактный транзисторный инвертор с обратным включением выпрямительного диода

При подаче управляющего сигнала на базу транзистора VT1 происходит накопление реактивной энергии в цепи намагничивания трансформатора T1. Ток в цепи намагничивания трасформатора протекает по контуру: “+” Uвх ; обмотка трансформатора первичной цепи; коллектор- эмиттер VT1;”–“ U1. При этом выпрямительный диод VD1 закрыт, конденсатор фильтра разряжается в нагрузку. На интервале паузы происходит передача энергии намагничивания в нагрузку через выпрямительный диод VD1.
К достоинствам схемы относятся: простота силовой цепи и системы управления, дешевизна конструкции, отсутствие режима сквозных токов.
Недостатки: ограничения на максимальное значение коэффициента заполнения импульсов KЗ, большие габариты сглаживающего фильтра, одностороннее намагничивание сердечника трансформатора.