С целью повышения КПД и надежности транзисторных инверторов напряжения применяют режим "мягкой" коммутации.
"Мягкая" коммутация ключа происходит при нулевом токе или напряжении, что уменьшает коммутационные перенапряжения, потери и использует резонанс между индуктивным элементом и конденсатором для создания условий переключения по току и напряжению. Основная идея - разделение по времени переходного процесса напряжения и тока и минимизации времени их перекрытия.
Устройства с "мягкой" коммутацией значительно сложнее устройств с "жесткой" коммутацией. Допустим, что требуется коммутатор для инвертора напряжения в устройстве привода двигателя. Из двух способов коммутации "мягкая" требует более высоких значений тока, а в нуле напряжении - более высокого напряжения. Повышенные токи требуют большего размера кристалла, а высокие напряжения – широкой зоны проводимости в полупроводнике, поэтому стоимость устройств с "мягкой" коммутацией выше (до 2-х раз) при том же назначении устройства.
Преимущество "мягкой" коммутации - меньшие коммутационные потери плюс значительное уменьшение изменений значений тока и напряжения при переключениях. "Жесткая" коммутация чувствительна к паразитным элементам (индуктивностям), при "мягкой" коммутации цепь чувствительна к реактивным элементам основного контура и это может вызвать высокочастотные наводки, что отражается на форме тока ключа, особенно в преобразователях с коммутацией при нулевом токе. Это ухудшает электромагнитную совместимость. Паразитные контуры уменьшают скорость спада тока при выключении, увеличивают коммутационные потери, снижают скорость коммутации, особенно в преобразователях с коммутацией в нуле напряжения.
"Жесткая" коммутация проще и дешевле "мягкой", но имеет недостатки: при миниатюризации оборудования с высоким КПД, когда нежелателен излишний нагрев от переключения. В отличие от "мягкой", "жесткая" коммутация консервативна по топологии, стоимости, простоте и надежности. В ряде схем (источники питания компьютеров, систем связи, электропривод) широко применяется смешанный способ. Он является компромиссным и называется "коммутация с переходом через нуль напряжения" и является переходным между "мягкой" коммутацией при нулевом напряжении и "жесткой". Коммутация обеспечивается при нулевом напряжении дополнительными цепями, а не полным резонансным контуром.
Для повышения рабочей частоты инвертора напряжения используются полевые транзисторы. Полевые транзисторы сегодня широко используются во всех областях электронной техники — в усилителях, передающих устройствах, приемниках, аналоговых и цифровых микросхемах. Создано много разновидностей полевых транзисторов, разработана теоретическая расчетная база. Разработчиков преобразовательной техники, интересуют мощные полевые транзисторы с изолированным затвором (MOSFET).
Чем принципиально MOSFET отличается от биполярного транзистора? Биполярный транзистор — токовый прибор. То есть управление им осуществляется при помощи тока, подаваемого в базу. Полевой транзистор имеет три электрода, такой же корпус, однако уже само название электродов говорит о том, что это другой тип силового прибора. Управление транзистором осуществляется через затвор, который намеренно изолирован от силового р-n перехода тонким слоем окисла, следовательно, сопротивление постоянному току цепи управления очень велико. Условное обозначение транзисторов MOSFET показано на рисунке.

Полевой транзистор — не токовый, а потенциальный прибор. Для того чтобы перевести транзистор из открытого состояния в закрытое и наоборот, нужно приложить к затвору, относительно истока, напряжение. При этом ток в цепи затвора практически отсутствует. Поддержание открытого состояния осуществляется электрическим полем. В момент открытия или закрытия ток в цепи затвора все же течет, но этот процесс занимает очень незначительный промежуток времени.
Первое преимущество полевого транзистора очевидно: поскольку он управляется не током, а напряжением (электрическим полем), это значительно упрощает схему и снижает затрачиваемую на управление мощность.
Второе преимущество полевого транзистора можно обнаружить, если вспомнить, что в биполярном транзисторе, помимо основных носителей тока, существуют также и неосновные, которые прибор “набирает”, благодаря току базы. С наличием неосновных носителей связано хорошо нам знакомое время рассасывания, что в конечном итоге обуславливает задержку выключения транзистора. В полевых транзисторах нет неосновных носителей, поэтому они могут переключаться с гораздо более высокой скоростью.
Третье преимущество обусловлено повышенной термоустойчивостью. Рост температуры полевого транзистора при подаче на него напряжения приведет к увеличению сопротивления открытого транзистора и, соответственно, к уменьшению тока. Поведение биполярного транзистора более сложно, повышение его температуры ведет к увеличению тока. Это означает, что биполярные транзисторы не являются термоустойчивыми приборами. В них может возникнуть очень опасный саморазогрев, который легко выводит транзистор из строя. Термоустойчивость полевого транзистора помогает при параллельном соединении приборов для увеличения нагрузочной способности. Можно включать параллельно достаточно большое число MOSFEТов без выравнивающих резисторов в силовых цепях и при этом не опасаться асимметрии токов, что очень опасно для биполярных транзисторов. Однако параллельное соединение полевых транзисторов тоже имеет свои особенности, и об этом мы поговорим чуть позже.
Последнее преимущество полевого транзистора связано с его тепловыми свойствами — полное отсутствие вторичного пробоя. Это преимущество позволяет эффективнее использовать полевой транзистор по передаваемой мощности. На рисунке обозначены области безопасной работы мощного биполярного и полевого транзисторов, максимальные токи и напряжения которых выбраны примерно одинаковыми.

Не следует думать, что полевой транзистор является идеальным ключевым прибором. Это далеко не так. Правильное применение полевых транзисторов имеет свои особенности.
Во-первых, полевой транзистор в открытом состоянии имеет, пусть небольшое, но все же активное сопротивление. Это сопротивление мало только у транзисторов с допустимым напряжением “сток-исток” не более 250 - 300 В, то есть составляет десятки миллиом. Далее, с повышением допустимого напряжения “сток-исток”, наблюдается значительный рост сопротивления в открытом состоянии. Это обстоятельство заставляет соединять приборы параллельно, ограничивать мощность, приходящуюся на один транзистор, то есть работать “с недогрузкой”, тщательно прорабатывать тепловой режим.
Второй недостаток полевого транзистора связан с технологией его изготовления. До настоящего времени технологически не удается изготовить мощный полевой транзистор без некоторых паразитных элементов, одним из которых является паразитный биполярный транзистор, который показан на рисунке.

Попытка исключить влияние паразитного элемента посредством управления его свойствами на стадии изготовления привела к тому, что удалось создать приборы, которые почти не чувствуют наличие паразитных эффектов, но допустимое напряжение “сток-исток” у разработанных транзисторов пока не превышает 100 В. Паразитный биполярный транзистор оказывается включенным параллельно силовым электродам полезного полевого транзистора. База биполярного транзистора подключена к технологическому основанию, на котором расположен р-n переход (называется это основание подложкой). Между подложкой и истоком есть некоторое омическое сопротивление R
, между подложкой и стоком — паразитный конденсатор С
. Емкость этого конденсатора невелика. Для включения паразитного транзистора может оказаться достаточным быстрый спад или рост напряжения “сток-исток”, например, при коммутации токов большой величины. В тот момент, когда мы считаем транзистор закрытым, он вновь открывается, что легко может вывести схему из строя.
Для обеспечения нормальной работы полевого транзистора необходимо исключить 'паразитный транзистор. Подключив на стадии изготовления подложку к истоку, мы значительно ослабим влияние этого элемента. Данная связь отражена в условном обозначении MOSFET стрелочкой.
К сожалению, вред от наличия паразитного элемента полностью исключить не удается. В результате подключения подложки к истоку в транзисторе появляется паразитный антипараллельный диод VD, образованный переходом “база-эмиттep”. Параметры этого диода производители элементной базы стремятся контролировать, однако подавляющее большинство выпускаемых на сегодняшний день полевых транзисторов имеют диоды с достаточно большим временем обратного восстановления. Про существование антипараллельного диода можно забыть, когда разрабатывается источник на базе так называемой однотактной схемы. Однако не учитывать влияние диода в двухтактных схемах нельзя.
Потери на переключение транзистора вызваны тем, что переход от включенного состояния к выключенному и обратно происходит не мгновенно, а в течение определенного, пусть даже малого, времени. Во время переключения рабочая точка транзистора находится в активной области на выходных характеристиках. В идеале переключение транзистора следовало бы проводить по траектории 1. Например, для перевода транзистора из выключенного состояния (точка В) во включенное (точка А), следует сначала при нулевом токе уменьшить напряжение сток-исток U
транзистора до нуля (точка О), а затем увеличить ток до установившегося значения. Практически же, если не приняты специальные меры, из-за наличия, например, паразитных, емкостей переключение может происходить по траектории 2. При этом на транзисторе выделяется значительная электрическая мощность, преобразующаяся в тепло.
Таким образом, для уменьшения потерь на переключение следует открывать транзистор, когда напряжение на нем равно нулю, а закрывать при нулевом токе. Эти режимы могут иметь место при резонансных колебаниях в цепях с ключами.
Известно, что ток в индуктивности не может изменяться скачком, как и напряжение на емкости. Поэтому очевидны преимущества совместного использования с ключом индуктивности и конденсатора, включенных соответствующим образом, как показано на рисунке ниже, и называемых резонансным ключом. Из них образуется резонансный контур, собственная частота которого определит скорости изменения напряжения и тока ключа и, главное, разнесет во времени максимумы тока и напряжения ключа, что резко уменьшит потери при переключении ключа. Это позволяет поднять, как правило, на один-два порядка предельную частоту коммутации вентилей. Нужно только учесть, что коэффициент формы у синусоидальной полуволны тока больше, чем у прямоугольного импульса тока. В результате при одном и том же среднем значении тока, являющемся полезной составляющей в преобразователях постоянного напряжения, большее действующее значение импульсов тока вентилей будет вызывать увеличение составляющей потерь в элементах цепи от такого тока.

Схемы ключей: а) при нулевом токе; б) при нулевом напряжении.
Схемы ключей (а)обеспечивают включение и выключение ключей при нулевом токе, а схемы (б) - включение и выключение ключей при нулевом напряжении. Двухполюсные схемы резонансных ключейна рисунке слева прямо заменяют ключи в широтно-импульсных преобразователях постоянного напряжения. Трёхполюсные схемы резонансных ключей на рисунке справа заменяют ключи в ШИМ так, что их третий полюс (с емкостью) попадает на общую шину питания или выхода.
Таким образом,в соответствии с двумя типами резонансных ключей различают два типа широтно-импульсных преобразователей:
- квазирезонансные преобразователи с переключением при нулевом токе;
- квазирезонансные преобразователи с переключением при нулевом напряжении.
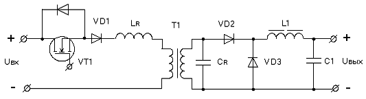
Упрощенная схема резонансного преобразователя, работающего при нулевом токе переключения (так называемый ПНТ-преобразователь), показана на рисунке.

Этот узел является резонансным вариантом прямоходового преобразователя. Здесь простой ключ заменен резонансным ключом, состоящим из компонентов VT1, LR, CR. В принципе, в качестве резонансной индуктивности может использоваться индуктивность рассеяния трансформатора. Пусть первоначально транзистор VT1 закрыт. Выходной ток течет за счет энергии, запасенной в дросселе выходного фильтра L1 через диод VD3. В некоторый момент времени, определяемый узлом управления, ключ VT1 открывается. Колебательный контур, образованный катушкой LR и конденсатором CR, начинает получать энергию. Заряд конденсатора CR и последующий его разряд будут происходить по закону, близкому к синусоидальному, с частотой, равной резонансной частоте контура LRCR. Одновременно ток в катушке LR также будет изменяться по синусоидальному закону — вначале увеличиваться, затем уменьшаться. Когда этот ток уменьшится до нуля, нужно закрыть ключ. При этом диод VD1 предотвращает обратный ток через паразитный диод МОП-транзистора, который мог бы быть вызван продолжающимся резонансным процессом.
Когда ток в катушке LR становится равным нулю, выходной ток течет через дроссель L1, диод VD2 и конденсатор CR, который быстро разряжается. Как только он разряжается до нуля, открывается диод VD3. На этом один резонансный цикл заканчивается, и с открыванием транзистора VT1 начинается следующий цикл. Так как транзистор открывается и закрывается при нулевом токе, потери на переключения будут минимальны. В связи с тем, что переход тока от диода VD2 к диоду VD3 и обратно замедлен присутствием индуктивности L1 и емкости CR, потери энергии будут снижены и в диодах. Уменьшаются также скорости нарастания токов и напряжений, что способствует снижению уровней электромагнитных помех и перегрузки компонентов.
В рассмотренном устройстве переключение силового транзистора происходит при нулевом токе. Существуют также устройства, в которых транзистор переключается при нулевом напряжении (ПНН-преобразователи). Преобразователи первого типа лучше подходят для сетевых источников питания с повышенным питающим напряжением; второго типа — для стабилизаторов постоянного тока с более низким напряжением питания. Схема простейшего ПНН-преобразователя представлена на рисунке, а.

Как видно, это простой однотактный понижающий преобразователь. В конце открытого состояния ключа (МОП-транзистор VT1) конденсатор резонансного контура CR разряжен, а ток катушки резонансного контура LR равен выходному току (полагаем выходной ток постоянным). При закрывании ключа открывается диод VD1 и начинается колебательный переходный процесс заряда конденсатора CR током катушки LR, причем, если пренебречь потерями, то можно считать, что этому процессу отвечает дифференциальное уравнение
, решение которого представляет собой гармонику. Начальная фаза напряжения сток-исток транзистора (оно же напряжение на конденсаторе)равна нулю,а тока в катушке — 90°.
По прошествии времени, равного половине периода собственных колебаний резонансного контура LRCR,, напряжение на ключе вновь достигает нуля. В этот момент следует подать отпирающий сигнал на затвор транзистора. Таким образом, выключение и включение ключа происходит при нулевом напряжении. Примечательно, что при отпирании ключа последний не сразу перехватывает весь ток у диода. Этот процесс имеет заметную длительность, что снижает потери в диоде.

Методика переключения при нулевом напряжении применима ко всем основным способам импульсного преобразования электрического тока: к понижающим, повышающим и инвертирующим преобразователям, а также прямоходовым, обратноходовым, полумостовым и мостовым инверторам.
Достоинства ПНН:
- токи не превышают значений соответствующих токов обычного преобразователя;
- пониженная мощность управления ключом (нет эффекта Миллера).
Недостатки ПНН:
- повышенное значение максимального напряжения на закрытом одиночном ключе;
- частота преобразования обратно пропорциональна току нагрузки.






