Развитие мировой и отечественной энергетики сталкивается с рядом серьезных проблем.
Рост народонаселения, промышленное и социальное развитие общества требуют значительного увеличения производства энергии. При этом к середине следующего века станет вполне реальной острая нехватка органических энергоносителей, которые дают сегодня около 80% всей востребованной энергии. Стоимость добычи и транспортировки топлива постоянно растет, и процесс этот будет продолжаться, т.к. новые месторождения зачастую находятся в удалённых, труднодоступных районах, на значительной глубине залегания. Удорожание топлива связано и с тем, что нефть, газ, уголь являются важным сырьем для многих, отраслей промышленности, и утверждение “топить нефтью все равно, что топить ассигнациями” не теряет своей актуальности.
Все более приходится считаться с влиянием энергетики на окружающую среду и необходимостью существенно уменьшить это влияние.
Поэтому во всем мире ведутся работы по поиску новых видов источников энергии, в том числе возобновляемых и экологически чистых. Некоторые из этих разработок рассмотрены ниже.
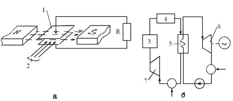
Магнитогидродинамические (МГД) установки. Принцип работы этих установок позволяет непосредственно преобразовывать тепловую энергию в электрическую (рис.1.17). Между металлическими пластинами 1, расположенными в сильном магнитном поле, пропускается струя 2 ионизированного газа. В соответствии с законом электромагнитной индукции наводится ЭДС, вызывающая протекание электрического тока между электродами внутри канала генератора и во внешней цепи. Отсутствие в МГД- генераторе движущихся частей позволяет достичь температуры рабочего тела 2550…2600 0С на входе и обеспечить КПД термического цикла 70...75%.
MГД- yстановки могут работать по различиям схемам. Один из вариантов - с ядерным реактором по замкнутому циклу (рис.1.17.б.). Рабочее тело (аргон или гелий с добавлением цезия) нагревается в ядерном реакторе или в высокотемпературном теплообменнике 3 и поступает в МГД- канал 4 где тепловая энергия движущейся плазмы превращается в электрическую. Отработавшие в МГД- канале газы, имеющие температуру около 1500 0С, поступают в парогенератор 5, который обеспечивает работу паротурбинной установки 6. МГД- цикл замыкается через компрессор 7, возвращающий газ в реактор или теплообменник 3.
.

Рис.1.17. МГД- установка.
а- принцип работы МГД- генератора; б- МГД- установка с ядерным реактором.
Мощность опытно-промышленной МГД- установки, работающей на одной из ТЭС, составляет 25 МВт. В стадии технического освоения находится установка мощностью 500 МВт. В этом процессе есть ряд трудностей, сдерживающих темпы внедрений МГД- генераторов: создание магнитных полей с высокой индукцией; достижение высокой проводимости плазмы при температурах до 2500 0С; создание термо-жаростойких материалов; получение переменного тока, который приходится инвертировать из постоянного, вырабатываемого МГД- установкой. Тем не менее, разработка и внедрение МГД- генераторов имеет достаточно хорошие перспективы.
Термоядерные установки. Создание промышленных установок такого типа способно практически полностью решить проблему получения необходимого количества энергии. Запас изотопов дейтерия и трития, исходного топлива для термоядерных реакторов, на Земле практически неограничен. В процессе термоядерной реакции выделяется колоссальная энергия. Это происходит на Солнце, а также при взрыве водородной бомбы. Чтобы управлять таким процессом, следует обеспечить ряд условий: плотность топлива не менее 1015 ядер в 1 см3; температура
градусов; данное состояние топлива должно удерживаться, доли секунды.
Работы по созданию термоядерного реактора интенсивно проводились в СССР, США, Японии. Были получены определённые положительные результаты, например, установка "ТОКОМАК" в институте атомной энергии им. И.В.Курчатова. Однако значительные технические и научные проблемы пока не позволили создать реальную промышленную термоядерную установку.
Солнечные электростанции. Земля получает ежегодно от Солнца 1017 Вт, что в 20000 раз больше.современного уровня потребления энергии. Естественным является преобразование солнечной энергии в тепловую. Такие установки используются человеком издревле. Известен и достаточно простой способ преобразования солнечной энергии в электрическую- с помощью фотоэлементов. Поэтому достаточно интенсивно ведутся работа по созданию солнечных электростанций (СЭС). Особое значение при этом имеет экологическая чистота и возобновляемось такого энергоресурса. В результате за последние 50 лет сооружены десятки СЭС в США, Австралии, Италии, Океании и других климатически пригодных регионах. В СССР была построена Крымская СЭС мощностью 5 МВт, проектировалась станция в Средней Азии общей мощностью 200 МВт.
Однако существуют значительные трудности го созданию и использованию СЭС, которые не позволяют пока солнечным электрическим станциям в полном объеме конкурировать с ТЭС и ГЭС. Это непостоянство солнечного излучения по времени суток, года и в зависимости от погодных условий; низкая плотность излучения у поверхности Земли; недостаточные технические характеристики существующих фотоэлементов. В результате КПД установок СЭС составляет около I5%, а получение значительных мощностей связано с размещением оборудования на больших территориях в десятки квадратных километров и соответствующим расходом материалов. Тем не менее, работы по совершенствованию СЭС продолжается.
Геотермальные станции (ГеоТЭС). Такие станции в качестве источника энергии используют тепло земных недр. Основные типы ГеоТЭС работают на горячей воде под давлением, на воде с паром, на сухом паре или газе (петротермальная энергия).
В среднем на каждые 30...40 м в глубь Земли температура возрастает на 1 0С и на глубине 10…15 км она достигает 1000— 1200 0С. В некоторых же частях планеты температура достаточно высока в непосредственной близости от поверхности. В этих местах бьют мощные горячие подземные воды, пар, газ. Здесь могут быть размещены ГеоТЭС. Например, в долине Гейзеров в США общая мощность ГеоТЭС составляет 900 МВт, ГеоТЭС Ларделло в Италии имеет мощность 420 МВт, а станция Вайракет в Новой Зеландии -290 МВт. Работают достаточно мощные ГеоТЭС в Мексике, Японии, Исландии и в других странах. Российская ГеоТЭС на Камчатке имеет мощность 5 МВт.
Экологическая чистота, возобновляемость тепловой энергии Земли, достаточная простота конструкции являются несомненными достоинствами ГеоТЭС.
Недостатки геотермальных станций - жесткая привязка к месту выхода тепла на поверхность Земли и ограниченные параметры рабочего тела по давлению и температуре.
Приливные электростанции (ПЭС). Современные ПЭС используют фазу прилива и отлива, их агрегаты (турбины) обратимы и работают при движении воды из моря в залив и наоборот (рис.1.18). Такие установки способны работать в турбинном и насосном режиме.
ПЭС работают в России (Кислогубская, 400 кВт), Японии, Франции и других странах. Наиболее мощная ПЭС расположена в устье реки Ране во Франции - 240 МВт.

Рис.1.18. Схема однобассейновой ПЭС.
а-вид сверху; б-разрез
ВГП- высший горизонт прилива
ВГО- высший горизонт отлива
Приливная энергия экологически чиста, возобновляема, неизменна в годовом и многолетнем периодах, однако, значительно меняется в течение лунного месяца и может быть использована только в конкретных географических точках на побережьях морей и океанов при наличии необходимого рельефа.
Электростанции, использующие морскую энергию. Энергия волн, течений, градиентов температур и солености морей и океанов может быть преобразована в электрическую. Спроектированы и испытаны несколько типов преобразовательных установок. Например, турбина "Кориолис" мощностью 80 МВт предназначена для станций, использующих океанические течения.
Ветровые электростанции (ВЭС). Человек всегда использовал энергию ветра. Преобразование этой энергии в электрическую принципиально весьма просто. В СССР уже в 20-е годы была сооружена Курская ВЭС мощностью 8 кВт. Крупнейшая в мире установка мощностью 1050 кВт в одном агрегате работала в США с 1941 г.
Однако при определённых достоинствах (экологическая чистота, возобновляемость, простота и дешевизна использования), энергия ветра имеет и существенные недостатки, ограничивающие строительство ВЭС. Это большая неравномерность плотности ветровой энергии и ее выделения, зависимость от многих географических, климатических, метеорологических факторов и др. Поэтому в настоящее время экономически оправданными являются ВЭС ограниченной мощности локального использования.






