Потребление электрической и тепловой энергии
В соответствии с
приемник электрической энергии- это аппарат, агрегат, механизм, предназначенный для преобразования электроэнергии в
другой вид энергии. Электродвигатель, например, преобразует
электрическую энергию в механическую, электропечь -в тепловую, электролампа - в световую и т.д. Приемник электроэнергии характеризуется номинальными параметрами: напряжением, силой тока, активной, реактивной и полной мощностью, коэффициентом мощности, КПД. Работа электроприемников при иных параметрах резко отрицательно сказывается на их характеристиках. Например, если напряжение в электрической сети на 10% выше номинального, то срок службы ламп накаливания сокращается в три раза. Поэтому электроприемники предъявляют определенные требования к качеству электрической энергии. Эти требований отражены в ГОСТ 13109-87 и соблюдаются, за счет специальных мероприятий.
Потребителем электроэнергии называется [2] электроприемник или группа электроприемников, объединенных технологическим процессом и размещенных на определенной территории. Потребителями электроэнергии являются промышленные предприятия, строительные площадки, административные и жилые комплексы и т.д. Потребители характеризуются рядом технико-экономических показателей [9] и подробно изучаются в специальных дисциплинах. В соответствии с [2] потребители электроэнергии относятся к разным группам (категориям) по степени обеспечения надежности их электроснабжения. К первой группе относятся потребители, перерыв в электроснабжении которых недопустим, т.к. связан с угрозой человеческим жизням, возможностью крупных аварий, нарушением обороноспособности страны и т.д. Электроснабжение таких потребителей производится от двух независимых источников энергии с автоматическим включением резерва. Отметим, что есть особые потребители, например, система защиты и управления на АЭС, которые для повышения надежности снабжаются третьим автономным источником питания. Ко второй группе относятся потребители, перерыв в электроснабжении которых приводит к большому экономическому ущербу. Такие потребители электроэнергии подключаются к двум независимым источникам питания и допускают перерыв в электроснабжении на время переключения с основного источника на резервный. К этой груше относится большинство промышленных объектов.
|
|
|
Все остальные потребители относятся к третьей категории, подключаются к одному источнику питания и допускают перерыв в электроснабжении на время ремонта или замены этого источника. К этой группе относятся, например, коммунальные потребители.
|
|
|
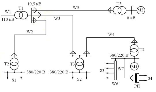
С учетом указанных требований к надежности электроснабжения выполняются схемы подключения потребителей к источникам электроэнергии. Пример такой схемы приведен на рис.3.1. По воздушной ЛЭП W1 электроэнергия подается от электростанции или из энергосистемы на главную понизительную подстанцию (ГПП) предприятия, где трансформатор Т1 понижает напряжение со 110 кВ до 10 кВ. По кабельным линиям 10 кВ W2…W5 к ГПП подключаются трансформаторы Т2, ТЗ, Т4 цеховых подстанций (ТП). На цеховых ТП напряжение понижается до 380/220 В, что обеспечивает возможность подключения непосредственно электроприемников общего назначения. Эти приемники подключается либо к шинам низкого напряжения цеховой TП, например, двигатель М1, либо к магистральному или распределительному шинопроводу W6 (нагрузка S3), либо проводом или кабелем к распределительному пункту РП (нагрузка S4). Высоковольтные двигатели М2, например, компрессорных установок, подключаются на соответствующее напряжение через трансформатор Т5.
Выбор, расчет, проверка всех элементов системы электроснабжения рассматриваются в специальных дисциплинах.

Рис.3.1. Схема электроснабжения промышленного предприятия.