ЗАНЯТИЕ № 2. Система управления и стабилизации антенны ССЦ
Вид занятия: групповое занятие;
Время: 6 часов.
Цель: 1. Изучить назначение, состав и основные технические характеристики системы помехозащиты;
2. Изучить работу блока СФ1 по функциональной схеме
Учебные вопросы:
1. Назначение, основные технические характеристики, состав и режимы работы системы СУ;
2.Работа системы СУ по функциональной схеме в различных режимах («ЦУ», «РУЧ», «АС», «НЛЦ», «ИС», «ПОИСК ССЦ»);
3. Органы управления и контроля системы СУ. Признаки нормальной работы системы управления и стабилизации антенны ССЦ.
Литература: 1. РудиановГ.В., Переверзев М.А. Устройство и эксплуатация ЗПРК 2К22. Часть II. Станция сопровождения целей. Конспект лекций. С.-Пб. 2011, с. 41-47.
1. НАЗНАЧЕНИЕ, ОСНОВНЫЕ ТЕХНИЧЕСКИЕ ХАРАКТЕРИСТИКИ, СОСТАВ И РЕЖИМЫ РАБОТЫ СИСТЕМЫ СУ
Система управления антенной предназначена ____________________________________
________________________________________________________________________________
Основные тактико-технические характеристики системы СУ:
|
|
|
1) сектор поиска антенны по азимуту __________________________________________
_______________________________________________________________________________
2) зона автосопровождения:
по азимуту _________________________________________________________________
по углу места _______________________________________________________________
Функционально система СУ состоит из следующих следящих систем:
_______________________________________________________________________________
_______________________________________________________________________________
_______________________________________________________________________________
_______________________________________________________________________________
Каждая из следящих систем состоит из _________________________________________
_______________________________________________________________________________
_______________________________________________________________________________
_______________________________________________________________________________
_______________________________________________________________________________
_______________________________________________________________________________
_______________________________________________________________________________
_______________________________________________________________________________
Состав:
_______________________________________________________________________________
_______________________________________________________________________________
_______________________________________________________________________________
_______________________________________________________________________________
_______________________________________________________________________________
_______________________________________________________________________________
_______________________________________________________________________________
_______________________________________________________________________________
Система СУ может работать в следующих режимах:
1) ____________________________________________________________________________
2) ____________________________________________________________________________
______________________________________________________________________________
________________________________________________________________________________
3) _____________________________________________________________________________
_______________________________________________________________________________
4) _____________________________________________________________________________
|
|
|
5) _____________________________________________________________________________
_______________________________________________________________________________
6) ____________________________________________________________________________
_______________________________________________________________________________
7) _____________________________________________________________________________
8) ______________________________________________________________________________
_______________________________________________________________________________
9) _____________________________________________________________________________
10) ____________________________________________________________________________
_______________________________________________________________________________
2. РАБОТА СИСТЕМЫ СУ ПО ФУНКЦИОНАЛЬНОЙ СХЕМЕ В РАЗЛИЧНЫХ РЕЖИМАХ («ЦУ», «РУЧ», «АС», «НЛЦ», «ИС», «ПОИСК ССЦ»)
____________________________________________________________________________ ___
____________________________________________________________________________ ___
____________________________________________________________________________ ___
____________________________________________________________________________ ___
____________________________________________________________________________ ___
____________________________________________________________________________ ___
____________________________________________________________________________ ___
____________________________________________________________________________ ___
____________________________________________________________________________ ___
____________________________________________________________________________ ___
____________________________________________________________________________ ___
____________________________________________________________________________ ___
____________________________________________________________________________ ___
____________________________________________________________________________ ___
____________________________________________________________________________ ___
____________________________________________________________________________ ___
____________________________________________________________________________ ___
____________________________________________________________________________ ___
____________________________________________________________________________ ___
____________________________________________________________________________ ___
____________________________________________________________________________ ___
____________________________________________________________________________ ___
____________________________________________________________________________ ___
____________________________________________________________________________ ___
____________________________________________________________________________ ___
____________________________________________________________________________ ___
____________________________________________________________________________ ___
____________________________________________________________________________ ___
____________________________________________________________________________ ___
____________________________________________________________________________ ___
____________________________________________________________________________ ___
________________________________________________________________________________________________________________________________________________________________
________________________________________________________________________________
________________________________________________________________________________
________________________________________________________________________________
________________________________________________________________________________
________________________________________________________________________________
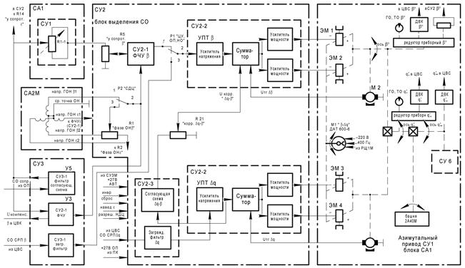
Работа канала азимута. Сигнал ошибки в канале азимута поступает в блок СА1 на
________________________________________________________________________________
________________________________________________________________________________
________________________________________________________________________________________________________________________________________________________________
________________________________________________________________________________
________________________________________________________________________________
________________________________________________________________________________
________________________________________________________________________________
________________________________________________________________________________
________________________________________________________________________________________________________________________________________________________________
________________________________________________________________________________
________________________________________________________________________________
________________________________________________________________________________
________________________________________________________________________________
________________________________________________________________________________
________________________________________________________________________________________________________________________________________________________________
________________________________________________________________________________
________________________________________________________________________________
________________________________________________________________________________
________________________________________________________________________________
Функциональная схема системы СУ (канал азимута)

________________________________________________________________________________________________________________________________________________________________
________________________________________________________________________________
________________________________________________________________________________
________________________________________________________________________________
________________________________________________________________________________
|
|
|
________________________________________________________________________________
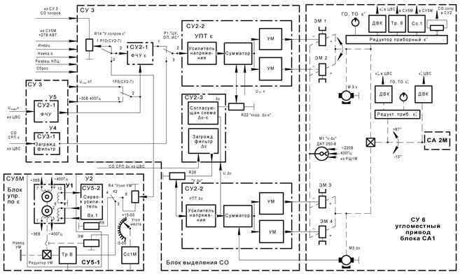
Работа угломестного канала _________________________________________________
________________________________________________________________________________________________________________________________________________________________
________________________________________________________________________________
________________________________________________________________________________
________________________________________________________________________________
________________________________________________________________________________
________________________________________________________________________________
________________________________________________________________________________________________________________________________________________________________
________________________________________________________________________________
________________________________________________________________________________
________________________________________________________________________________
________________________________________________________________________________
________________________________________________________________________________
Функциональная схема системы СУ (канал угла места)







