Теплоты в электроэнергию
Циклы и устройства прямого преобразования
Методы непосредственного преобразования теплоты в электроэнергию. Схема, цикл и КПД магнитогидродинамической установки (МГДУ). Термоэлектрические и термоэмиссионные преобразователи. Термодинамические основы преобразования энергии в топливных элементах.
По теме не предусмотрены лабораторные и контрольные работы.
После изучения теоретического материалы следует ответить на вопросы для самопроверки по этой теме. Ответы можно найти в учебниках [1,3].
(МГД-генератор)
Магнитогидродинамический генератор (МГД –Г) – энергетическая установка, в которой энергия рабочего тела, движущегося в магнитном поле преобразуется непосредственно в электрическую энергию.
Прямое (непосредственное) преобразование тепловой энергии является главной (основной) особенностью МГД-Г отличающую его от генераторов электромашинных.
Процесс генерирования электрического тока в МГД -генераторе основан на явлении электромагнитной индукции, т.е. возникновении электрического тока в проводнике, пересекающем силовые линии магнитного поля. При этом проводником является рабочее тело, в виде ионизированного электропроводного газа (плазма), электропроводной жидкости (электролит) и жидких металлов.
Такое рабочее тело, состоящее из свободных электронов и положительных ионов, при движении по электромагнитному каналу вырабатывает (генерирует) электрическую энергию, которая через электроды, вмонтированные в боковые стенки канала, отводится во внешнюю цепь и далее потребителю.
Системы с МГД -генератором могут работать по открытому и замкнутому циклам. В открытом цикле продукты сгорания ископользуемых топлив после их обогащения присадками щелочных металлов вытекают из сопла в канал МГД-генератора и генерируют электрический ток, затем после удаления присадок выбрасываются в окружающую среду. В замкнутом цикле, тепловая энергия, полученная при сжигании ископаемого топлива, передается в теплообменнике рабочему телу, которое пройдя МГД-генератор возвращается с помощью компрессора или насоса, замыкая цикл.
Источниками теплоты являются реактивные двигатели, ядерные реакторы и др. устройства.
Рабочим телом являются продукты сгорания топлива и инертные газы (аргон) с присадками щелочных металлов (или их солей); а также пары щелочных металлов; смеси паров и жидких щелочных металлов; жидкие металлы и электролиты.
Степень ионизации рабочего тела (т.е. плазмы) определяется его температурой, чем выше температура, тем больше степень ионизации. При температурах 2300 – 4000 оС плазма называется низкотемпературной, а выше, когда в плазме начинается расщепление атомных ядер, плазма называется высокотемпературной (≈10000 К). С учетом возможностей современной техники температура плазмы снижается путем введения в газ ионизирующих присадок, например, пары щелочных металлов (калий, цезий и др.). Для газообразных продуктов сгорания органического топлива температура снижается до 2300–2800оС.
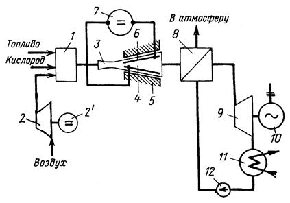
Простейшая схема открытой установки с МГД-генератором, работающей на органическом топливе представлена на рис. 4.14.

Рис. 4.14. Схема установки с МГД -генератором
В камеру сгорания (1) подается атмосферный воздух компрессора (2) под давлением 0,3 – 0,5 МПа, после смешивания его с топливом, смесь поджигается. Для достижения необходимой температуры в камеру сгорания дополнительно подается под давлением кислород и в продукты сгорания вводятся ионизирующие присадки, в результате продукты сгорания переходят в плазменное состояние с температурой ≈ 2500 ÷ 2800 оС. Затем плазма поступает в разгонное сопло (3), в котором скорость повышается до 800 м/с, а давление снижается до атмосферного ≈ 0,1 МПа и температура примерно до 2000 оС.
В дальнейшем плазма поступает в канал (4) МГД -генератора, где пересекает магнитное поле, создаваемое электромагнитами (5). В результате генерируется электрический ток, который снимается с электродов (6) и направляется к потребителю (7).
По мере прохождения плазменного потока через канал (4) скорость его уменьшается, поэтому канал выполняется расширяющимся, а в идеальной установке скорость будет нулевой, т.е. кинетическая энергия потока полностью превращается в электроэнергию.
После выхода из канала (4) газы проходят специальный охладитель, в котором ионизирующие присадки выпадают в виде порошка и используются повторно для ионизации газа. А продукты сгорания выбрасываются в атмосферу.
Выходящие газы из МГД -генератора направляются в парогенератор (8), где они охлаждаются до температуры 150 – 170 оС нагревая питательную воду до получения водяного пара, который используется в паровой турбине (9) для привода генератора переменного тока (10). Отработавший пар поступает в конденсатор (11), после его конденсации полученная питательная вода насосом (12) повторно подается в парогенератор (8).
Преимущества установок с МГД -генератором:
- более высокая начальная температура рабочего тела;
- наибольший КПД ≈ 50 ÷ 60 %;
- отсутствие движущихся узлов и деталей;
- возможность получения больших мощностей в одном агрегате 500 – 1000 МВт.






