При прохождении через турбину пар по мере расширения увлажняется. Снижение сухости пара вызывает ухудшение гидродинамического режима в проточной части турбины, сопровождающееся с уменьшением относительного КПД турбины. Одним из способов повышения сухости пара является промежуточный перегрев пара.
Циклы с промежуточным перегревом пара
И регенеративным отбором пара
Циклы ПТУ с промежуточным перегревом
Промежуточный (вторичный) перегрев пара. Причины применения промежуточного перегрева пара. Принципиальная схема установки с промежуточным перегревом. Цикл ПТУ с промежуточным перегревом пара. Циклы ПТУ со сверхкритическими параметрами водяного пара. Циклы ПТУ с двумя промежуточными перегревами пара.
Регенеративные циклы. Регенеративный подогрев питательной воды. Предельная регенерация. Схема установки с регенеративными отборами пара. Смешивающие и поверхностные подогреватели питательной воды. Изображение регенеративных циклов в координатах T, s. Термический КПД регенеративного цикла. Влияние числа отборов на КПД регенеративного цикла.
По теме выполняется контрольная работа (зад. № 13, 15) и лабораторная работа (№ 5) только для очно-заочной формы обучения.
После изучения теоретического материала следует ответить на вопросы для самопроверки по этой теме. Ответы можно найти в учебниках [1,3].
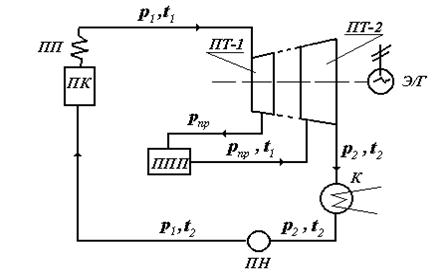
Принципиальная схема ПТУ с промежуточным перегревом представлена на рис. 4.6.
После того как поток пара, совершая работу в турбине (в ступенях высокого давления ПТ–1), расширяется до некоторого давления рпр (р1>рпр >р2), он выводится из турбины и направляется в промежуточный пароперегреватель (ППП), где его температура повышается до величины t1. После ППП пар вновь поступает в турбину (в ступени низкого давления ПТ–2), где расширяется до давления р2 и после выхода из турбины попадает в конденсатор К.
Цикл Ренкина с промежуточным перегревом пара представлен на Ts - и hs – диаграммах (см. рис. 4.7).

Рис. 4.6
На этих диаграммах цикл Ренкина с промежуточным перегревом представлен фигурой 1 – 7 – 8 – 9 – 3 – 5 – 4 – 1. А соответствующий цикл без перегрева (основной цикл Ренкина) изображен фигурой 1 – 2 – 3 – 5 – 4 – 6 – 1. Сухость пара на выходе из турбины в основном цикле равна х2, а в цикле с промежуточным перегревом – х9. Из диаграмм очевидно, что х9 > х2, т.е. Δх= х9 - х2>0, следовательно, сухость пара за счет промежуточного перегрева повышается.
Применение промежуточного перегрева пара еще способствует повышению термического КПД цикла Ренкина
.
Выражение для
напишем в виде
,

Рис. 4.7
где lп - полезная работа пара при прохождении через турбину;
q1 – количество теплоты, подводимое к рабочему телу, каждая из этих величин состоит из составляющих
,
где
=(h1-h7)- работа потока пара, совершаемая до вывода из турбины для промежуточного перегрева;
=(h8-h9)- работа пара при его расширении в турбине после промежуточного перегревателя ППП;
=(h5-h3) – техническая работа, затрачиваемая на приводе питательного насоса ПН.
Окончательно полезная работа выразится в виде
. (4.24)
Общее количество теплоты, подводимой к рабочему телу, состоит из следующих составляющих:
, (4.25)
где
=(h4-h5) - теплота, подводимая в паровом котле ПК к конденсату для его нагрева до температуры насыщения tн при р1;
=(h6-h4)- теплота, подводимая к кипящему конденсату для превращения его в сухой насыщенный пар;
=(h1-h6)- теплота, подводимая к сухому насыщенному пару для его перегрева в пароперегревателе ПП;
=(h8-h7)- теплота, подводимая к пару в промежуточном пароперегревателе ППП.
Тогда q1 представится, как функция энтальпий характерных точек рассматриваемого цикла:
q1=(h4-h5) + (h6-h4) + (h1-h6) + (h8-h7) = (h1-h5) + (h8-h7). (4.26)
Выражение для термического КПД
выразится в виде
. (4.27)
Выражение для термического КПД основного (без промежуточного перегрева) цикла Ренкина:
. (4.28)
Анализ конкретных численных примеров с помощью формул (4.27, 4.28) показывает, что промежуточный перегрев пара обусловливает повышение термического КПД цикла Ренкина, т.е.
>ηt. В современных паротурбинных установках обычно применяется не только однократный, но и двухкратный промежуточный перегрев пара, оценка эффективности двухкратного перегрева осуществляется аналогично вышеприведенному анализу работы цикла с одним промежуточным перегревом пара.
Повышение экономичности ПТУ достигается также и путем применения регенеративного подогрева питательной воды за счет теплоты парообразования пара, расширяющегося при прохождении через турбину.
Принципиальная схема ПТУ с регенеративным подогревом питательной воды при двух отборах пара показана на рис. 4.8.
Пар из промежуточных ступеней турбины ПТ поступает в регенеративные теплообменники смешивающего типа РТ–I и РТ–II, где конденсируется, нагревая питательную воду, поступающую в паровой котел ПК.
Для определения количества отбираемого пара в точках m и n производим анализ процесса движения 1 кг рабочего тела в данном цикле. Обозначим долю расхода пара, отводимого в первом отборе через α1, а долю отводимого пара во втором отборе - α2. Тогда доля пара, поступающего после турбины в конденсатор К, будет равна (1- α1- α2). Если общий расход пара, поступающего в турбину ПТ, обозначить через D и его энтальпию h1, то в первый теплообменник РТ-I отбирается α1∙D кг/ч пара, энтальпия которого hm, а во второй теплообменник РТ-II поступает α2∙D кг/ч с энтальпией hn. Следовательно, до точки m в которой осуществляется первый отбор, в турбине работает D кг/ч пара, за точкой m - (1- α1)∙D кг/ч пара, а за точкой n, в которой осуществляется второй отбор, работает (1- α1- α2)∙D кг/ч пара.

Рис. 4.8
Соответственно в конденсатор К поступает (1- α1- α2)∙D кг/ч пара с энтальпией h2. Во второй теплообменник РТ-II из конденсатора К подается при помощи насоса Н-1 (1- α1- α2)∙D кг/ч конденсата с энтальпией
, туда же из второго отбора поступает α2∙D кг/ч пара с энтальпией hn. В результате их смешения питательная вода в РТ-II должна нагреваться до температуры насыщения
, соответствующей давлению рn, а энтальпия ее увеличиваться до
. В первый теплообменник РТ-I из второго теплообменника РТ-II насосом Н-2 подается уже (1-α2)∙D кг/ч питательной воды с энтальпией
, а из первого отбора поступает α1∙D кг/ч пара с энтальпией hm, в результате их смешения питательная вода в РТ-I должна нагреваться до температуры насыщения
, соответствующей давлению рm, а энтальпия увеличиваться до
. Из первого теплообменника РТ-I питательная вода в количестве D кг/ч с энтальпией
, при помощи насоса Н-1 подается в котел ПК. На этом цикл завершается.
Для определения интенсивности отбора пара в точках m и n необходимо составить условия теплового баланса в соответствующих теплообменниках, исходя из вышеуказанных требований к температурам подогрева питательной воды в них. Цикл ПТУ с регенеративным отбором пара условно представим на hs – диаграмме (см. рис. 4.9).
На этой hs – диаграмме означают:
р1, t1 и h1 – соответственно давление, температура и энтальпия пара перед подачей в турбину;
р2, t2 и h2 – соответственно давление, температура и энтальпия пара на выходе из турбины;
рmи hm– давление и энтальпия пара в точке m первого отбора;
рn и hn – давление и энтальпия пара в точке n второго отбора;
– энтальпия конденсата при давлении рm;
– энтальпия конденсата при давлении рn;
– энтальпия конденсата при давлении р2.

Рис. 4.9
При составлении теплового баланса должно соблюдаться следующее требование - в рассматриваемом теплообменнике количество теплоты qот, отданное отборным паром, должна равняться теплоте qвосп, воспринимаемой конденсатом.
Баланс теплоты в теплообменнике РТ-I.
Пар, из первого отбора поступив в РТ-I, конденсируется, отдавая теплоту
, а конденсат в количестве (1-αI) с энтальпией
поступив в этот же теплообменник при смешении воспринимает эту теплоту парообразования, при этом увеличивается его энтальпия до
. Следовательно, количество теплоты, воспринимаемое конденсатом, будет равно
.
При идеальном цикле имеет место условие
, т.е.
. (4.29)
Аналогично составляется условие теплового баланса для второго теплообменника
(4.30)
Совместно решая уравнения (а) и (б) находим
;
. (4.31)
Определяем полезную работу, которую совершает 1 кг пара:
lп=(h1-hm)+(1-α1)(hm-hn)+(1- α1- α2)(hn-h2), (4.32)
где первое слагаемое - работа, совершаемая 1 кг пара до точки m первого отбора; второе слагаемое - работа (1- α1) кг пара при расширении от точки m первого отбора до точки n второго отбора; третье слагаемое – работа (1- α1- α2) кг пара при расширении от точки n до выхода из турбины.
Технической работой, затрачиваемой на приводах питательных насосов Н-1, Н-2, Н-3, ввиду ее малости пренебрегаем. После преобразования формула (4.32) примет вид
lп=(h1-h2)-α1(hm-h2)- α2(hn-h2). (4.33)
Общее количество теплоты, затрачиваемой на получение 1 кг пара, состоит из следующих двух составляющих. Питательная вода на выходе из теплообменника РТ-I имеет энтальпию
, а энтальпия пара на выходе из пароперегревателя ПП перед подачей в турбину ПТ должна равняться h1. Следовательно, суммарная теплота, которая должна подводиться в паровом котле ПК и пароперегревателе ПП, определится как сумма этих составляющих
q1=(h6-
)+(h1-h6)=(h1-
). (4.34)
Значение термического КПД равно:
. (4.35)
Удельный расход пара
. (4.36)
Термический КПД основного цикла Ренкина (без регенерации пара) очевидно, определяется формулой
. (4.37)
Если расход пара обозначить через D, то теоретическую мощность, вырабатываемую за счет расширения пара, поступающего в конденсатор, можно выразить:
Nk=D(1-α1-α2)(h1-h2). (4.38)
Мощность, вырабатываемая за счет пара, поступающего в первый отбор, равна
NI=D(h1-hm)α1. (4.39)
Мощность, вырабатываемая за счет пара, поступающего во второй отбор определяется по формуле
NII=D∙(h1-hn)α2. (4.40)
Общая мощность
N=Nk+NI+NII=D∙[(h1-h2)-α1(hm-h2)-α2(hn-h2)]. (4.41)
Для каждого количества отборов «α» теплоты существует определенная наивыгоднейшая температура регенеративного подогрева, которая увеличивается с ростом числа отборов:
| Например, | при n = 1 → = 132 оС и %;
при n = 5 → = 240 оС и %;
при n = 8 → = 264 оС и %.
|
При этом параметры пара составляют р1 = 9 МПа, t1 = 480 оС,
р2 = 0,004 МПа.
Уменьшение количества пара на последний ступени турбины позволяет уменьшить высоту лопаток, что облегчает конструирование трубки большой мощности.
Экономия от регенерации составляет ≈ 10 – 13 %.
Для существующих конденсационных паротурбинных установок приняты следующие температуры регенеративного подогрева:
а) р1 = 3,5 МПа, t1 = 435 оС → температура регенеративного подогрева составляет tn = 150 оС;
б) р1 = 9,0 МПа, t1 = 480 оС → температура регенеративного подогрева составляет tn = 215 оС.
= 132 оС и
%;
при n = 5 →
%;
при n = 8 →
%.






