Среди известных и широко применяемых методов измерения расхода жидкостей в химической промышленности большое внимание заслуживает электромагнитный метод измерения.
Принцип работы прибора с электромагнитным преобразователем расхода основан на взаимодействии движущейся электропроводной жидкости с магнитным полем. Согласно закону Фарадея, в движущемся проводнике (например, жидкости) перпендикулярно силовым линиям магнитного поля наводится электродвижущая сила (ЭДС), пропорциональная скорости движения проводника:

где Е — индуцируемая (наводимая) в проводнике ЭДС, В; В — магнитная индукция, Т;
— длина проводника, м;
— скорость движения проводника, м/с.
В случае измерения расхода жидкости запишем:

где D — внутренний диаметр трубопровода (расстояние между электродами), м;
— средняя скорость протекания жидкости через поперечное сечение трубопровода в зоне наводимой ЭДС, м/с. Объемный расход жидкости
определяем по формуле:

где А — поперечное сечение трубопровода, м2.
Подставив значение
в уравнение, получим:

или

где
Полученное выражение показывает, что значение выходной ЭДС прямо пропорционально значению объемного расхода жидкости.
Итак, электромагнитный расходомер является по существу генератором, в котором проводником, перемешающимся в магнитном поле, служит электропроводная жидкость (коэффициент проводимости жидкости должен быть не менее
См/м).
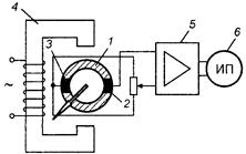
Принципиальная схема электромагнитного расходомера с постоянным магнитным полем приведена на рис. 90. Трубопровод / с перемещающейся в нем жидкостью помещают в магнитное поле. Трубопровод изготовляют из изоляционного материала (фторопласт, эбонит и т. п. в зависимости от свойств измеряемой жидкости). При необходимости трубопровод изготавливают из немагнитного металла (например, из немагнитной нержавеющей стали с большим удельным сопротивлением). В этом случае внутреннюю поверхность металлической трубы изолируют от жидкости специальным изоляционным материалом.
В стенки трубопровода диаметрально противоположно в одном поперечном сечении вводят электроды 2, 3 («заподлицо» с внутренним диаметром трубопровода), изготовленные из нержавеющей стали. Электроды для съема выходной ЭДС тоже должны быть электрически изолированы от металлической трубы. К электродам подключают высокочувствительный измерительный прибор 6 (например, потенциометр).
Основным недостатком первичных электромагнитных преобразователей расхода с постоянным магнитным полем является поляризация электродов, характеризуемая появлением двойного слоя зарядов на границе электрод—жидкость. По мере накопления этих зарядов возникает ЭДС, направленная против основной измеряемой выходной ЭДС. Появление двойного электрического слоя, а следовательно, и противоэлектродвижущей силы нарушает стабильную работу измерительного блока. Чтобы уменьшить вредное воздействие поляризации электродов на полезный сигнал преобразователя расхода, постоянное магнитное поле заменяют на переменное.

Рис. 90. Схема электромагнитного расходомера с постоянным магнитным полем: / — трубопровод; 2, 3 — электроды; 4 — постоянный электромагнит; 5 — усилитель; 6 — измерительный прибор

Рис. 91. Схема электромагнитного расходомера с переменным магнитным полем: / — трубопровод; 2, 3 — электроды; 4 — переменный электромагнит; 5— промежуточный измерительный усилитель-преобразователь с унифицированным выходным сигналом постоянного тока 0...5 мА; 6 — измерительный прибор
Принципиальная схема электромагнитного расходомера с переменным магнитным полем приведена на рис. 91. Требования, предъявляемые к материалам для изготовления трубы / и электродов 2 и 3 преобразователя расхода с переменным магнитным полем, аналогичны перечисленным выше требованиям к преобразователям расхода с постоянным магнитным полем.
Комплект общепромышленного электромагнитного расходомера состоит из электромагнитного преобразователя расхода (конструктивно преобразователь состоит из трубы и постоянного или переменного электромагнита) и измерительного блока (например, потенциометра или милливольтметра).
Достоинства электромагнитных преобразователей расхода: они не имеют движущихся частей, имеют минимальные потери давления. Практически безынерционны (по динамическим свойствам они могут быть представлены статическим звеном нулевого порядка), что очень важно при измерении быстроизменяющихся расходов, а также при их использовании в АСУ. Показания расходомера не зависят от свойств измеряемой жидкости (вязкости, плотности) и от характера потока (ламинарный, турбулентный). Поскольку зависимость наводимой ЭДС от расхода линейна, шкала измерительного прибора линейна.
Электромагнитные расходомеры обеспечивают измерение расхода в диапазоне от 1 м3/ч до 2500 м3/ч и более в трубопроводах с внутренним диаметром от 10 мм до 300 мм при средней линейной скорости движения жидкости
от 0,6 м/с до 10 м/с и рассчитаны на максимальное избыточное давление до 1...2,5 МПа.
В зависимости от типа покрытия внутренней поверхности трубы преобразователя расхода электромагнитные расходомеры могут применяться для измерения расхода различных электропроводных жидкостей (абразивных жидкостей, суспензий, кислот, пульп и т. д.), имеющих температуру от —40 °С до +150 °С.