А б
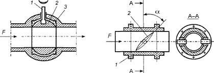
Рис. 75. Схемы регулирующих органов:
а — односедельный; б — двухседельный (/ — шток; 2 — затвор; 3 — седло)
В двухседельном РО (рис. 75, б; 76, б) проходное сечение образовано двумя цилиндрическими или профилированными затворами, перемещающимися вдоль оси двух неподвижных седел. При перемещении затворов изменяется проходное сечение и соответственно расход среды, проходящей через РО. Двухседельные РО отличаются высокой надежностью и применяются для изменения расходов жидкостей, паров и газов, параметры которых могут изменяться в широких пределах. Пропускная способность двухседельного РО примерно в 1,6 раза выше пропускной способности односедельного РО при одинаковом диаметре условного прохода. Затвор двухседельного РО разгружен, так как усилия, создаваемые регулируемой средой, действуют на плунжеры в противоположных направлениях. Разгрузка затвора в двухседельных РО по сравнению с односедельными улучшает качество регулирования и снижает необходимое перестановочное усилие ИМ, а следовательно, габариты и массу ИМ.
|
|
|


Рис. 76. Конструкция регулирующих органов:
а — клеточного (1 — корпус; 2 — направляющая; 3 — затвор); б двухседельного (7 — седло; 2 — шток; 3 — сальник; 4 — затвор)
Односедельные и двухседельные РО не применяются для изменения расхода суспензии или пульпы, а также расхода жидкостей, способных к кристаллизации. В противном случае твердые частицы оседают в нижней части регулирующего органа, что препятствует нормальному перемещению его затвора. Кроме того, наличие твердых частиц в движущейся среде приводит к износу корпуса и поверхностей затвора, а также седел.
В клеточном РО (рис. 76, а) проходное сечение образовано профилированными отверстиями в клетке 2 и затвором 3, перекрывающим эти отверстия. Затвор 3 представляет собой полый цилиндр с отверстиями в верхнем торце для уравновешивания давлений над затвором и под ним. Затвор перемешается в клетке-направляющей 2, которая одновременно служит седлом затвора. В данной конструкции затворная пара имеет не одну, а две посадочные поверхности, что позволяет значительно повысить герметичность регулирующего органа. В клеточном регулирующем органе устранены недостатки односедельного РО (неразгруженность затвора) и двухседельного РО (негерметичность затвора).
В шланговом регулирующем органе (рис. 77) регулируемая среда проходит через эластичный патрубок 3 (шланг), который, деформируясь под действием усилия, развиваемого исполнительным механизмом, изменяет площадь проходного сечения и, следовательно, пропускную способность. В зависимости от среды шланги могут быть изготовлены из бензостойких, маслостойких, химически стойких, эрозионно-стой-ких материалов. Шланговые регулирующие органы применяются для изменения расхода сред, содержащих твердые и абразивные частицы, шламообразующих, а также агрессивных сред, например, кислот, в которых стойки резиновые шланги соответствующих марок. Основными преимуществами шланговых РО являются малое гидравлическое сопротивление, отсутствие застойных зон, отсутствие уплотнения штока в связи с герметичностью проточной части, надежное перекрытие потока в закрытом положении. К недостаткам шланговых РО относятся невысокая допустимая температура (до 80 °С), небольшое рабочее давление (до 1 МПа), значительная неуравновешенность РО, небольшой срок службы эластичного патрубка.
|
|
|
В диафрагмовом регулирующем органе (рис. 6.78) изменение проходного сечения осуществляется за счет деформации эластичной диафрагмы 2 относительно неподвижного седла под действием усилия, развиваемого исполнительным механизмом. Эластичная диафрагма может быть изготовлена из резины, фторопласта и т. п. Диафрагмовый РО применяется для изменения расхода агрессивных сред (например, кислот) при невысоких давлениях и температурах. Внутренняя поверхность корпуса РО футерована химически стойким материалом, например, полиэтиленом, резиной, фторопластом, или покрыта эмалью. Основным преимуществом диафрагмовых РО является применение дешевых антикоррозионных материалов вместо дорогостоящих нержавеющих сталей, а также бессальниковая конструкция. К недостаткам диафрагмовых РО относится их неразгру-женность и ограниченные давления и температуры регулируемых сред (до 150 °С).

Рис. 77. Шланговый регулирующий орган:
/ — шток; 2 — валики-траверсы; 3 — эластичный патрубок

Рис. 78. Диафрагмовый регулирующий орган: / — шток; 2 — мембрана
Шаровой регулирующий орган (рис. 79) снабжен поворотным затвором 2 в виде сферы с цилиндрическим отверстием и седлами 3, уплотнительные поверхности которых имеют форму сферы. Шток /, связанный с исполнительным механизмом, осуществляет поворот шарового затвора, изменяя тем самым площадь проходного сечения. В закрытом положении затвор упирается в пару седел, изготовленных из упругих материалов (например, фторопласта), обеспечивая герметичность перекрытия прохода. Чрезвычайно простая форма проточной части шарового РО позволяет его применять для регулирования потоков вязких и кристаллизующихся сред, шламов, пульп, а также сред, содержащих абразивные частицы. Пропускная характеристика шарового РО близка к равнопроцентной. При открытом положении затвора сопротивление потоку очень мало. Шаровые РО могут работать, выдерживая перепады давления до 8 МПа в интервале температур от —60 °С до +230 °С.
Затвор заслоночного регулирующего органа (рис. 80) представляет собой заслонку 2 (например, металлический диск), при повороте которой изменяется проходное сечение и, следовательно, пропускная способность РО. Когда заслонка полностью открыта (расположена параллельно оси трубопровода), пропускная способность РО максимальна. При закрытой заслонке (расположенной перпендикулярно оси трубопровода) пропускная способность РО минимальна (так как затвор не обеспечивает полного перекрытия трубопровода; всегда остается небольшой кольцевой зазор). Для поворота заслонки нужен ИМ относительно небольшой мощности. При одинаковых размерах условного прохода поворотные заслонки обладают большей пропускной способностью, чем двухседельные регулирующие клапаны (примерно на 50 %). Заслоночные РО применяются для изменения больших расходов газа и пара при невысоких перепадах давления (до 2,5 МПа) и температурах до 400 °С.

Рис. 79. Шаровой регулирующий орган: / — шток; 2 — шаровой затвор; 3 — седло
|
|
|
Рис. 80. Заслоночный регулирующий орган: / — корпус; 2 — затвор (заслонка)
В шиберах затвор, изготовленный в виде полотна, перемещается перпендикулярно направлению потока (рис. 81). Шиберы применяются для регулирования расходов воздуха и газов при небольших статических давлениях (до 0,01 МПа), а также для дозирования сыпучих материалов. Шиберы изготовляют из различных материалов, что определяется условиями эксплуатации. Для работы с инертными газами (температура до 300 °С) шиберы изготовляют из листовой стали; при температуре выше 300 °С — из чугуна. Для работы с агрессивными газами шиберы изготовляют из легированных сталей (или из листовой стали со специальным покрытием). Шиберы устанавливают на трубопроводах, коробах и каналах любой геометрической формы сечения.


Рис. 81. Схема шибера
3.4.2. Исполнительные механизмы
Исполнительный механизм (ИМ) предназначен для усиления мощности командного сигнала, получаемого от регулятора, и воздействия на регулирующий орган.
По виду используемой энергии ИМ делят на электрические, пневматические, гидравлические.
При выборе исполнительного механизма учитывают следующие требования:
• ИМ должен развивать перестановочное усилие, достаточное для преодоления реакции рабочих частей регулирующих органов;
• ИМ должен обладать детектирующим действием, т. е. передавать воздействие только от исполнительного устройства к объекту регулирования;
• значения основных величин, характеризующих статические и динамические свойства ИМ (порог чувствительности, гистерезис, люфт и т. д.), должны быть соизмеримы со значениями аналогичных величин других элементов системы управления (регулирования);
• в конструкции ИМ желательно иметь дополнительные устройства, такие как ручной привод местного управления регулирующим органом и т. д.
Важным параметром регулирующего органа, оказывающим влияние на выбор типа и размера ИМ, является реакция, возникающая при перемещении рабочих частей. При этом учитывается как величина реакции, так и ее постоянство во времени при различных нагрузках. По этому параметру РО подразделяются на разгруженные, частично разгруженные и перегруженные.
|
|
|






