|
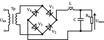
| Рис. 22.2. Мостовой выпрямитель |
В обычном выпрямителе к диоду прикладывается обратное напряжение, равное двум амплитудам выпрямляемого напряжения. Кроме того в схеме используется трансформатор со средней точкой. Эти недостатки устранены в мостовом выпрямителе, показанном на рис. 22.2. при положительном напряжении на вторичной обмотке трансформатора открываются диоды V1 и V3, а V2 и V4 закрыты. Ток течет по контуру от трансформатора через V1 в индуктивность L, через емкостно-резистивную нагрузку C и
, через диод V3 в отрицательную трансформатор. При отрицательном напряжении открыты диоды V2 и V4, а диоды V1 и V3 закрыты. Ток течет от трансформатора через V2, индуктивность L, через емкостно-резистивную нагрузку C и
, через диод V4 в трансформатор.
Отметим, что диоды открываются, если напряжение на емкости меньше амплитуды выпрямляемого напряжения не меньше чем на величину
.






