Элементы вторичных источников питания
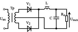
Схема двухполупериодного выпрямителя показана на рис. 22.1. Трансформатор служит для обеспечения гальванической развязки между выпрямителем и сетью переменного тока, необходимой амплитуды напряжения. Напряжения, подаваемые на диоды V1 и V2, находятся в противофазе, поэтому открываются поочередно. Индуктивность L служит для сглаживания пульсаций постоянного напряжения. Если емкость полностью заряжена, то напряжение на ней приблизительно равно амплитуде напряжения на выходах трансформатора, поэтому диоды закрыты. Однако, емкость разряжается через сопротивление нагрузки, поэтому напряжение на ней уменьшается. При понижении напряжения диоды открываются поочередно на короткое время и емкость подзаряжается. В результате на выходе наблюдается постоянное, слегка пульсирующее напряжение. Величина пульсаций зависит от значений сопротивления нагрузки, емкости и индуктивности.
|
| Рис. 22.1. Двухполупериодный выпрямитель |






