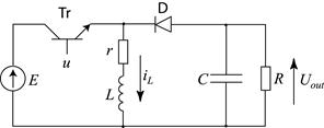
В различных схемах зачастую требуется регулировать величину постоянного напряжения. Один из таких импульсных преобразователей показан на рис. 22.4.
На базу транзистора Tr подается переменный сигнал, показанный на рис. 22.4. Если сигнал u больше нуля, то транзистор Tr открыт, поэтому на его эмиттере низкое напряжение, следовательно, диод D закрыт. Ток от постоянного источника питания E протекает через транзистор в индуктивность L. Ток
начинает расти, индуктивность накапливает энергию. Когда управляющий сигнал u становится отрицательным, транзистор закрывается, поэтому на катоде диода появляется низкое напряжение. В результате диод D открывается, и индуктивность разряжается, заряжая конденсатор C. При высокой частоте переключений пульсации токов незначительны и на выходе преобразователя появляется постоянное напряжение, величина которого зависит от параметра u – интервала времени, в течение которого диод открыт:
. (22.1)
Из выражения (22.1) видно, преобразователь инвертирует входное напряжение и если
, то выходное напряжение больше входного, а если
, то выходное напряжение меньше входного.
|
| Рис. 22.4 Преобразователь постоянного тока |
|
| Рис. 22.4 Управляющий сигнал |






