Учет неравномерностей полей температур
В силу большого количества причин поля температур рабочих тел в турбомашинах неравномерны.
Неравномерности можно разделить: - неравномерности по окружности проточной части;
- неравномерности по радиусу проточной части.
Наиболее важную роль играют высокотемпературные неравномерности, т.к. перекосы таких температур могут приводить к местным перегревам, неравномерным расширениям и т.п., что сильно влияет на прочность деталей.
Причины возникновения температурных перекосов:
- неравномерная работа горелочных устройств в КС, особенно если зона смешения одной горелки и зона
смешения другой (или их зоны горения) не объединены (секционные КС);
- дефекты лопаточного аппарата (загнутые кромки, выщербины и т.д. – приводят к местному срабатыва
нию различных по величине теплоперепадов, что влияет на распределение температур);
- дефекты системы охлаждения (засорение каналов, утечки и т.д.);
- изменение степени реактивности по высоте ступени (теплоперепад в разных сечениях разный срабаты
вается, в СА – уменьшается по высоте, в РК – увеличивается).
Поэтому температурные поля обычно осредняют (по площади, по расходу). Для точного осреднения нужно замерить как можно больше точек.
Ввиду всех этих особенностей трудно измерить поле температур в средних ступенях, поэтому чаще всего меряют поля на выхлопе.
К таким устройствам можно отнести:
- нагнетатель: Δt = 15 – 30О;
- теплообменные аппараты (особенно для водяных аппаратов): Δt = 10 – 15О.
Для этих устройств эти Δt необходимо мерять с большой точностью, т.к. они относятся к основным рабочим характеристикам (нагнетатель – мощность зависит от Δt, маслоохладитель – тепловой поток). Необходима точность (абс. погрешность) на уровне 0.5ОС, а иногда и 0.1ОС (измерение мощности ЦН например).
Измерение давлений
Давление – это нормальное напряжение в РТ.
В трактах ГТУ необходимо измерение как статического, так и полного давлений, поэтому существуют измерители статического давления, скоростного напора и полного давления.
Измерение статического давления.
При движении РТ в трубопроводах и каналах его давление падает из-за гидравлических потерь, а также может меняться при изменении сечения канала, поэтому необходимо соответствующим образом выбирать точку замера и учитывать её положение.
Если жидкость несжимаемая и невязкая, то при её течении без вихрей (ламинарное) статическое давление по сечению канала постоянно.
В реальности есть и вязкость и сжимаемость, поэтому давление по сечению изменяется, поэтому необходимо выбирать точку замера в соответствии с целью замера.
Приемники статического давления.
Разделяются на приемники: - с поверхности потока;
- в объеме потока.
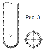
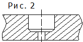
Приемники стат. давл. с поверхности – простейшее такое устр-во – отверстие в стенке канала – рис.1. Также такие исполнения – рис.2, рис.3.
Требования к выполнению: - должно быть перпендикулярно поверхности;
- диаметр отверстия – 0.5 … 1.0 мм;
- не должно быть заусенец и фасок (чтоб не было завихрений).
Для исключения влияния неравномерности статического давления по окружности, необходимо производить его замер в нескольких точках по окружности и можно его осреднять. Обычно это осреднение проводится в кольцевом коллекторе – рис. 4.



Требования к импульсным линиям статического давления (это трубопроводы, соединяющие точки отбора статического давления с приборами измерения):
1. Импульсные трубки – стальные трубки диаметром 6…8 мм, толщина стенки 1 мм. Трубки бесшовные, обычно из нержавеющей стали. Длина импульсных линий – не более 50 м. При больших длинах возникает большой паразитный объем, влияющий на измерения, вызывая искажения полезного пневматического сигнала.
2. Обеспечение прочности. При температурах более 250 оС и давлении большем 50 кгс/см2, импульсные линии подвергаются специальному расчету на прочность.
3.Нужно обеспечивать герметичность соединений импульсных линий. Проверка на герметичность: контролируется утечка по скорости падения давления при пневмоиспытании. Допускается скорость падения давления 15% в минуту.
4.Должны быть исключены водяные пробки на газовых импульсных линиях и воздушные мешки на жидкостных имп. линиях. Это достигается определенной методикой прокладки имп. линий: жидкостные линии идут с подъемом к месту измерения и имеют кран для продувки, а газовые линии идут с понижением к месту измерения и тоже имеют кран для продувки. Необходимо контролировать места, где самые высокие точки и устанавливать здесь продувочные краны.
5.Необходимо контролировать и по возможности исключать перегрев и переохлаждение жидкостных имп. линий, так как из-за этого могут возникать пробки в трубках.
6.Прокладывать имп. линии надо так, чтобы они не повреждались. Типичное повреждение – пережим.
7.Импульсные линии должны быть защищены от вибрационных поломок.
Измерение статических давлений в объеме потока - такое измерение выполняется с помощью зондов. Обычно используют трубку Пито-Прандтля (рис. – самому).
Измерение полного давления.
Для несжимаемой жидкости: Р* = Р + ρ . С2 / 2; С = (2 . ΔР/ ρ)1/2 . К, К = 0,95…0,99.
Для измерения полного давления существуют специальные зонды или приемники полного давления. Наиболее распространенным зондом является трубка Пито-Прандтля – рис.1.
Достоинство трубки Пито-Прандтля – если трубка выполнена по нормам (т.е. все её размеры соответствуют выбранному d трубки), то она не требует тарировки.
Недостатки: - чувствительна к направлению потока;
- довольно громоздка – трудно заводить в трубу;
- сложность конструкции.
Иногда делают такой приемник – рис.2, который менее чувствителен к точному ориентированию, но такая трубка требует тарировки.
Существуют и другие варианты зондов, например такая конструкция – рис.3, но обязательно нужна тарировка и обладает высокой чувствительностью к направлению, а также сложность изготовления.
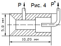
Приемники полного давления для многоярусных зондов.
Зонды составляются из нескольких элементов - приемников полного давления, что позволяет производить замеры давления по всему сечению канала (снять поле давлений). Такие зонды подлежат проверке на прочность и вибростойкость.
Существуют разные конструкции элементов зонда, например такая – рис. 4.
Такая конструкция имеет недостаток – сложность изготовления.



Требования ГОСТ при измерении давления в турбомашинах многоярусными зондами: статическое давление меряют не менее чем в 4-х точках по окружности, в плоскости, перпендикулярной к потоку. По высоте проточной части элементов турбомашин РСТ и Р* меряют не менее чем в 5-и точках по радиусу, причем измерение РСТ в корне и на периферии обязательно.
Приборы для измерения давления.
Могут быть разделены на группы по: - по точности;
- по уровню измеряемого давления;
- по принципу измерения давления.
Для измерения малых (до 200 мм в. ст.) применяются спиртовые дифференциальные манометры с наклонной трубкой (микроманометры) – рис.1.
Достоинства: - точен;
- позволяет менять точность путем изменения угла наклона трубки;
Недостатки: - только малые давления меряет;
- чувствителен к температуре спирта;
- хрупкий.
До 2000 мм в. ст. используются U-образные дифманометры – рис.2.
Тоже довольно точны, но хрупки.
В качестве РТ используются различные жидкости – см. табл. Жидкости эти (кроме ртути) обычно подкрашивают, чтобы лучше был виден мениск.

Для измерения высоких давлений используют пружинные манометры. Обычно используется трубка Бурдона – рис. 3.
Для исследовательских целей применяются: - МО (образцовый манометр);
- МТИ (манометр точных измерений).
Например: МО 160 – корпус диаметром 160 мм, класс точности 0.4;
МО 250 – корпус диаметром 250 мм, класс точности 0.16 и 0.25;
МТИ 1246 – на 0…60 кгс/см2 или 0…100 кгс/см2, классы точности 0.6 и 1.
Класс точности прибора – абсолютная погрешность прибора, выраженная в процентах от верхнего значения шкалы.
Недостатки пружинных манометров:
- громоздки;
- имеют нестабильную х-ку, требуют тарировки до и посте испытаний;
- верхний предел измеряемой величины должен быть не больше двух третей шкалы.









