Проблемы высокотемпературных измерений
При высокотемпературных измерениях возникает большое количество методологических погрешностей из – за размещения измерителя в гильзе.
Источники погрешности: - термическое сопротивление гильзы и зазора в ней;
- перемещение теплоты по корпусу;
- теплоотдача излучением от гильзы;
- при больших т-рах происходит заметная потеря теплоты гильзой.
Если скорости потока 200 – 300 м/с то разница между статической температурой и температурой торможения значительная (из-за затормаживания потока) и возникает вопрос что меряется: температура статическая или температура торможения. Полную температуру измеряют зондами.
Обычно эти зонды являются проточными, т.е. рабочее тело, температуру которого нужно измерить протекает через зонд.
Поток, который втекает во входное отверстие сильно затормаживается из –за маленького выходного отверстия (dВХ = 3..5 мм, dВЫХ = 0.5..1 мм), поэтому температура повышается по сравнению со статической – см. рис.1.
|
|
|
Электроизоляция выполняется из фарфоровых бус (фарфорово-керамические цилиндрики – рис.2), которые обеспечивают подвижность проводов. Ещё используют фарфоровую соломку.
Для герметизации пустоты заливают жидким стеклом.
Установка зонда в проточную часть – рис.2 – в корпусе установлена бобышка, в которую укладывается уплотняющий асбестовый шнур, прижимаемый сверху гайкой.
Достоинства таких конструкций:
- простота форм;
- легко вставлять в проточную часть.
Недостатки:
- нужно точно ориентировать зонда навстречу потоку для исключения погрешностей;
- необходимо обеспечивать расстояние между входным и выходным отверстиями (из-за этого зонд удлиняется при выполнении его многоточечным).
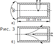
Поэтому делают такие улучшенные элементы – рис.3, которые позволяют изготовлять компактные многоточечные зонды (гребенки) – рис. 4.
Достоинства:
- малочувствительность к углу натекания потока (допустимо ± 5О отклонение).
Недостатки:
- несколько ухудшенное торможение;
- увеличенный продольный размер;
- сложность изготовления (особенно многоточечных) зондов.
При измерении поля температур необходимо измерять т-ры не менее чем в 4-х точках по окружности, и в пяти по высоте проточной части.
Требования к зондам:
- зонды не должны сильно загромождать проточную часть;
- размеры должны быть минимальны, чтобы зонды не создавали завихрений рабочего тела;
- нужно обеспечить статическую и динамическую прочность зондов.










