Исходные данные для выбора двигателя обычно представляются в виде нагрузочных диаграмм механизма, т.е. зависимостей Мс(t) и w(t) и приведенного момента инерции Jм¢ (см. п.2.2). Зависимость w (t) иногда называют тахограммой. Иногда Мс(t) зависит от пути, в этом случае при известной скорости можно перестроить заданный график Мс(j), получив его в виде Мс(t).
Нагрузочные диаграммы механизма, вообще говоря, могут иметь любой вид, однако всегда можно выделить цикл, т.е. промежуток времени tц, через который диаграмма повторяется. Если характер работы таков, что режимы воспроизводятся плохо (лифт, подъемный кран и т.п.), строят нагрузочные диаграммы для наиболее вероятного или наиболее тяжелого цикла.
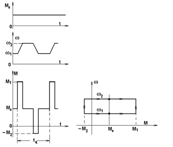
Следует особо подчеркнуть, что для обоснованного выбора двигателя требуемая нагрузочная диаграмма механизма должна быть известна. На рис. 7.2 в качестве примера приведены требуемые нагрузочная диаграмма и тахограмма некоторого механизма (верхние для графика).

Рис. 7.2. Нагрузочные диаграммы механизма и двигателя
|
|
|
Для предварительного выбора двигателя по известной нагрузочной диаграмме механизма можно найти средний момент статической нагрузки
,
где Мc i – момент статической нагрузки на i -ом интервале;
ti – продолжительность i -ого интервала;
n – число интервалов, где Mс = const.
Номинальный момент искомого двигателя с учетом динамических нагрузок может быть оценен как
.
В качестве номинальной скорости следует взять wмакс, если регулирование однозонное вниз от основной скорости, или wмин, если регулирование однозонное вверх от основной скорости. По найденным таким образом величинам Мн и w н можно выбрать двигатель по каталогу и, следовательно, определить его момент инерции, построить механические характеристики, кривые переходных процессов.
После того, как двигатель предварительно выбран, можно перейти к построению нагрузочной диаграммы двигателя, т.е. зависимости М(t). Это построение сводится к решению уравнения движения

одним из описанных в гл.5 приемов.
На рис. 7.2 внизу показана нагрузочная диаграмма двигателя, построенная в предположении, что при изменении скорости M» cons t, а при набросе и сбросе нагрузки привод работает на линейной механической характеристике.
Нетрудно видеть, что нагрузочная диаграмма двигателя существенно отличается от нагрузочной диаграммы механизма. На рис. 7.3 – 7.5 показано еще несколько типичных нагрузочных диаграмм и соответствующие
динамические характеристики привода.
Рис. 7.3 соответствует случаю, когда механизм с Mс = cons t работает
в режиме изменяющейся скорости. Идеализированная динамическая механическая характеристика показана внизу. Следует отметить, что при построении нагрузочных диаграмм двигателя часто прибегают к подобной идеализации, так как для целей выбора двигателя детали диаграммы, обусловленные особенностями конкретной характеристики, обычно несущественны.
|
|
|

Рис. 7.3. Нагрузочная диаграмма при Мс = const и w = var
На рис. 7.4 показана нагрузочная диаграмма привода, работающего в режиме частых пусков и торможений, осуществляемых по характеристикам, приведенным внизу. Графики w (t) М(t) построены в соответствии с правилами, изложенными в п. 5.2.

Рис. 7.4. Нагрузочная диаграмма при частых пусках – торможениях
На рис. 7.5 показаны нагрузочные диаграммы электропривода с пиковым характером нагрузки при линейной механической характеристике двигателя. Момент статической нагрузки изменяется мгновенно от Мс0 до Мс1. Момент, развиваемый двигателем при приложении Мс1 выразится как
,
а при снятии нагрузки
,
где
.

Рис. 7.5. Нагрузочная диаграмма маховикового электропривода
Величины M ¢, М ¢¢ и w ¢, w ¢¢ при заданных t 1 и t 2 определяются значением Tм. Если Tм мала, то момент, развиваемый двигателем, будет повторять изменение Мс. Если, напротив, Tм велика, то M ¢, М ¢¢ и w ¢, w ¢ будут мало отличаться от соответствующих средних значений Мс ср и w ср благодаря тому, что энергия, запасенная во вращающихся частях привода на интервале t 1 (Мс = Мс 0) будет расходоваться на покрытие пика нагрузки на интервале t 2 (Мс = Мс 1). При w»w ср эта энергия пропорциональна площадям, заштрихованным на рис. 7.5. «Спрямление» нагрузочной диаграммы двигателя при пиковом характере нагрузки часто оказывается весьма полезным, так как позволяет снизить требования к перегрузочной способности двигателя и уменьшить потери в двигателе.
Увеличение Тм в этих случаях достигается использованием маховика с моментом инерции
и выбором соответствующей величины жесткости механической характеристики двигателя b.
Нагрузочная диаграмма двигателя, как отмечалось, служит основой для проверки предварительно выбранного двигателя по перегрузочной способности и по нагреву.
Проверка по перегрузочной способности сводится к проверке выполнения условия
,
где
- максимальный момент из нагрузочной диаграммы двигателя;
- допустимый по перегрузке момент двигателя.
Для двигателя постоянного тока нормального исполнения
;
для асинхронного двигателя с учетом возможного снижения напряжения питания на 10%
;
для синхронного двигателя нормального исполнения
.
Асинхронные короткозамкнутые двигатели дополнительно проверяются по пусковому моменту; для нормального пуска должно выполняться условие:
,
где
- максимальный момент статической нагрузки, при котором должен выполняться пуск привода;
- пусковой момент двигателя.
Проверка по нагреву, сводящаяся к оценке фактической температуры изоляции обмоток двигателя и сравнению ее с допустимой, также выполняется с использованием нагрузочных диаграмм двигателя. Эта операция выполняется с использованием тепловой модели двигателя.






