В тепловом отношении электрическая машина – сложный объект: она неоднородна по материалу, имеет рассредоточенные внутренние источники тепла, интенсивность которых зависит от режима, теплоотдача зависит от скорости и т.п. Именно эта сложность побуждает пользоваться на практике для относительно грубых оценок предельно простой моделью, построенной в предположении, что машина – однородное тело с постоянной теплоемкостью С, Дж/°С, с одинаковой температурой во всех точках J, с теплоотдачей во внешнюю среду Аt, пропорциональной коэффициенту теплоотдачи А, Дж/с×°С, и разности t температуры машины J и окружающей среды Jос, т.е. t = J - Jос, °С.
Тогда уравнение теплового баланса для некоторого интервала времени dt будет
. (7.1)
Разделив обе части на А dt, получим:

или
, (7.2)
где Tт = C/A – тепловая постоянная времени;
tкон = D Р/А – конечное (установившееся) значение превышения температуры.
Мы вновь обнаружили, как и в п. 5.2, что при одном накопителе энергии, в данном случае тепловой, переменная, характеризующая ее запас, изменяется по экспоненте, являющейся решением (7.2):
|
|
|
. (7.3)
Уравнение (7.2) позволяет представить динамическую тепловую модель двигателя в виде передаточной функции
. (7.4)
Отметим, что постоянная времени Тт, вообще говоря, - не постоянная: в начальной части нагрева, когда греются лишь активные части, главным образом медь обмоток, и тепло не успевает распространиться по всему телу машины, процесс идет быстрее, чем по (7.3), т.е. Тт¢ < Тт – пунктир на рис. 7.6.

Рис. 7.6. Характеристики нагревания – охлаждения
электрической машины
Для самовентилируемых машин теплоотдача зависит от скорости, уменьшаясь с ее уменьшением, т.е. Тw= 0> Tтw , причем разница может быть существенной – в 2 и более раза – см. рис. 7.6. Некоторое представление о
порядке постоянных времени машин при w» w н дает рис. 7.7.

Рис. 7.7. Ориентировочная зависимость тепловой постоянной
времени от мощности электрической машины
Итак, реакция машины на быстрые изменения потерь в ней – отрезки экспонент с относительно большими (минуты, даже часы для больших машин) постоянными времени. В установившемся режиме (dt /dt =0) по (7.2) имеем
; (7.5)
в номинальном режиме по определению
. (7.6)
Найденные закономерности нагревания и охлаждения двигателей позволяют выделить три характерные стандартные режима работы электроприводов.
Продолжительный режим S1 характеризуется условием
, (7.7)
т.е. за время работы tр температура перегрева достигает установившегося
значения (рис. 7.8,а), продолжительность паузы роли не играет.
Кратковременный режим S2, при котором
,
, (7.8)
т.е. за время работы перегрев не успевает достичь установившейся величины, а за время паузы tо двигатель охлаждается до температуры окружающей среды (рис. 7.8,б).
|
|
|

а) б)

в)
Рис. 7.8. Диаграммы продолжительного S1 (а), кратковременного S2 (б) и повторно-кратковременного S3 (в) режимов
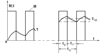
Повторно-кратковременный режим S3 соответствует условиям
,
, (7.9)
т.е. за время работы перегрев не достигает tуст, а за время паузы не становится равным нулю. При достаточно долгом повторении циклов процесс устанавливается, т.е. температура перегрева в начале и конце цикла одинакова и ее колебания происходят около среднего уровня tср (рис.7.8,в). Повторно-кратковременный режим характеризуется относительной продолжительностью включения e или ПВ
, (7.10)
.
При повторно-кратковременном режиме ограничивается как e (e£0,6), так и время цикла (tц £ 10 мин).
Еще четыре стандартных режима базируются на перечисленных выше основных: S4 и S5 отличаются от S3 учетом динамических моментов при пуске и торможении, S6 и S7 соответствуют S1, но при переменной нагрузке (S6) и с учетом пуска и торможения (S7). Стандартный режим S8 отражает самый общий случай периодического изменения М и w.






