Особенности устройства и действия контактных взрывателей электрического типа
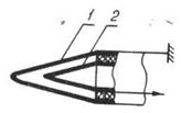
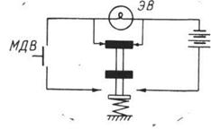
Как уже отмечалось, взрыватели электрического типа срабатывают при прохождении тока через электровоспламеннтель. Принципиальная схема боевой электрической цепи такого взрывателя представлена на рисунке 14.22. По истечении времени взведения срабатывает МДВ, а в момент встречи с преградой замыкается контактное устройство (КУ), связывающее источник тока (Б) с электровоспламенителем (ЭВ). В зависимости от сил, используемых для замыкания КУ, они подразделяются на КУ реакционного и инерционного типа. КУ реакционного типа состоят из двух электродов, к которым подключается запальная цепь. В исходном состоянии они изолированы, находясь на некотором расстоянии друг от друга. В момент встречи с преградой электроды, подключают электровоспламеиитель к источнику питании. Конструктивно КУ реакционного типа выполняются по-разному: к виде сминаемого колпачка, внутри которого находится изолированный от него воздухом контактный стержень (рисунок 14.23), в виде сминаемого обтекателя головной части 1, изолированного от внутреннего электрода-колпачка 2 конической формы (рисунок 14.24), либо в виде электрического жгута, провод 2 сердцевины которого изолирован от наружной металлической оплетки 3, а в момент удара специальный металлический нож 1, врезаясь в жгут, замыкает сердцевину с оплеткой (рисунок 14.25).
Инерционные КУ состоят из неподвижного и подвижного электрода (движка). В большинстве конструкций подпружиненный движок своими контактами замыкает боевую цепь при движении вперед под действием инерционных сил (рисунок 14.26). При этом в исходном положении, касаясь верхних контактов схемы, движок своими контактами шунтирует цепь электровоспламенитсля, повышая степень предохранения взрывателя. К инерционным КУ относятся также вибрационные замыкатели (рисунок 14.27), состоящие из шарика, припаянного к упругому стержню из стальной проволоки и полого цилиндра. При встрече бомбы с преградой шарик под действием сил инерции, совершая колебания, коснется полого цилиндра и замкнет боевую цепь.
Для питания запальной и других цепей взрывателя могут быть использованы бортовая электросеть самолета или ракеты (внешний источник) и источники, входящие в конструкцию взрывателя в виде электробатареек, пьезогенераторов и магнитно-импульсных генераторов (внутренние источники).
У взрывателей, использующих энергию бортовой сети самолета, роль источника тока играет конденсатор, который заряжается в момент сбрасывания бомбы (пуска ракеты) от специального зарядного устройства самолета. Такие взрыватели называются взрывателями конденсаторного типа.
Все электрические взрыватели, кроме контактных устройств и источников тока, содержат также и огневую цепь, механизмы дальнего взведения и предохранительные устройства, назначение которых, принцип действия и устройство не отличаются от соответствующих узлов механических взрывателей. Исключением являются лишь электрические взрыватели конденсаторного типа, в которых действие механизма дальнего взведения может быть основано на электрическом принципе.
|
|

Рисунок 14.22. Принципиальная схема боевой цепиэлектрического взрывателя
|
Рисунок 14.23. Сминаемый колпачок контактного устройства
|

Рисунок 14.24. контактное устройство в виде сминаемого обтекателя головной части
|
Рисунок 14.25. Контактное устройство в виде разрезаемого электрожгута

Рисунок 14.26. Контактное устройство инерционного типа
|
Рисунок 14.27 Виброзамыкатель






