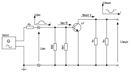
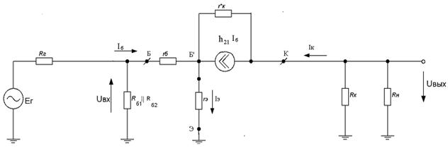
Эквивалентная схема усилителя с общим эмиттером по переменному току в области средних частот.

4.1 Эквивалентная схемы рисунков 4 и 5 иллюстрируют, что в области средних частот в расчетах УУ нет необходимости учитывать:
· реактивные сопротивления блокировочной емкости Сэ в цепи эмиттера;
· реактивные сопротивления разделительных емкостей входной и выходной цепей (Cрб, Срк),
Блокировочная и разделительные емкости при правильных расчете и выборе номинальных значений существенно меньше сопротивления Rэ и активных составляющих входного и выходного сопротивлений усилителя.;
· инерционные свойства транзисторов на средних частотах.

Рисунок 5 –Схема замещения - эквивалентная электрическая схема УУ по переменному току в области средних частот на биполярном транзисторе по схеме «ОЭ» без ООС
·.
5.Расчетные соотношения коэффициента усиления, входного и выходного сопротивлений по эквивалентной схеме УУ по схеме «общий эмиттер» в области средних частот.
;







