Классификация УУ по типу включения усилительных элементов
1.1 Типы используемых транзисторов:
· Биполярные n-p-n и p-n-p транзисторы.
· Полевые транзисторы с управляющими p-n переходами, с каналам n- типа и с каналами p- типа;
· Полевые МОП-транзисторы со встроенными (легированными) каналами
n- типа и p-типа;
· Полевые МОП-транзисторы с индуцированными (наведенными) каналами
n- типа и p-типа (применяются в основном в импульсных усилителях мощности).
1.2 УУ на биполярных транзисторах по схемам ОЭ, ОБ, ОК.
1.3 УУ на полевых транзисторах по схемам ОИ, ОЗ, ОС.
..\ЛК№1_СХ\ВАХ_транзисторы.doc
2. УУ по схеме «общий эмиттер» без обратной связи на биполярных транзисторах

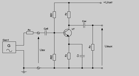
Рисунок 1 – Принципиальная электрическая схема УУ на биполярном транзисторе по схеме «ОЭ» без ООС по переменному току и с последовательной ООС по постоянному току для стабилизации рабочей точки

Рисунок 2 - Эквивалентная схема усилителя ОЭ по постоянному току
В схеме рисунка 2 согласно теореме об эквивалентном генераторе определяются эквивалентные параметры входной цепи по постоянному тока:
; 

Рисунок 3 - Входные статические характеристики транзистора Iб=f(Uбэ) с нагрузочными прямыми.
3.1 Рабочая точка по постоянному току (точка покоя) во входной цепи (при известных сопротивлениях в цепи базы) находится графоаналитическим способом пересечением графика входных ВАХ Iб=f(Uбэ) и графика входной нагрузочной прямой, которая строится по двум точкам из системы уравнений:
; при Iб=0;
Iб=
; при Uбэ=0.

Рисунок 4 - Выходные статические характеристики транзистора с нагрузочной прямой по постоянному току
3.2 Рабочая точка по постоянному току (точка покоя) в выходной цепи усилителя находится графоаналитическим способом пересечением графика выходных ВАХ Ik=f(Uкэ ) и графика выходной нагрузочной прямой, которая строится по двум точкам из системы уравнений:
≈
≈ Uпит; при Ik=0;
Ik=
; при Uкэ=0.






