Общие сведения и функциональная схема ОУ
Генераторы ошибок усиления постоянных и медленноменяющихся сигналов
Функциональная схема дифференциального усилителя (ДУ) и принцип действия
Общие сведения и функциональная схема ОУ.
3. Коэффициент усиления ДУ

1.2 ОУ являются аналоговыми ИС и используются практически повсеместно. В настоящее время ОУ используются практически во аналоговых, аналого-цифровых и цифро-аналоговых устройствах, в широкополосных и импульсных усилительных устройствах. Первые ИС ОУ проектировались по 3-х каскадной схеме.

Рисунок 1 - Функциональная схема 3-х каскадного операционного усилителя без ООС
ДУ – дифференциальный усилитель с Rвх;
УН – усилитель напряжения с Ко ³ 100;
УМ - усилитель мощности с Рвых.
1.3 Современные ОУ строятся по 2-х каскадной схеме, что обеспечивает более высокую устойчивость к возбуждению в широкой полосе частот (ДУ и УН совмещены в таких усилителях и АЧХ имеет не более 2-х изломов с наклоном ≈20 дб/дек). Основным узлом, определяющим основные входные параметры ОУ, является дифференциальный усилитель (ДУ).
2. Функциональная схема дифференциального усилителя и принцип действия.
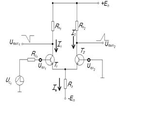
2.1 Дифференциальный транзисторный каскад усиливает разность входных сигналов, которая подается между входами ДУ, называется дифференциальным сигналом.

| Рисунок 1 - Схема дифференциального каскада |
2.2. Uвых1 – инвертирующий выход для первого входа, т.к. при увеличении Uc1 ® I1 ® Uвых1¯;
Uвых2 – неинвертирующий выход для первого входа, т.к. Uc1 ® I2¯ ® Uвых2
В этом случае T1 – каскад ОЭ, а (T1 + T2 ) - каскод (двойка) ОК – ОБ относительно входов Uвх1
Для второго входа все наоборот, T2 – каскад ОЭ, а (T2 + T1) - каскод ОК – ОБ относительно входа Uвх2
2. 3 Принцип действия. Подадим на один из входов линейно-нарастающее напряжение, а второй вход соединим с общей шиной.
Рисунок 2 - Схема ДУ с несимметричным включением по входному сигналу.
![]() |

Рисунок 3 – Зависимость выходных напряжений от изменений входного напряжения
При входном сигнале UC = UC огранич I1 = I0; I2 = 0. Транзистор Т1 входит в насыщение, а транзистор Т2 в режим отсечки.
2.4 Условия работы для идеального ДУ:
- Сопротивление Rэ с источником - Eп образует генератор стабильного тока: I0=(Eп- - Uбэ)/ Rэ ;
- Eп- и Rэ должны быть стабильны.
- b1=b2>>1;
- Rк1=Rк2 .
2.5 Баланс для идеального ДУ Uвых1= Uвых2 выполняется, если:
Uc1=Uc2; Rc1= Rc2 ; I кт1= I кт2 ;
Uбэ1=Uбэ2; b1=b2; Rк1=Rк2 .
В этом идеальном случае ток I0 делится пополам между цепями двух транзисторов и на выходах устанавливаются напряжения:
Uвых1= Uвых2=Eп+ - Rk·(I0|2)
3.1 Дифференциальный коэффициент усиления, определяемый как отношение разности выходных напряжений к дифференциальному сигналу по входу

;

где: КД – дифференциальный коэффициент усиления;
KИ – коэф. усиления инвертирующего усилителя (ОЭ);
КНИ – коэф. усиления неинвертирующего усилителя (ОБ);
rЭ -
- сопротивление эмиттера.
