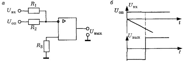
Компаратор сигнала на операционном усилителе с опорным напряжением
Погрешность определения входного напряжения
Неопределенный диапазон входного сигнала








3 Однопороговый компаратор на ОУ с ключевым каскадом
.

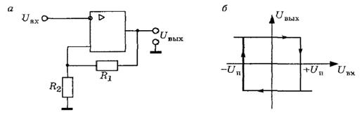
Положительная обратная связь вводится для устранения ложных срабатываний от шумов и помех.


Пусть опорное напряжение равно нулю. Если R1<<R2, то на входе будет напряжение положительной обратной связи. Смена состояния выходного уровня происходит, когда входное напряжение превышает по абсолютной величине пороговое напряжение

Следовательно







