Распределительная арматура; 4- хомуты
Внешняя рабочая арматура; 2- внутренняя рабочая арматура;
а)

б)

в)


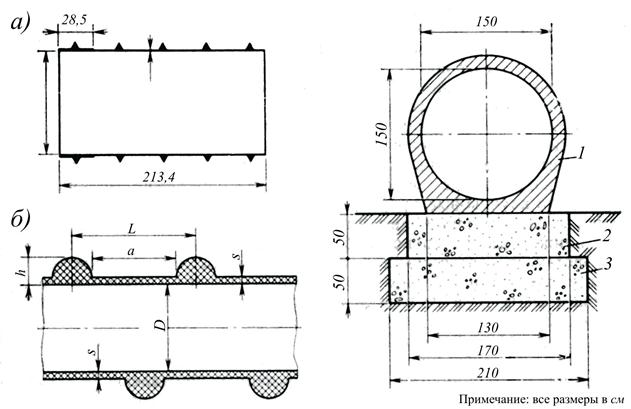
Рис. 8. Длинномерные звенья труб:
а – раструбные (тип ТРС и РТБ);
б - раструбные (типа РТ); в - фальцевые


Рис. 9. Стыки звеньев труб с обмазочной гидроизоляцией
а –гладкие звенья; б -раструбные звенья;
1- звено трубы; 2- отделочной слой из горячей битумной мастики толщиной 1,5-3мм; 3-мешковина или щелочестойкая стеклоткань; 4- горячая асбоцементная или асбестобитумная мастика; 5- битумный лак; 6- цементный раствор; 7- пакля, пропитанная битумом; 8- горячая асбестобитумная мастика

Рис. 10. Схемы сборных прямоугольных железобетонных труб:
а - одноочковая из сборных звеньев; б и в – одно- и двухочковая из сборных элементов; г – армирование звена
.

Рис. 11. Поперечные сечения металлических гофрированных труб:
а – круглая; б – эллиптическая; в – овоидальная; г - труба-арка; д - арочная мост-труба
Металлические гофрированные трубы обладают целым рядом преимуществ по сравнению с бетонными. Среди них:
|
|
|
- оптимальное соотношение веса и несущей способности;
- повышенная сейсмостойкость и сопротивление разрушению;
- устойчивость к значительным перепадам температур;
- высокая приспособляемость к изменяющимся грунтовым условия;
- высокая транспортабельность (в ж/д вагон загружается около 350 погонных метров трубы диаметром 1.5 м);
- снижение совокупных затрат на 30 – 60%;
- высокая скорость монтажа сооружений и т.д.

Рис. 12. Металлическая гофрированная водопропускная двухочковая труба отверстием 2×1,5 м:
а - общий вид; б – продольный разрез; в – поперечный разрез;
1 – верхняя отметка грунтовой призмы; 2 – грунтовая призма; 3 – гофрированная труба; 4 – асфальтобетонный лоток; 5 – бетонный блок противофильтрационного экрана; 6 – лекальный бетонный блок оголовка; 7 – гравийно-песчаная подушка

Рис. 13. Конструкция гофрированной металлической трубы с жестким слоем:
а – из монолитного бетона; б – из сборных линейных элементов (обломки свай);
1 – труба; 2 – жесткие железобетонные элементы с заполнением из щебня; 3 – заполнение песком; 4 – защитный лоток из асфальтобетона; 5 – гравийно-песчаная подушка; 6 – монолитный бетон

Рис. 14. Элементы металлических гофрированных труб:
1 – поперечный стык; 2 – гофрированный элемент; 3 – болты; 4 – продольный стык; 5 - фланец

Рис. 15. Трубы из чугуна и полимерных материалов:
а – продольный разрез крайнего звена чугунной трубы; б – труба из поливинилхлорида; в – полимербетонная труба;
1 – тело трубы; 2 – бетонный фундамент; 3 – песчано-гравийная подушка






