Это классические осциллографы, обладающие невысокой точностью и скромными возможностями.
Старые модели аналоговых осциллографов имели в качестве дисплея электронно-лучевую трубку (ЭЛТ на рис.15.3). Аналоговые осциллографы достойны нашего внимания ввиду наглядного представления основных принципов устройства, которые используются и в современных приборах.

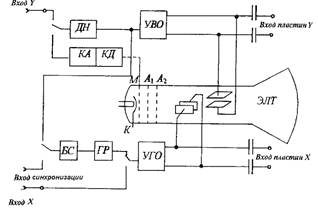
Рис.15.3 Структурная схема аналогового осциллографа.
На схеме обозначено в канале по “Входу Y”:
КА- калибратор амплитуды (генератор импульсов фиксированных амплитуды и периода),
КД- калибратор длительности,
ДН- делитель напряжения,
УВО –усилитель для вертикального отклонения луча.
По «Входу X»:
УГО –усилитель для горизонтального отклонения луча.
По «Входу синхронизации»:
БС –блок синхронизации.
ГР –генератор развертки.
Принцип развертки поясняется рис.15.4. По оси x луч перемещается под действием пилообразного напряжения, т.е. циклически пропорционально времени. По оси y луч перемещается пропорционально мгновенному значению исследуемого сигнала.

Рис.15.4 Принцип развертки изображения на экране осциллографа.






