Схема управления пуском АД с фазным ротором
Схема реверсивного управления асинхронным двигателем.
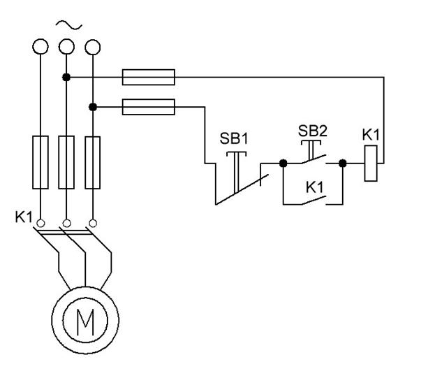
Схема нереверсивного управления пуском АД

Для пуска двигателя необходимо нажать на кнопку «ПУСК» – SB 2. При этом линейное напряжение подается на катушку контактора К 1. Замыкаются главные контакты К 1 в цепи статора двигателя и двигатель запускается. Одновременно замыкается вспомогательный контакт К 1, шунтирующий кнопку «ПУСК» SB 2. Этот контакт удерживает катушку К 1 под напряжением при размыкании кнопки «ПУСК» SB 2. Отключение двигателя осуществляется нажатием на кнопку «СТОП» SB 1. В этом случае размыкается контакт SB 1, обесточивается катушка, размыкаются контакты К 1 силовые и вспомогательный. Двигатель отключается от сети. Для защиты от токов короткого замыкания предусмотрены предохранители в цепи обмотки статора.

При включении рубильника Q двигатель не запустится, т. к. в цепи статора разомкнуты контакты К 1, К 2. Для пуска двигателя необходимо нажать кнопку «Пуск» SB 2 (пуск вперед). При этом катушка магнитного пускателя К 1 оказывается под линейным напряжением, по ней протекает ток и, следовательно, замыкаются силовые контакты К 1 в цепи обмотки статора, нормально открытый контакт К 1, шунтирующий кнопку SB 2, что позволяет отпустить кнопку SB 2 и ток в цепи катушки будет проходить по блок-контакту К 1. Одновременно размыкается нормально закрытый блок-контакт К 1 в цепи катушки контактора К 2, приводя разрыв цепи катушки К 2, который нужен для того, чтобы при ошибочном одновременном нажатии кнопок SB 2 и SB 3 не сработали сразу оба контактора, что привело бы к короткому замыканию силовой цепи.
|
|
|
При замыкании силовых контактов К 1 обмотка статора оказывается под напряжением и двигатель начинает вращаться. Для остановки двигателя необходимо нажать кнопку SB 1.
При нажатии на кнопку SB 3 двигатель будет вращаться в другую сторону, так как силовые контакты К 2 обеспечивают изменение чередования фаз.
От коротких замыканий двигатель защищен предохранителями F 1.

При пуске контакты аппаратов управления находятся в положении, указанном на схеме.
При включенном рубильнике Q для пуска двигателя необходимо нажать на кнопку «ПУСК» SB 2. Тогда на катушку контактора подается линейное напряжение сети, катушка обтекается током и замыкаются нормально разомкнутые контакты в силовой цепи К 1 и блок контакт К 1, шунтируюший кнопку «ПУСК» SB 2.
С выдержкой времени на замыкание включается контакт К 1 в цепи контактора К 2. На катушку контактора К 2 подается линейное напряжение, протекает ток и замыкаются н. о.контакты К 2 в цепи ротора двигателя. Первая ступень пускового реостата выводится.
|
|
|
С выдержкой времени на замыкание включается н. о. контакт К 2 в цепи контактора К 3. На катушку контактора К 3 подается линейное напряжение, протекает ток и замыкаются н. о.контакты К 3 в цепи ротора двигателя. Вторая ступень пускового реостата выводится.
С выдержкой времени на замыкание включается н. о. контакт К 3 в цепи контактора К 4. На катушку контактора К 4 подается линейное напряжение, протекает ток и замыкаются н. о.контакты К 4 в цепи ротора двигателя. Третья ступень пускового реостата выводится. Ротор закорачивается накоротко. Пуск двигателя окончен.






