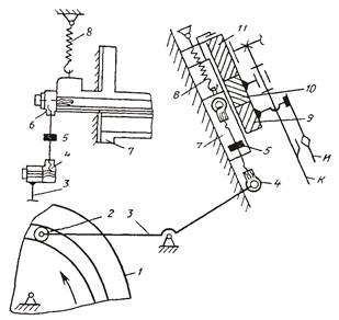
Кинематическая схема механизма швейной каретки показана на рис. 45.
На швейной каретке 7 находятся швейные иглы И и крючки К, а также средства их крепления и управления их работой. При шитье каретка 7 опускается и вводит концы швейных инструментов внутрь тетради. Достигнув нижнего положения, каретка 7 немного приподнимается, чтобы ослабить натяжение нити, введенной иглой, и отвести нить от иглы, что позволяет шиберам захватить нить и растянуть ее к крючкам.
Каретка 7 состоит из двух соединенных планок 9 и 10, на которых закреплены швейные иглы и крючки, и зубчатой рейки 11, установленной на направляющих станины под определенным углом к горизонтали и совершающей возвратно-поступательное движение. На каретке 7 имеются горизонтальные пазы, один из них служит направляющей для зубчатой рейки 11, при возвратно-поступательном движении которой крючки поворачиваются. В другом пазу установлена игольная планка 9, на которой крепятся держатели игл. Каретка 7 получает возвратно-поступательное движение от двусторонних пазовых кулаков 1 через ролики 2, коромысла 3, серьги 4 и 6 и стяжки 5. Изменяя длину стяжек 5 при помощи винтовых устройств в серьгах 4 и 6, можно регулировать глубину входа игл и крючков внутрь качающегося стола. Пружины растяжения 8 уравновешивают массу каретки 7, прижимают ролики 2 к нижнему профилю кулаков 1, устраняют влияние зазоров в кинематических парах, уменьшая износ кулаков 1.
|
|
|

Рис. 45. Кинематическая схема механизма швейной каретки
В процессе шитья швейные иглы и крючки, перемещаясь вместе с кареткой 7, совершают и самостоятельные движения: крючки вращаются, а швейные иглы движутся в горизонтальном направлении возвратно-поступательно (только при переплетных стежках).






