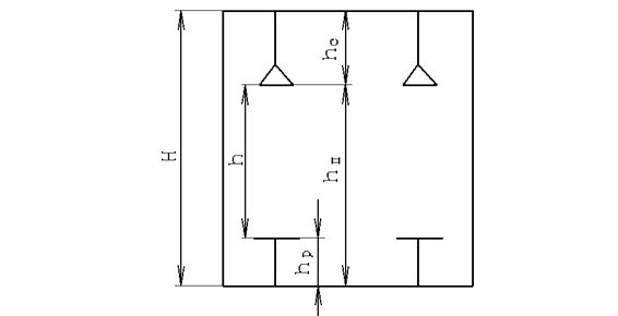
Выбор расположения светильников является одним из основных вопросов проектирования электрического освещения, влияющим на экономичность и качество освещения на удобство его эксплуатации. На рисунке 2 показано расположение светильников по высоте помещения.

Рисунок 2 - Расположение светильников по высоте помещения
Расчетная высота, h, определяется по формуле:
| (2) |
где H - высота помещения (при ферменном перекрытии - высота до затяжки ферм, м;
hс - расстояние светильников до потолка, м;
hр - высота рабочей поверхности над полом, м;
hп - высота светильника над полом, м, hп = H - hс.
Немаловажным является также расположение светильников в плане. При общем равномерном освещении выгоднейшим вариантом расположения является расположение светильников ЛН и ДРЛ по сторонам квадрата, прямоугольника или по вершинам равностороннего треугольника (рисунок 3, а), светильники на две или три ЛЛ располагают сплошными или прерывистыми рядами (рисунок 3, б).

L - расстояние между соседними рядами светильников или рядами ламп (если по длине они различны, то соответственно La, Lb);
|
|
|
l - расстояние от крайних светильников или рядов светильников до стен, рекомендуется принимать l = (1/3 - 1/2) L.
Рисунок 3 - Схемы размещения светильников
Основное требование при выборе расположения светильников заключается в доступности их при обслуживании: hп < 5 м, при обслуживании с лестниц или стремянок; на уровне ферм при обслуживании с кранов и так далее.
В зависимости от формы кривой силы света /7/, которая определяется типом светильника, рекомендуются следующие примерные отношения расстояния L к высоте h:
| (3) |
Значения относительных расстояний между светильниками, l, обеспечивающие максимальную равномерность освещения приведены в таблице 1:
Таблица 1 - Наивыгоднейшие значения относительных расстояний l
| Светильники с ЛН | l0 | Светильники с ЛЛ | l0 |
| Универсаль Универсаль с затенителем Глубокоизлучатель (Гэ) Глубокоизлучатель (Гс) Глубокоизлучатель (Гк) Люпетта Шар молочного стекла Кольцевые подвесные светильники Плафон одноламповый Плафон ПГТ ПУ без отражателя | 1,9 1,8 1,7 1,1 0,8 1,6 2,8 1,7 2,6 2,1 2,5 | ЛД, ЛДР, ЛДО, ЛДОР (ОД, ОДО, ОДОР), ПВЛ-6, ВЛО, ПЛУ, НОТЛ, ПЛ-1 ВОД, ВЛН, ПВЛ-1 ШОД, ШЛП | 1,4 1,5 1,3 |
При размещении светильников по углам прямоугольника эквивалентное расстояние определяется:
| (4) |
Определив по таблице L, задаются La или Lb и находят недостающий параметр из /7/.
Светильники с ЛЛ необходимо размещать рядами параллельно длинной стороне помещения со световыми проемами. Расстояние между рядами, Lb, также определяется из выражения (4):
| (5) |

При общем освещении рабочих помещений светильниками с ЛЛ для создания равномерного освещения следует размещать светильники рядами. Светильники могут располагаться рядами с разрывом, величина которого определяется расчетом.
|
|
|
Расстояние от потолка до светильника, hс обычно принимается от 0,5 до 0,7 м (в жилых и общественных зданиях пониженной высоты - (от 0,3 до 0,4 м).






