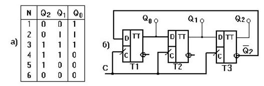
Кольцевые счетчики. На базе регистров сдвига можно построить кольцевые счетчики - счетчики Джонсона. Счетчик Джонсона имеет коэффициент пересчета, вдвое больший числа составляющих его триггеров. В частности, если счетчик состоит из трех триггеров (m=3), то он будет иметь шесть устойчивых состояний. Счетчик Джонсона используется в системах автоматики в качестве распределителей импульсов и т.д.
Таблица состояний счетчика Джонсона (рис. 3.29) содержит 2m (m - количество триггеров в составе регистра) строк и m-столбцов. Количество разрядов счетчика определяется количеством триггеров (рис. 3.29). Рассмотрим схему трехразрядного счетчика Джонсона, выполненного на базе D-триггеров (регистр сдвига реализован на D-триггерах). Для построения кольцевого счетчика достаточно соединить инверсный выход последнего триггера регистра (последнего разряда) с входом “D” (с входом, предназначенным для ввода последовательной информации) первого триггера.


Рис.7.1. 3.29. Таблица состояний а) и схема б) счетчика Джонсона на трехразрядном регистре сдвига
|
|
|
Предположим, что вначале все триггеры находятся в состоянии “0”, т.е. Q0= Q1=Q2=0. При этом на входе “D” первого триггера присутствует уровень “1”, т.к
=1. Первым синхроимпульсом в триггер Т1 запишется “1”, вторым - единица запишется в первый триггер, из первого - во второй и т.д. до тех пор, пока на всех выходах регистра не будет “1”. После заполнения регистра единицами, на инверсном выходе триггера Т3 появится
=0 и четвертым синхроимпульсом в Т1 запишется логический “0” (рис. 3.29, б).
После поступления последующих трех синхроимпульсов регистр обнуляется и на его вход “D” снова подается уровень “1”. Таким образом, цикл повторения состояния кольцевого счетчика состоит из шести тактов синхросигнала. Как видим, при работе в начале от первого триггера до последнего триггера распространяется “волна единиц”, а затем “волна нулей”. Код, в котором работает счетчик Джонсона, называют кодом Либау-Крейга.
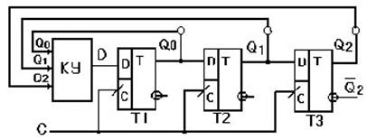
Генераторы чисел. На базе кольцевых счетчиков можно реализовать генераторы различных двоичных чисел. Вывод генерируемых чисел можно осуществлять как в параллельном, так и в последовательном коде.
В качестве примера рассмотрим работу трехразрядного (очевидно, что количество разрядов может быть и более трех) генератора чисел, реализованного на базе D-триггеров. Генератор чисел представим как совокупность трехразрядного регистра сдвига и комбинационного устройства КУ, выходной сигнал которого служит “источником” информации для регистра сдвига (рис. 3.30). Входными переменными КУ являются выходные сигналы разрядных триггеров регистра сдвига Q0, Q1, Q2. Цикл повторения чисел определяется 2m - тактами синхросигнала (максимальный цикл). В таблице состояний генератора чисел использованы (рис. 3.31, а) следующие обозначения: Nп - десятичный эквивалент двоичного числа, реализуемого в параллельном коде; D - функция аргументов Q0, Q1, Q2. Эту функцию можно рассматривать как последовательный код. Для получения минимальной дизъюнктивной формы записи функции D построим карту Карно (рис. 3.31, б).
|
|
|

Рис. 7.2. 3.30. Структурная схема трехразрядного генератора чисел на D - триггерах

Рис. 7.3.
Схема комбинационного устройства содержит три элемента конъюнкции и один элемент дизъюнкции (рис. 3.32). При построении схемы КУ дополнительные инверторы не потребуются, т.к. триггеры регистра имеют как прямые, так и инверсные выходы.
Использование регистров сдвига в кольцевых схемах представляет практический интерес, так как его структурные схемы состоят из повторяющихся триггерных цепей, обладают наращиваемостью и пригодны для различных применений.

Рис 7.3.
В приложениях приведены схемные обозначения и нумерация выводов регистров, выпускаемых в интегральном исполнении.

Рис. 7.4 Практическое построение счетчика на любую систему счисления.
Вопросы по теме
1. счетчик Джонсона
2. Генератор чисел кольцевой счетчик
3. Универсальный счетчик
4. делители