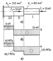
Рис.2.16
Решение.
Пример 8.
Проверить прочность чугунного бруса (рис.2.16, а). Принять
=150 МПа;
=650 МПа, допускаемый коэффициент запаса прочности
= 4.
Строим эпюры продольных сил
и нормальных напряжений
(рис.2.16, б и в).

Напряжения на участках бруса



Так как материал бруса имеет различную прочность при растяжении и сжатии, проверку прочности следует выполнять для сжатого и растянутого участков, несмотря на то, что на участке
напряжение значительно больше по абсолютному значению.
Коэффициенты запаса прочности

- прочность обеспечена;

- прочность обеспечена.
Из решения задачи можно сделать следующие выводы:
1) прочность стержня не обеспечена, так как на одном его участке коэффициент запаса прочности меньше требуемого;
2) на участках
и
коэффициент запаса прочности завышен, следовательно, эти участки бруса можно сделать меньшего диаметра. При проектировании элементов конструкций следует стремиться к тому, чтобы во всех сечениях коэффициент запаса прочности был равен или близок к требуемому.
|
|
|
Проверку прочности бруса можно было выполнить, используя условие прочности в виде
, определив предварительно допускаемые напряжения по формулам
;
.






