Требования к защите от поражения электрическим током
В сетях как с изолированной, так и с заземленной нейтралью предъявляются очень высокие требования к защите человека от поражения электрическим током.
Существует определенный порог тока, который человек начинает ощущать, и тока, который приводит к необратимым последствиям:
1 мА – ощутимый ток;
10 мА – неотпускающий ток;
50 мА – фибриляционный ток.
Величина тока, протекающего через тело человека, определяется ЭДС и внутренним сопротивлением источника и сопротивлением тела человека. При расчетах минимальное значение сопротивления человека Rч ~ 200 Ом.
Для сетей с изолированной нейтралью характерно длительное появление напряжения прикосновения и шагового напряжения (рис. 2.12).
|
|
Рис. 2.12. Напряжение растекания
Эти напряжения представляют собой относительную опасность и регламентируются величиной сопротивления защитного заземляющего устройства. Гораздо большую опасность вызывает прикосновение к токоведущим частям. Например, при прикосновении к выводу трансформатора (рис. 2.13) (испытание обратным напряжением) необходимо учитывать влияние емкости вывода и обмотки относительно земли.

IC
Рис. 2.13. Поражение человека емкостным током в сети переменного тока
Емкостное сопротивление вывода относительно земли (рис. 2.13):
; (2.15)
Тогда ток, протекающий через тело человека,
. (2.16)
Пример: U = 10 кВ;
.
Тогда емкостное сопротивление цепи
, ток через человека
I = 3 мА. Как видно, ток является ощутимым даже при очень малой емкости вывода и обмотки относительно земли. При прикосновении к токоведущим частям систем с изолированной нейтралью емкость электрически связанной сети значительно выше. Можно показать, что ток через тело человека при прикосновении практически равен току замыкания на землю и может достигать десятков ампер.
В сетях с заземленной нейтралью напряжением до 1 кВ широко применяется защитное отключение участка сети при повреждении изоляции и прикосновении человеком токоведущих частей с помощью устройства защитного отключения (УЗО) [22].
3. ХАРАКТЕРИСТИКИ И ПАРАМЕТРЫ ПЕРЕХОДНОГО ПРОЦЕССА
3.1. Переходный процесс в простейших трехфазных цепях
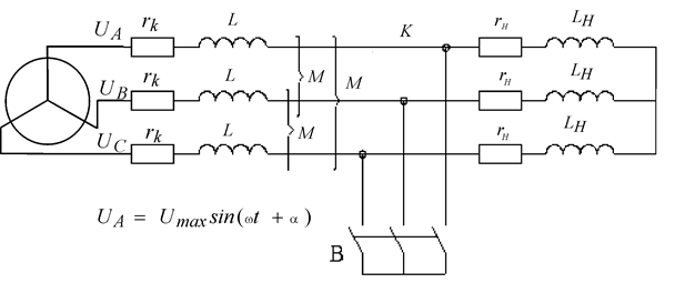
Трехфазная цепь называется простейшей, если она состоит из сосредоточенных активных и индуктивных сопротивлений и не имеет трансформаторных связей. Характер электромагнитного переходного процесса при трехфазном КЗ зависит от степени удаленности точки КЗ от источников питания.
Рассмотрим короткое замыкание в точке, электрически удаленной от источников питания. КЗ, возникающие на ней, не оказывают существенного влияния на работу генераторов системы. Это обстоятельство позволяет считать напряжение системы неизменным. В этом случае шины источников питания называются шинами неизменного напряжения или шинами бесконечной мощности.
Допущения при расчете
1. Питание происходит от источника бесконечной мощности
, Um=const.
2. В цепи отсутствуют поперечные проводимости: активные, индуктивные и емкостные.
3. Короткое замыкание симметричное и металлическое (отсутствует дуга и переходное контактное сопротивление).
4. Цепь симметрична и взаимные индуктивности между фазами одинаковы.

Рис. 3.1. Схема замещения простейшей системы
Рассмотрим переходный процесс при трехфазном КЗ, вызываемом выключателем В (рис. 3.1). Ток режима, предшествующего короткому замыканию, может быть определен как:
. (3.1)
Проекции векторов напряжений и токов на ось времени определяют их мгновенные значения. Угол α между горизонталью и вектором UA называется фазой включения КЗ.
После включения выключателя В при КЗ (рис. 3.1) схема делится точкой КЗ на две части: правую и левую. Ток в правой части будет существовать до тех пор, пока энергия, запасенная в индуктивности LН,не перейдет в тепло в активном сопротивлении rН.
. (3.2)
а) б)
Рис. 3.2 а) векторная диаграмма; б) изменение токов в левой части
схемы простейшей системы
Дифференциальное уравнение равновесия в каждой фазе левого участка имеет вид:
(3.3)
Так как
, то
, (3.4)
откуда
(3.5)
или
. (3.6)
Решение состоит из принужденной (in) и свободной (ia) составляющих и имеет вид:
(3.7)
где
− постоянная времени цепи,
На рисунке 3.2: iу – ударный ток – наибольшее мгновенное значение тока;
I∞ – установившийся ток КЗ.
В момент времени t = 0: 
(3.8)
(3.9)
где
,
согласно рисунку 3.3.
Для других фаз выражения для тока подобны и в дальнейшем не приводятся.
Понятие симметричного КЗ условное и справедливо для амплитуд периодических составляющих, а апериодические составляющие в фазах различны. При определенных условиях в одной из фаз может отсутствовать переходный процесс.
Расчетные величины переходного процесса для случая отсутствия предшествующего тока и
приведены на рисунке 3.4

Рис. 3.4. Переходный процесс при трехфазном КЗ при отсутствии
предшествующего тока и 
3.2. Определение ударного тока КЗ
Возможны два подхода в нахождении условий возникновения максимального значения ударного тока КЗ: умозрительный и строгий.
В практических расчетах максимальное мгновенное значение полного тока КЗ или ударного тока КЗ находят при наибольшей апериодической составляющей (рис. 3.5). Это умозрительный подход.

Рис. 3.5. Условие максимума апериодической составляющей при КЗ
Условием максимума апериодической составляющей является отсутствие предшествующего тока при угле включения
, изображенном на рисунке 3.5.
С учетом этих условий выражение для ударного тока КЗ:
, 3.10)
где
− ударный коэффициент;
− действующее значение периодической составляющей тока в первый период КЗ.
Ударный коэффициент показывает превышение ударного тока над амплитудой периодической составляющей (рис. 3.4).
Это вычисление ударного тока не является строгим, так как полный ток зависит от времени и угла включения. Строгое условие максимального мгновенного значения тока можно получить нахождением экстремума выражения (3.9). При условии отсутствия предшествующего тока
. (3.11)
Приравнивая к нулю частные производные по времени и углу, получаем:

(3.12)
Система уравнений (3.12) решается методом исключения относительно времени t и угла α:
. (3.13)
Из треугольника сопротивлений рисунка 3.3:
. Так как
, (3.14)
то
. Напряжение в момент включения должно проходить через ноль, т.е. угол
.
Время наступления максимального значения находится решением системы уравнений (3.12) при
и оно меньше 0,01 с. Это условие иллюстрирует векторная диаграмма рис. 3.7.

Рис. 3.7. Условие максимума тока при КЗ
При
оба подхода совпадают.
В практике расчетов применяется первый подход. Ударный коэффициент чаще всего принимается равным
. В этом случае
, (3.15)
Типовые постоянные времени и ударные коэффициенты на шинах оборудования приведены в таблице 3.1.
Таблица 3.1
Типовые постоянные времени и ударные коэффициенты
| Наименование оборудования | Постоянная времени Т а, с | Ударный коэффициент k у |
| Турбогенератор | 0,1–0,3 | 1,95 |
| Блок генератор-трансформатор | 0,04 | 1,8 |
| ВЛЭП | 0,01 | 1,3 |
| КЛЭП | 0,001 |
В сетях низкого напряжения 0,4–0,66 кВ
.
Пределы изменения ударного коэффициента в простейшей цепи:
1.
,
,
.
2.
,
и
.
Таким образом
.
При КЗ на выводах батарей статических конденсаторов БСК (рис. 3.8) ударный коэффициент может быть больше 2.

а) б)
Рис. 3.8. КЗ на шинах БСК
а) схема замещения; б) векторная диаграмма






