При отсутствии у генератора системы АРВ расчет установившегося режима трехфазного КЗ сводится к решению задачи нахождения токов и напряжений в линейной схеме, в которой известны все сопротивления и ЭДС.
Расчет при отсутствии АРВ: Ток генератора при КЗ для расчетной схемы (рис. 5.6а) определяется
. (5.8)


а) б)
Рис. 5.6. Расчетная схема замещения без АРВ
Для нахождения тока
воспользуемся правилом эквивалентирования, согласно которому эквивалентные ЭДС, сопротивление и ток короткого замыкания определяются
(5.9)
При наличии АРВ возможны два режима (рис. 5.7а, б).
1. Режим номинального напряжения (рис. 5.7а). При этом система АРВ генератора справилась с подъемом напряжения, т.е.
. Ток КЗ (рис. 5.8а) будет определяться
. (5.10)
То есть имеет место далекое короткое замыкание, 
.

а) б)
Рис. 5.7. Расчетная схема замещения с АРВ
2. Режим предельного возбуждения. Система возбуждения генератора не справилась с подъемом напряжения, т.е.
. В этом случае ЭДС генератора по поперечной оси будет определяться предельным возбуждением, т.е. имеет место следующее соотношение:
.
Таким образом, ток короткого замыкания, согласно схеме рисунка 5.7б, равен
. (5.11)
Здесь имеет место близкое короткое замыкание 
.
При
справедливы обе формулы.
Приравнивая (5.10) и (5.11) при
, получим выражение для критического сопротивления:
. (5.12)
Пример:
. Тогда
, ток
.
Оба случая представлены на зависимости (рис. 5.8).

Рис. 5.8. Зависимости тока возбуждения, напряжения генератора и тока КЗ от 
Сложные схемы расчитываются методом последовательного приближения.
1. Для каждого из генераторов произвольно задаются режимом предельного возбуждения относительно места КЗ, т.е. водят генератор в схему с своими
и
либо
,
.
2. Производят расчет схемы и сравнивают наибольшие токи генераторов с их критическими токами. Для этого используются следующие критерии:
− режим номинального напряжения
;
− режим предельного возбуждения
.
При этом ток
, где
.
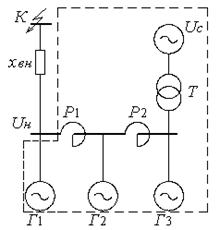
а)
б)
Рис. 5.9. Пример сложной развитой схемы
Если генератор работает в режиме номинального напряжения (рис. 5.9), обведенную штриховой линией часть схемы можно отбросить и определить ток КЗ, как показано на рисунке 5.9б:
. (5.13)