Аналоговых электронных устройств.
Качественные показатели и характеристики
1. Павлов В.Н., Ногин В.Н. Схемотехника аналоговых электронных устройств: Учебник для вузов – 2-е изд., исправ. – М.: Горячая линия – Телком, 2001.
2. Пряников В.С. Схемотехника аналоговых электронных устройств: Учебное пособие. 2-е изд., доп. Чебоксары: Изд-во Чуваш. ун-та, 2001.
3. Цыкина А.В. Электронные усилители. М.: Радио и связь, 1982.
4. Головин О.В., Кубицкий А.А. Электронные усилители. М.: Радио и связь, 1983.
5. Войшвилло Г.В. Усилительные устройства. М.: Радио и связь, 1983.
6. Проектирование усилительных устройств: Учеб. пособие / Под ред. Н.В. Терпугова. М.: Высш. шк., 1982.
7. Проектирование транзисторных усилителей звуковых частот: Учеб. пособие / Под ред. Т.В. Безладного. М.: Радио и связь,1987.
8. Алексеев А.Г., Войшвилло Г.В. Усилительные устройства: Сб. задач и упражнений. М.: Радио и связь, 1986.
9. Кубицкий А.А. Задачи и упражнения по электронным усилителям. М.: Радио и связь, 1986.
10. Варшавер В.А. Расчет и проектирование импульсных усилителей. М.: Высш. шк., 1979.
|
|
|
11. Остапенко Г.С. Усилительные устройства. М.: Радио и связь, 1989.
12. Цыкина А.В. Проектирование транзисторных усилителей низкой частоты. М.: Связь, 1967.
13. Схемотехника аналоговых электронных устройств: Метод. указания к курсовому проекту / Сост. В.С. Пряников; Чуваш. ун-т. Чебоксары, 2001.
Лекция 2
В курсе "Схемотехника аналоговых электронных устройств" рассматриваются основы аналоговой схемотехники, т.е. принципы построения аналоговых электронных устройств. АЭУ предназначены для аналоговой обработки сигналов. К ним относятся широкий класс усилительных устройств, дифференцирующие и интегрирующие устройства, логарифмирующие усилители, суммирующие и вычитывающие устройства и различного рода преобразователи. В курсе АЭУ подробно рассматриваются обеспечение режима и стабилизация рабочей точки, использование различных видов обратной связи.
Схемотехника аналоговых электронных устройств базируется на дисциплинах "Основы теории цепей", "Радиотехнические цепи и сигналы", "Электроника". Без твердого усвоения принципов построения АЭУ невозможно освоить специальные дисциплины.
Рассмотрим общую структурную схему АЭУ, которая приведена на рис.2.1. В состав аналоговых электронных устройств входит широкий класс усилителей. Усилителем называется устройство, управляющее передачей усиленной энергии от источника питания в нагрузку. Другими словами, усиление сигнала представляет собой процесс преобразования энергии источника питания в результате воздействия на него усиливаемого сигнала через усилительный элемент. Усиливаемый сигнал с незначительной мощностью Рвых управляет мощностью источника питания Ро, отдавая часть этой энергии Рвых в нагрузку.
|
|
|

Рис.2.1. Общая структурная схема АЭУ.
Устройство, с которого снимается усиливаемый сигнал, называется источником сигнала. В радиовещательной аппаратуре источником сигнала могут служить приемная антенна, предыдущий каскад приемника, микрофон, звукосниматель и т.д. Устройство, являющееся потребителем усиленных сигналов, называют нагрузкой усилителя. Нагрузкой усилителя могут быть акустическая система, телефон, последующий каскад усилителя и т.д. Источник управляемой энергии, преобразуемой усилителем в энергию усиливаемого сигнала, называют источником питания.
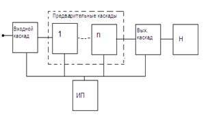
В свою очередь усилительное устройство состоит из входного, предварительного и выходного каскадов, рис. 2.2.

Рис.2.2. Структурная схема усилителя
Входной каскад кроме функции усиления выполняет функцию согласования с источником сигнала. Предварительные каскады предназначены для усиления сигнала по напряжению. Выходной каскад, как правило, усиливает сигнал по мощности и выполняет функцию согласования усилителя с внешней нагрузкой.
Усилительный каскад можно рассматривать как линейный четырехполюсник, имеющий пару входных и пару выходных зажимов, рис.2.3.

Рис.2.3. Функциональная схема усилительного устройства.
На основании теоремы эквивалентных схем любой источник сигнала, а также выходную цепь усилителя можно охарактеризовать напряжением холостого хода Ес и сопротивлением источника сигнала Rс. Источник сигнала подключается к входным клеммам усилителя.