Применение ОУ в устройствах аналоговой обработки сигналов
Лекция №20
Рассмотрим функциональную схему усилителя, представляющего усилитель с глубокой ОOC, рис.20.1

Рис. 20.1. Функциональная схема неинвертирующего усилителя
На неинвертирующий вход подается усиливаемый сигнал, на инвертирующий - напряжение обратной связи. Следовательно,
Uдвх= Uвх- Uос= Uвх (1- Uос/ Uвх)= Uвх (1-ßК¢),
где K¢ собственный коэффициент усиления ОУ.
Коэффициент усиления неинвертирующего усилителя с ООС определяется выражением
при bK¢>>1 K0=1/b =1+R1/R2, где 
Из этого выражения следует важный вывод, что при bK¢>>1 коэффицент усиления неинвертирующего усилителя не зависит от собственного коэффициента усиления ОУ, а определяется только цепью ООС.
При неинвертирующем включении имеет место последовательная ООС по напряжению. Такая ООС увеличивает Rвx и уменьшает Rвых:
Rвх=R¢вх(1+bK¢)=R¢вхK¢/K0;
Rвых=R¢ вх/(1+bК¢)= Rвх¢К0/К¢,
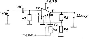
где R'вx и R'вых - паспортные данные входного и выходного сопротивлений ОУ. В качестве примера рассмотрим принципиальную схему неинвертирующего УНЧ, собранного на ОУ К140УД1А, рис. 20.2.
|
|
|

Рис. 20.2. Принципиальная схема УНЧ на основе операционного усилителя
Усиливаемый сигнал подается через разделительную цепочку C1, R1 на неинвертирующий вход (вывод 10). Эту цепочку рассчитывают по заданному значению fн. На инвертирующий вход (вывод 9) поступает Uoс с делителя R3, R4. Этот делитель определяет глубину ООС и коэффициент усиления Ко
;
.
С2 и R2 являются элементами внешней частотной коррекции, номиналами которых определяются АЧХ и полоса пропускания УНЧ.






