При анализе схем на основе ОУ будем пользоваться двумя допущениями: в идеальных операционных усилителях K¢® ¥, вследствие чего Uвхд®0, т.е. потенциал входов имеет виртуальный нуль; поскольку входное сопротивление ОУ бесконечно большое, Iвх®0.
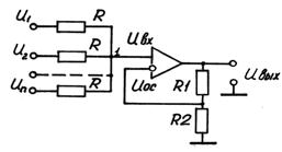
Сумматор строится на основе неинвертирующего усилителя с несколькими входами U1, U2,... Un, рис. 20.3

Рис. 20.3. Функциональная схема сумматора
Воспользуемся вторым допущением Iвх ® 0, при этом по закону Кирхгофа для узла 1 можно записать
,
или

На входе идеального операционного усилителя обеспечивается виртуальный (фактический) нуль, т.е. Uвx -Uoс=0. Следовательно,
Uвx=Uoс= Uвых R2 /(R1 + R2).
отсюда,
,
где
;
(20.1)
Из выражения 20.1 видно, что выходное напряжение определяется суммой входных сигналов.






