Амплитудно-частотная характеристика операционного усилителя. Коррекция ОУ
Лекция №19
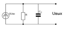
Напомним, что за счет шунтирующего влияния паразитной емкости собственный коэффициент усиления на верхних частотах уменьшается. Эквивалентная схема одного каскада в области высоких частот (ВЧ) представлена на рис.19.1.

Рис.19.1. Эквивалентная схема на ВЧ.
По этой эквивалентной схеме можно выразить амплитудно-частотную характеристику
(19.1)
где: fс частота среза (полюс), равная верхней граничной частоте
fc= 1/2pRC (19.2)
Из выражения (19.1) видно, что частотную характеристику такого каскада можно аппроксимировать двумя асимптотами, рис.19.2:
на нижних частотах, при f <<fc, f/fc << 1,
K(f) =K0;
на высоких частотах, при f >> fc, f/fc>>1, K(f)= К0 fc/f.

Рис. 19.2. Кусочно-линейная аппроксимация АЧХ (Диаграмма Боде)
Аппроксимированная АЧХ называется диаграммой Боде. В области высоких частот, т.е. f/fc >> 1, коэффициент усиления обратно пропорционален частоте. При увеличении частоты в 10 раз (декада) он уменьшается в 10 раз, т.е. на 20 дБ/дек.
|
|
|
Поскольку ОУ имеют большой собственный коэффициент усиления К¢» 105, то частотная характеристика K(f) строится в двойном логарифмическом масштабе. Переход к логарифмической единице при рассмотрении многокаскадных усилителей упрощает построение общей АЧХ, так как общий коэффициент усиления определяется простым сложением коэффициентов усиления отдельных каскадов. При построении фазовой характеристики используется кусочно-линейная или ступенчетая аппроксимация (рис.19.2.).
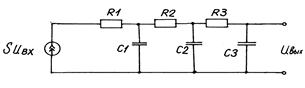
Операционный усилитель представляет собой многокаскадный усилитель состоящий из различных по структуре каскадов. Поэтому общую эквивалентную схему ОУ можно представить как эквивалентный генератор, нагруженный на несколько RC-цепей, рис.19.3.

Рис. 19.3. Эквивалентная схема операционного усилителя
Обычно число таких цепей соответствует числу каскадов. Частоты срезов (полюса) для данной эквивалентной схемы определяются:

(19.3)
Аппроксимированная АЧХ ОУ строится сложением коэффициентов усиления отдельных каскадов, рис.19.4.
Пусть fc1 =104 Гц, fc2 =105 Гц, fc3 =106 Гц
При частотах f<fc, K'0дб =К¢01дб +К02дб +К03дб.
При fс1<f <fc2 К¢(f) определяется R1C1 и имеет спад - 20 дБ/дек;
при fс2<f <fc3 суммируется влияние R1C1 и R2C2, спад K(f) – 40 дБ/дек;
при f > fс3 суммируется влияние всех трех звеньев и спад K(f) –60дБ/дек.
Надо отметить, что рабочая область K(f) ОУ простирается до частоты единичного усиления fТ, на которой K(f)=1(К дБ = 0),
Из фазовой характеристики ОУ (рис.19.4) видно, что на fc1j =45° на fc2- 135°. При f > fc2, т.e. при f=fkp, j=-180°
Это означает, что на данной частоте ООС превращается в ПОС, что приводит к самовозбуждению усилителя.
|
|
|

Рис. 19.4. Построение АЧХ операционного усилителя






