Полосовые фильтры могут быть построены с использованием двухзвенного RC-фильтра ФНЧ и ФВЧ, рис.21.7.


Рис. 21.7. Полосовой АФ второго порядка и его АЧХ
Рассмотрим аппроксимированную АЧХ
;
,
обозначив через t1=R1C1 и t2=R2C2
,
Из этого выражения можно найти частоты нулей. При ω<<1/t1
;
; при ω2<<1/t2 ω2 =1/R1C2.
Частоты среза определяются
; 
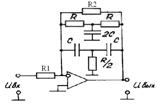
Для реализации полосовых АФ широкое применение находят двойные Т-фильтры, т.е. 2Т-фильтры, рис.21.8.
В этой схеме 2Т-фильтр включен в цепь ООС. Следовательно при 100% ООС на всех частотах кроме f0 , Uвых полностью поступает на инвертирующий ход. В следствие чего это устройство работает как повторитель напряжения (К=1; КдБ=0). Так цепь ООС преобразовывает заграждающий фильтр в полосовой.
На квазирезонансной частоте f0 =1/(1/2pRC) отсутствует ООС по цепи 2Т-фильтра ООС возникает через делитель R1R2. Отношением этих резисторов определяется К0. В результате имеем резонансную характеристику, приведенную на рис.12.8.


Рис. 21.8. Полосовой АФ с 2Т - фильтром в цепи ООС и его АЧХ
|
|
|
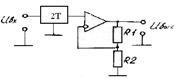
Для построения заграждающего (режекторного) АФ 2Т-фильтр включают в цепь межкаскадной связи, рис.21.9.


Рис.21.9. Режекторный активный фильтр и его АЧХ
В обеих схемах эквивалентная добротность АФ будет определяться выбором величины Ко=1+R2/R1. Квазирезонансная частота определяется элементами 2Т-фильтра (рис.21.9).






