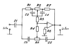
Объединив все пять вариантов включения RC-фильтров в одно устройство, получим универсальный широкораспространенный регулятор тембра, рис.21.12.

Рис. 21.12. Универсальный регулятор тембра
R2 - регулятор тембра на нижних частотах, a R5 - на верхних частотах. В среднем положении движков R2 и R5 влиянием емкостей можно пренебречь, следовательно реализуется вариант а.
В крайнем левом положении R2 замыкается С2 и цепь отрицательной обратной связи определяется элементами R1, C4 и R7: Z2=R7+1/jωC4, K(w)=-Z2/R1. С уменьшением ω увеличивается Z2, вследствие чего происходит подъем АЧХ K(w) на низких частотах. Таким образом, реализуется вариант д.
В положении движка R2 в крайнем правом замыкается C4 и цепь ООС определяется элементами R 1, C2 и R7 реализуется вариант г, где Z1=R1+1 / jωC2; K(w)=-R7/Z1. Следовательно, с уменьшением частоты Z1 возрастает, следовательно, уменьшается К(w).
В крайнем левом положении движка R5 К(w) в основном определяется С3: с увеличением частоты емкостное сопротивление Хс3 уменьшается, следовательно, K(w) увеличивается. В этом положении R5 реализуется вариант б.
В крайнем правом положении R5 К(w) определяется в основном C5.
С увеличением частоты уменьшается емкостное сопротивление С5, вследствие чего уменьшается K(w). Таким образом, реализуется вариант в.






