Проектирование эффективно работающей ХТС является одной из самых сложных задач. Решение этой задачи начинается с выбора критерия эффективности. Существование множества критериев оценки работы химического производства приводит к необходимости использования понятия «оптимальное функционирование ХТС».
Под оптимальным функционированием понимают такую работу химического производства, при которой достигается максимально возможное значение одного из показателей, выбранного нами за главный, при сохранении остальных показателей на определенном, заданном нами уровне.
Синтез ХТС – это выбор состава и структуры системы, то есть числа и типа элементов и способа их соединения. При этом создается математическая модель ХТС. Анализ ХТС – это расчет созданной математической модели. В процессе анализа различных вариантов ХТС по выбранному критерию эффективности производится выбор наиболее оптимальных состава и структуры системы, то есть ее оптимизация.
Формы представления ХТС (классификация моделей)
|
|
|
Состав и структуру ХТС можно описать с помощью качественных и математических моделей.

Математические модели дают количественное описание процесса. Их можно разделить на символические и графические модели. Символическая (аналитическая) модель – это математические уравнения или неравенства, описывающие процесс. Графические модели (графы, структурные блок-схемы, сетевые модели) соединяют наглядное графическое отображение системы с ее количественным описанием. Эти модели широко используются при решении задач оптимального проектирования с использованием компьютерной техники.
Остановимся более подробно на качественных моделях ХТС, описательных и графических. Описательная модель – это словесное описание процесса функционирования системы. В нем приводятся основные химические реакции, дается описание процессов, происходящих в аппаратах, приводятся сведения о составе сырья, значениях параметров технологического режима и т.д. Примером описательной модели ХТС является технологический регламент- основной закон и настольная книга инженера-технолога на химическом предприятии. В нем описано, как нужно проводить технологический процесс. Нарушение технологического регламента карается административным, а в некоторых случаях, и уголовным наказанием.
Графические качественные модели ХТС – это различные виды схем технологического процесса. Существует несколько разновидностей таких схем: функциональная (принципиальная), структурная, операторная, технологическая.
Функциональная схема дает общее представление о процессе функционирования ХТС и создается на первом этапе синтеза системы. По этой схеме можно определить, какие операции совершаются в производстве, и в какой последовательности. Элементом функциональной схемы является подсистема. На основе функциональной схемы составляют материальный баланс процесса. На рисунке 1 представлена функциональная схема производства аммиака.
|
|
|

Из схемы видно, что производство аммиака включает следующие стадии: подговку сырья, заключающуюся в сжатии азотоводородной смеси, ее охлаждении и отделении от сконденсировавшегося аммиака, синтеза аммиака и выделения продукта путем охлаждения и отделения непревращенной азотоводородной смеси от целевого продукта. Схема предусматривает рецикл азотоводородной смеси.
Операторная схема дает наглядное представление о физико-химической сущности технологических процессов системы, создается на промежуточном этапе проектирования. Для этого каждый элемент ХТС изображают в виде определенного типового технологического оператора. Каждый оператор имеет свое графическое изображение.

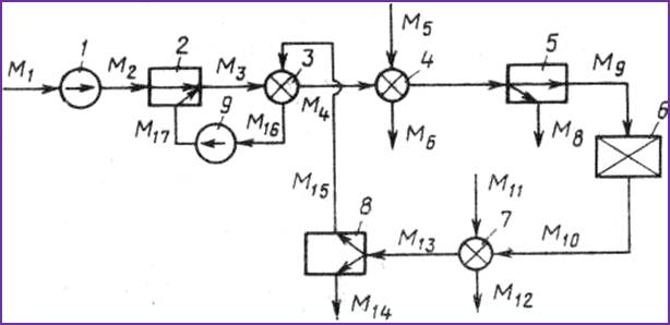
Операторная схема составляется на втором этапе синтеза технологической схемы, на которой осуществляется выбор технологических операторов. На рисунке 2 представлена операторная схема процесса получения аммиака.

1 – компрессор; 2- инжектор: 3 — теплообменник: 4 — аммиачный холодильник (испаритель жидкого аммиака): 5, 8 — сепараторы; 6 — колонна синтеза аммиака (реактор); 7 — водяной холодильник; 9 — циркуляционный компрессор; М1 — М17 — физические потоки
На ней показаны типовые технологические процессы, осуществляемые в производстве аммиака, и обозначены все материальные потоки.
Структурная схема, создаваемая на промежуточном этапе проектирования ХТС, позволяет составлять энергетический, эксергетический и тепловой баланс процесса. Схема дает изображение всех элементов ХТС в виде блоков, имеющих несколько входов и выходов, и показывает технологические связи между блоками. В отличие от операторной схемы, на структурной схеме показывают не только материальные, но и энергетические потоки. На рисунке 3 представлена структурная схема производства аммиака.

1 — компрессор; 2 — инжектор; 3 — теплообменник; 4 — испаритель жидкого аммиака; 5, 8 —сепараторы; 6 — колонна синтеза: 7 - водяной холодильник; 9 — циркуляционный компрессор; G1- G12 — потоки газа; L1- L5 - потоки жидкости
Технологическая схема дает наиболее полное представление о процессе. Она составляется на последнем этапе проектирования ХТС на основе операторной схемы.
На технологической схеме оператор заменяется на конкретный аппарат, выполняемый в виде эскиза в масштабе 1:100 или 1: 50.

1—компрессор; 2 — инжектор; 3 — теплообменник; 4 — испаритель жидкого аммиака; 5, 6 - сепараторы; 6 — колонна синтеза; 7 — водяной холодильник; 9 — циркуляционный компрессор
Технологическая схема сопровождается описанием. Описание производится по каждой подсистеме, начиная с поступления и подготовки сырья и кончая отгрузкой готового продукта с указанием технологических параметров процесса, характеристикой оборудования, систем регулирования и т.д. со ссылкой на чертеж технологической схемы. Технологическая схема совместно с описанием составляет основу технологического регламента.






