Частотный детектор с фазовым преобразованием
В этом случае структурная схема построения ЧД выглядит так:
|
В таких ЧД основой преобразователя является четырехполюсник (ЧП) с линейной фазовой частотной характеристикой (ФЧХ). Такой ФЧХ обладает обычная линия задержки (ЛЗ).
Передаточная функция идеальной ЛЗ записывается в виде:
.
;
;
;
;
@
Þ
@
.
|
Таким образом, разность фаз Dj(t) между входным и выходным напряжениями линии задержки пропорциональна закону изменения частотной модуляции.
В результате структурная схема ЧД с фазовым преобразованием ЧМ сигнала будет выглядеть следующим образом:

|
Вместо ЛЗ можно взять резонансный усилитель (РУ), который имеет ФЧХ, близкую по параметрам к передаточной функции ЛЗ:
j(w) = - arctgx;
,
где dэкв – эквивалентное затухание.
В результате такой ЧД, также как и ЧД с амплитудным преобразованием ЧМ сигнала можно построить по однотактной и балансной схеме.
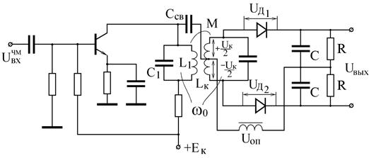
На практике чаще применяется балансная схема ЧД:

В этой схеме для преобразования ЧМ сигнала в ФМ сигнал применяется резонансный усилитель с нагрузкой в виде двух связанных колебательных контуров. На последнем колебательном контуре осуществляется операция фазового детектирования с использованием двух амплитудных детекторов. В качестве опорного напряжения используется напряжение, выделяющееся на дросселе:
|
|
|
,
.
Для устранения паразитной АМ каскад РУ должен работать в режиме ограничения амплитуды.
Результирующая детекторная характеристика данного ЧД выглядит следующим образом:
|
;
U=
,
где: Kd - коэффициент передачи АД;
К0 - коэффициент усиления резонансного усилителя на резонансной частоте;
y(x) - нормированная детекторная характеристика, которая зависит от обобщенной расстройки x.
Недостатком ЧД как с амплитудным, так и с фазовым преобразованием ЧМ сигнала является зависимость выходного напряжения от амплитуды входного сигнала.
Для устранения этого недостатка используются два способа:
1) Входной каскад ЧД ставят в режим ограничения амплитуды; однако, здесь с ростом частоты, во-первых, уменьшается коэффициент усиления и, во-вторых, возрастают инерционные свойства такого усилителя;
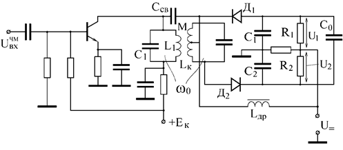
2) Используется схема ЧД с внутренним ограничением амплитуды (дробный ЧД).
Рассмотрим схему дробного ЧД:
|
В этой схеме диоды включены «навстречу» и входной сигнал снимается со средней точки относительно «земли». Здесь величина С0 выбирается такой большой, что tзар = С0(R1+R2) >> 1 Þ U1+U2 @ const.
Для этой схемы выходное напряжение: U = 
Следовательно, при большой С0 выходное напряжение пропорционально U1 / U2 Þ U@ const и мало зависит от изменений амплитуды входного сигнала.
|
|
|
Достоинства: хорошее подавление паразитной АМ.
Недостатки: надо иметь большую С0 и входное сопротивление будет изменяться от колебаний амплитуды входного сигнала (от U1 и U2).






