| Поз. ЭП | Р н,кВт | k с | Р max, кВт | cosφ | S max, кВ∙А | tgφ | Q max, квар | Характер нагрузки |
| 0,50 | 35,00 | 0,65 | 53,85 | 1,169 | 40,9 | Инд. | ||
| 0,35 | 70,00 | 0,50 | 140,00 | 1,732 | 121,24 | То же | ||
| 0,70 | 1050,0 | 0,80 | 1312,5 | 0,75 | 787,5 | " | ||
| 0,30 | 75,00 | 0,65 | 115,38 | 1,169 | 87,68 | " | ||
| 0,70 | 245,0 | 0,80 | 306,25 | 0,75 | 183,75 | " | ||
| 0,80 | 200,0 | 0,95 | 210,53 | 0,329 | 65,74 | " | ||
| 0,50 | 250,0 | 0,55 | 454,54 | 1,518 | 379,62 | " | ||
| 0,35 | 43,75 | 0,50 | 87,50 | 1,732 | 75,77 | " | ||
| 0,50 | 5,00 | 0,85 | 5,88 | 0,6197 | 3,09 | " | ||
Сумма
| 1973,75 | 2686,43 | 1745,29 | Инд. |
Примечание. Расчет величин Р max, S max, Q max выполнен по соотношениям (5.3)
5. Коэффициент мощности объекта в искусственных условиях компенсации реактивной энергии:

6. Расчетная мощность ТП с учетом коэффициента собственных нужд k сн =
= 1,0–1,04,коэффициента расширения объекта k р = 1,2–1,4и соотношения (5.12), кВ∙А:
.
7. Номинальная мощность трансформаторов, работающих с перегрузкой в 30%, кВ∙А:
,
тогда число перегруженных трансформаторов типа ТМ-750/10 при номинальной мощности S H=750 кВ∙А:
S TH/ S H = 2280/750 = 3,04 ≈ 3.
8. Установленная мощность ПТП для искусственных условий и электроустановок II категории заданного объекта, кВ∙А:

9. Сечение жил кабеля, соединяющего трансформатор с РУ НН0,525 кВ, можно определить по линейному рабочему току вторичной обмотки перегруженного трансформатора ТМ-750/10, А:

если воспользоваться справочными данными,где приведены длительно допустимые расчетные нагрузки I допсиловых кабелей. Из условия I р ≤ I допследует, что сечение одножильного кабеля напряжением 1 кВ при рабочем токе 1072 А должно быть 625 мм2.
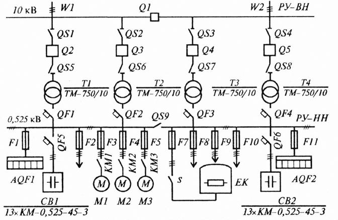
10. Выбранное электрооборудование можно представить принципиальной электрической схемой в однолинейном исполнении (рис. 5.10). Электрическая энергия от высоковольтных линий передачи 10 кВ W 1и W 2подается на РУ ВНиз двух секций шин, соединенных автоматическим выключателем нагрузки Q 1. От них через высоковольтные разъединители QS 1 –QS 4и выключатели Q 2 –Q 5она может поступать на трансформаторы Т 1 –Т 4типа ТМ-750/10.
Энергия напряжением 525 В через автоматические выключатели QF 1 –QF 4передается на секции шин РУ НН, соединенных разъединителем QS 9. От РУ-ННэлектроэнергия распределяется по промышленным приемникам: через предохранители плавкие F 3 –F 5,магнитные пускатели КМ1 – КМЗэлектродвигательным устройствам М 1 –М З,через предохранители F 1и F 11шкафам из нескольких панелей AQF 1и AQF 2для электроосветительных установок и отдельных приемников малой мощности, через предохранитель F 7и рубильник S электронагревательной печи сопротивления ЕK,через предохранители F 2, F 8 –F 10остальным потребителям. Компенсатор реактивной мощности выполнен в виде двух силовых батарей СВ1и СВ2по 13 конденсаторов типа КМ-0,525-45-3, которые подключены к секциям РУ ННчерез автоматические выключатели QF 5и QF 6.

Принципиальная электрическая схема ПТП
Выход любого трансформатора из строя или его вывод на плановый ремонт не приведет к перерыву электроснабжения объекта, так как три оставшихся с перегрузкой в 30% позволят иметь нагрузку на шинах РУ НН 1,3 ∙ 750 ∙ 3 = 2925кВ∙А в течение 6 ч.






