ПОНЯТИЯ ОБ УЧЕТЕ И НОРМИРОВАНИИ ЭЛЕКТРОЭНЕРГИИ
Учет электроэнергии разделяется на два вида: коммерческий, который предназначен для денежного расчета за электроэнергию, потребленную предприятием, и технический (контрольный), предназначенный для внутреннего контроля с целью выявления картины физического процесса преобразования энергии потребителем. Он осуществляется счетчиками активной и реактивной энергии. Счетчики коммерческого учета называются расчетными,а счетчики технического учета – контрольными.
Все счетчики подлежат обязательной государственной поверке и клеймению органами Госстандарта, а также периодическим поверкам на месте установки. Счетчики для потребителей номинальной мощности свыше 5 кВт поверяются один раз в два года, а для мощности до 5 кВт (в том числе и бытовые) – один раз в пять лет; периодически на месте установки соответственно не менее одного раза в год и не менее трех раз за пять лет.
Расчетные счетчики, как правило, устанавливаются на стороне высшего напряжения, например (рис.) на РУ ВН, а контрольные – РУ НН. Для силовых потребителей и осветительных электроустановок должен быть предусмотрен раздельный учет. Общий учет энергии допускается в случае, когда установленная мощность электродвигателей не превышает 5 кВт.
|
|
|
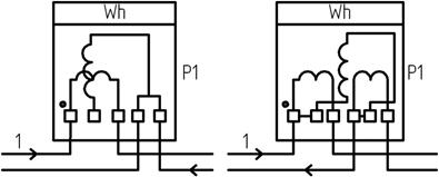
Учет электроэнергии бытовых потребителей осуществляется однофазными бытовыми счетчиками активной энергии типа СОи типа Миндукционной системы, которые включаются в питающую сеть перед потребителем соответственно по схемам (рис. а и б).

. Схема подключения счетчиков активной энергии СО и М
Для учета энергии в трехпроводных сетях используется электрический счетчик трехфазной индукционной системы типа ИТ(рис. а), в четырехпроводных сетях – электросчетчик типа ТЧ(рис. б), а для учета реактивной энергии в трех- и четырехпроводных сетях трехфазного тока – электросчетчики типа ИТР(рис.).

Схема подключения счетчиков активной энергии типа ИТ и ТЧ

Схема подключения счетчиков реактивной энергии
На схемах рисунков токовые обмотки обозначены двумя полуокружностями, а обмотки напряжения – тремя.






