Основные схемы соединения трёхфазных цепей
Существуют различные способы соединения обмоток генератора с нагрузкой, но в целях экономии обмотки трёхфазного генератора соединяют в звезду или в треугольник.
При соединении в звезду концы обмоток генератора объединяются в одну точку О, которая называется нулевой, или нейтральной.

Ниже приведены схемы соединения трёхфазного генератора с трёхфазной нагрузкой по схеме звезда: звезда с нулевым проводом (рис.5.5); звезда без нулевого провода (рис. 5.6).
·
![]() | ![]() | ||
Точку, в которой объединяют три конца трёхфазной нагрузки при соединении её звездой, называют нулевой точкой нагрузки и обозначают О’.
· Провода, соединяющие точки А, В, С генератора с точками а,b,с нагрузки, называют линейными.
· Нулевым проводом называют провод, соединяющий нулевые точки генератора и нагрузки
Линейными токами Iл называют токи текущего линейным проводам (их обозначают
,
,
)
· Фазным напряжением Uф называют напряжение между началом и концом фазы или между линейным и нулевым проводом (их обозначают). 
|
|
|
· Линейным напряжением UЛ называют напряжение между двумя линейными проводами (их обозначают
).
· Фазные и линейные напряжения связаны между собой выражениями
.

В симметричной системе фазных напряжений система линейных
напряжений тоже симметрична:
равны по величине
и сдвинуты относительно друг друга на 1200
Действующее значение линейных напряжений легко определяется по векторной диаграмме) из треугольника, например АОВ:
.
Таким образом, получим общее соотношение между линейными и фазными напряжениями в симметричной системе
.
При соединении звездой в точках перехода из генератора в линию и из линии в нагрузку нет разветвлений, поэтому фазные и линейные токи одинаковы между собой в каждой фазе:
.
Соотношения
,
справедливы только в звезде.
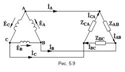
При соединении обмоток генератора треугольником конец первой обмотки генератора соединяют с началом второй, конец второй с началом третьей, конец третьей- с началом первой. (рис. 5.8)
Геометрическая сумма Э.Д.С. в замкнутом треугольнике равна нулю, в отличие от соединения звездой, где в большинстве случаев применяется четырёхпроводная система, здесь используется три провода.
Соотношения между фазными и линейными токами легко можно определить, если для каждой узловой точки применить первый закон Кирхгофа:
;
При симметричной нагрузке токи во всех фазах одинаковы: линейные токи сдвинуты относительно фазных токов на 900
![]() | ![]() | ||
Действующее значение линейных токов определяется по векторной диаграмме из треугольника, например АОС:
|
|
|
.
Таким образом, получим общее соотношение между линейными и фазными токами

. Из схемы видно, что фазные и линейные напряжения совпадают:
.
Соотношения
;
справедливы только для треугольника.
Вопросы для самоконтроля
- Схема соединения Ү-Ү
· Схема соединения Ү-∆
· Соотношение фазных и линейных токов в Ү
· Соотношение фазных и линейных токов в ∆
· Назначение нулевого провода
Лекция №28,29
Методы расчета трёхфазных цепей
Трёхфазные цепи являются разновидностью цепей синусоидального тока и поэтому расчёт их проводят теми же методами, что и для синусоидального тока.
Аналитический расчёт трёхфазных цепей рекомендуется сопровождать построением векторных диаграмм, что облегчит нахождение углов между токами и напряжениями, поможет найти ошибки при расчёте.










