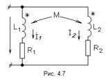
Две катушки с сопротивлениями R1 и R2, индуктивностями L1 и L 2 и взаимной индуктивностью М соединены параллельно, причем одноимённые выводы присоединены к одному и тому же узлу
![]() |
При выбранных положительных направлениях токов и напряжения получаем следующие выражения:
;
; где 
;
В этих уравнениях комплексные напряжения
и
взяты со знаком плюс, так как положительные направления этих напряжений (выбранные сверху вниз) и тех токов, от которых эти напряжения зависят, ориентированы относительно одноименных выводов одинаково. Решив уравнения, получим
;
;
.
Откуда следует, что входное комплексное сопротивление рассматриваемой цепи
.
Рассмотрим теперь включение, при котором одноименные выводы присоединены к разным узлам, т. е. L1 и L2 присоединены к узлу разноименными выводами. В этом случае положительные направления напряжений взаимной индукции (выбранные сверху вниз) и тех токов, от которых они зависят, ориентированы относительно одноименных выводов неодинаково и комплексные напряжения
и
войдут в уравнения и со знаком минус. Для токов
получатся выражения, аналогичные, с тем отличием, что ZМ заменяется на - ZМ и входное сопротивление цепи
.
Лекция№24







