Б1.5. Указательное реле РУ-21
Реле РУ21 применяется в качестве указателя действия в цепях постоянного тока схем защиты и автоматики.
Общий вид реле приведен на рис. Б9.
Реле выполняются для цепей напряжения (табл. Б9) и тока (табл. Б10). Реле выпускаются с двумя замыкающими контактами. Возможна перестановка контактных мостиков.
Потребляемая мощность токовых реле не более 0,25 Вт, а реле напряжения ― 1,75 Вт (при номинальном напряжении 220 В ― не более 2,75 Вт).
Масса реле 0,55 кг.
Таблица Б9
Исполнения указательных реле напряжения
| Тип реле | Напряжение номинальное UНОМ,В | Напряжение срабатывания UCP,B | Длительно допустимое напряжение UДЛИТ, В |
| РУ21/220 | |||
| РУ21/110 | |||
| РУ21/48 | |||
| РУ21/24 | 17,5 | 26,5 |
Таблица Б10
Исполнения указательных реле тока
| Тип реле | Номинальный ток, А | Длительный ток, А |
| РУ21/0,006 | 0,006 | 0,018 |
| РУ21/0,01 | 0,01 | 0,03 |
| РУ21/0,016 | 0,016 | 0,048 |
| РУ21/0,025 | 0,025 | 0,075 |
| РУ21/0,05 | 0,05 | 0,15 |
| РУ21/0,06 | 0,06 | 0,18 |
| РУ21/0,08 | 0,08 | 0,24 |
| РУ21/0,1 | 0,1 | 0,3 |
| РУ21/0,16 | 0,16 | 0,48 |
| РУ21/0,25 | 0,25 | 0,75 |
| РУ21/0,4 | 0,4 | 1,2 |
| РУ21/0,5 | 0,5 | 1,5 |
| РУ21/1 | ||
| РУ21/2 | ||
| РУ21/2,5 | 2,5 | 7,5 |
| РУ21/4 |
Реле времени серии РВ-100 применяются в схемах релейной защиты и противоаварийной автоматики на оперативном постоянном токе для создания регулируемой с заданной точностью выдержки времени при срабатывании и обеспечения определенной последовательности работы элементов схемы.
|
|
|
Реле имеют исполнение на 24, 48, 110 и 220 В. Сопротивление обмоток составляет соответственно 20, 80, 450 и 1750 Ом. Технические данные реле приведены в табл. Б11.
Реле имеет стальной цилиндрический якорь, перемещающийся в латунной гильзе. Для исключения залипания якоря в притянутом положении на нижнем конце якоря предусмотрена бронзовая шайба. На верхнем конце якоря укреплен рычаг с пластмассовым толкателем, воздействующим на мгновенные контакты.
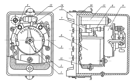
Общий вид реле РВ-100 приведен на рис. Б10.

Рисунок Б10. Общий вид реле РВ-100: 1 ― мостик подвижного контакта; 2 ― траверса; 3 ― колодка неподвижного основного контакта; 4 ― колодка неподвижного временно замыкающего контакта; 5 ― цоколь; 6 ― обмотка; 7 ― якорь; 8 ― заводной рычаг часового механизма; 9 ―часовой механизм; 10 ― кожух; 11 ― магнитопровод; 12 ― добавочный резистор; 13 ― конденсатор; 14 ― толкатель контактов мгновенного действия
Пуск реле РВ100 производится подачей напряжения на его обмотку. При этом якорь втягивается, сжимая возвратную пружину, приводит в движение мгновенно действующие контакты и освобождает заводной рычаг часового механизма. Часовой механизм приводит в движение траверсу с подвижными контактами, которые по истечении заданной выдержки времени замыкают неподвижные контакты. Возврат якоря реле при снятии напряжения происходит мгновенно под действием возвратной пружины.
|
|
|
Реле времени серии РВ-200 применяются в схемах релейной защиты и противоаварийной автоматики на переменном оперативном токе для создания регулируемой с заданной точностью выдержки времени при срабатывании и обеспечения определенной последовательности работы элементов схемы. Реле этой серии имеют исполнение на 100, 127, 220 и 380 В. Магнитопровод состоит из пластин электротехнической стали, скрепленных заклепками.
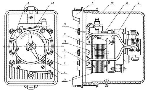
Общий вид реле РВ-200 приведен на рис. Б11.

Рисунок Б11. Общий вид реле РВ-100: 1 ― мостик неподвижного контакта; 2 ― траверса; 3 ― колодка неподвижного временно замыкающего контакта; 4 ― колодка неподвижного основного контакта; 5 ― цоколь; 6 ― обмотка; 7 ― якорь; 8 ― заводной рычаг часового механизма; 9 ― часовой механизм; 10 ― кожух; 11 ― магнитопровод; 12 ― стягивающая рамка; 13 ― короткозамкнутый виток; 14 ― толкатель контактов мгновенного действия.
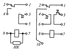
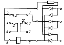
Схемы реле времени серии РВ-100, РВ-200 приведены на рис. Б12.


а б в г


д е ж
Рисунок Б12. Схемы реле: а) РВ-112…РВ-142 на 24, 48 В и РВ-218…РВ-248; б) РВ-112…РВ-142 на 110, 220 В; в) РВ-113…РВ143; г) РВ-114…РВ-144 на 24, 48 В и РВ‑217...РВ‑247; д) РВ-114…РВ-144 на 110, 220 В и РВ-215…РВ-245;
е) РВ-215…РВ-245; ж) РВ-215К…РВ-245К; ИК – искрогасительный контур
Таблица Б11
Технические данные реле времени
| Тип реле | Диапазон уставок, с | Контакты | Термическая стойкость при 1,1UНОМ | |
| с выдержкой времени | мгновенного действия | |||
| РВ112 РВ122 РВ132 РВ142 | 0,1…1,3 0,25…3,5 0,5…9,0 1,0…20 | Основной и временно замыкающий | Переключающий | Не более 2 мин |
| РВ113 РВ123 РВ133 РВ143 | 0,1…1,3 0,25…3,5 0,5…9,0 1,0…20 | Основной | Замыкающий | Длительная |
| РВ114 РВ124 РВ134 РВ144 | 0,1…1,3 0,25…3,5 0,5…9,0 1,0…20 | Основной | Переключающий | Не более 2 мин |
| РВ215 РВ225 РВ235 РВ245 | 0,1…1,3 0,25…3,5 0,5…9,0 1,0…20 | Основной и временно замыкающий | Переключающий | Длительная |
| РВ215К РВ225К РВ235К РВ245К | 0,1…1,3 0,25…3,5 0,5…9,0 1,0…20 | Основной и временно замыкающий | Длительная | |
| РВ217 РВ227 РВ237 РВ247 | 0,1…1,3 0,25…3,5 0,5…9,0 1,0…20 | Основной | Переключающий | Длительная |
| РВ218 РВ228 РВ238 РВ248 | 0,1…1,3 0,25…3,5 0,5…9,0 1,0…20 | Основной и временно замыкающий | Переключающий | Длительная |

