|
|
|
Задача 4.3. На торцовой поверхности валов, устанавливаемых в призму, сверлят два отверстия (рис. 4.8). Проверить расчетом, при каком расположении кондукторных втулок относительно призмы разность размеров Н1 и H2 минимальна. Диаметр вала ø80+0'15 мм, угол призмы α = 90°. Рис. 4.8. Схема установки кондукторных втулок относительно призмы
Задача 4.4. В торце валов, обработанных в размер ø65_о,2 мм> требуется просверлить отверстие 012,0 мм. Положение оси отверстия определяется размером Я, заданным от образующей цилиндрической поверхности вала. При проектировании приспособления возможны три варианта расположения втулок в кондукторной плите относительно призмы, в которую устанавливается вал (рис. 4.9). Определить, при каком положении кондукторной втулки обеспечивается наименьшая погрешность базирования для размера Я. Угол призмы α = 90°.
|

Рис. 4.9. Схема установки кондукторных втулок при сверлении отверстия в торце вала (к задаче 4.4): 1, 2, 3 — варианты расположения втулок
|
|
|
Задача 4.6. Для фрезерования паза заготовку устанавливают в центрирующую втулку (рис. 4.11). Вывести расчетные зависимости для определения погрешности базирования для размеров А\, А2, аз, /44 и А^ при заданной точности размеров заготовки ТУ, А, с! и центрирующей втулки О.

Рис. 4.11. Схема установки заготовки при фрезеровании паза
Задача 4.7. На вертикально-фрезерном станке концевой фрезой обрабатывают ступенчатую поверхность крышек, устанавливаемых в центрирующую втулку (рис. 4.12). Вывести расчетные зависимости для определения погрешности базирования для размеров А\,А2иА3 при заданной точности размеров заготовки (1, (1{ и центрирующей втулки О.

Рис. 4.12. Схема установки заготовки при фрезеровании (к задаче 4.7)
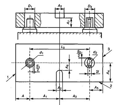
Задача 4.9. При установке заготовок на плоскость и два отверстия обрабатывают поверхности /, 2, Ли паз, выдерживая размеры А, А\, А2, А3, Л4, А5, А6 и А1 (рис. 4.14). Требуется:
а) определить погрешность базирования для указанных размеров, если известно, что базовые отверстия заготовок Д и П2 выполнены с допуском 7д, = Т^ = 0,013 мм, установочные пальцы (1\ и с/2 — с допуском 7^, = Т1^ = 0,009 мм, а минимальный зазор в сопряжении базовых отверстий с установочными пальцами •^тш = Фтт = 0,007 мм. Размер между осями базовых отверстий 1о = 150 ± 0,05 мм; А = А5 = 30+0-15 мм;
б) определить, возможна ли обработка поверхностей 1 и 3 одновременно набором фрез, если точность принятого метода обработки ю= 0,1 мм.

Рис. 4.14. Схема установки заготовки
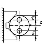
Задача 4.12. На горизонтально-протяжном станке обрабатывают шпоночный паз (рис. 4. 17). Требуется вывести расчетные зависимости и определить погрешность базирования при выполнении размеров А и В, а также найти отклонение от перпендикулярности оси шпоночного паза относительно оси отверстий D1 и D2, если известно, что диаметры базовых отверстий выполнены с допусками TD1 = ТD2 = 0,025 мм, а установочных пальцев — Td1 = Td2 = 0,011 мм; минимальный зазор в сопряжении базовых отверстий рычага с установочными пальцами приспособления S1min = S2min= 0,009 мм; межосевое расстояние Lo = 200+0,3 мм.
|
|
|

Рис. 4. 17. Схема обработки шпоночного паза (к задачам 4.12 и 4.40)






