
Имеем инверсию от инверсии дизъюнкции, т.е. сначала ИЛИ-НЕ, потом НЕ. Для реализации необходимы два элемента ИЛИ-НЕ (Рисунок 1.8).
Рассмотрим реализацию основных операций алгебры логики на наборе И-НЕ.
Операция НЕ. В элементе И-НЕ задействуется только один вход, тогда элемент работает как инвертор (Рисунок 1.9). Используется один элемент И-НЕ.
Операция И. Воспользуемся приемом двойной инверсии.
Имеем инверсию от инверсии конъюнкции, т.е. сначала И-НЕ, потом НЕ. Для реализации требуется 2 элемента И-НЕ (Рисунок 1.10).

Операция ИЛИ.
Имеем инверсию от конъюнкции инверсий, т.е. сначала два раза НЕ, а затем И-НЕ (Рисунок 1.11).
Аналогичным образом получаем реализацию основных операций алгебры логики для остальных функционально полных наборов (Рисунок 1.12).
“НЕ” | |
“ИЛИ” | |
“И” | |
В случае большого числа переменных соответственно увеличивается количество входов или входных инверторов.
Классическая методика построения функциональной схемы ДУ по логической функции, которую оно реализует, заключается в следующем:
= по известной логической функции построить структурную схему ДУ в основных операциях алгебры логики (И, ИЛИ, НЕ);
= выбрать функционально полный набор БЛЭ для реализации ДУ;
= перейти от структурной схемы к функциональной с учетом правил реализации основных операций на выбранном наборе элементов;
= произвести упрощения схемы.
Упрощения производятся, как правило, за счет исключения из схемы двух последовательно стоящих инверторов.
Рассмотрим примеры построения функциональной схемы БДУ на наборах И-НЕ, ИЛИ-НЕ.
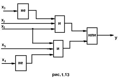
Пример 1.5 Даны условия работы ДУ в виде логической функции:
.
Построить функциональную схему.
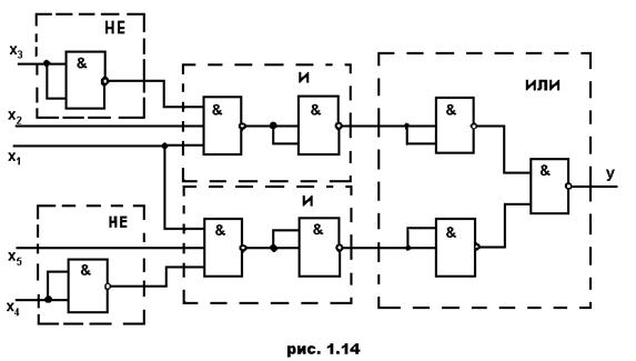
Строим структурную схему ДУ (Рисунок 1.13), затем по правилам реализации операций (Рисунок 1.12) - функциональную схему ДУ на элементах И-НЕ (Рисунок 1.14).
Последовательно соединенные два инвертора компенсируют друг друга и могут быть из схемы исключены. После упрощения получаем окончательную функциональную схему (Рисунок 1.15), состоящую из 5 элементов И-НЕ.

Теперь построим для этого же примера функциональную схему на элементах ИЛИ-НЕ. Используем ту же структурную схему (Рисунок 1.13). Получаем схему (Рисунок 1.16), содержащую 12 элементов ИЛИ-НЕ.
Путем исключения последовательных инверторов и объединения сигнала
, схема сокращается на 5 элементов и остается 7 элементов ИЛИ-НЕ (Рисунок 1.17).


Изложенная методика построения функциональной схемы ДУ является универсальной, т.е. всегда лает правильное решение - работоспособную схему, но, как правило, слишком громоздкую.
В инженерной практике обычно, обладая известным навыком преобразования логических функций, выполняют этап преобразования исходного аналитического выражения (условия работы ДУ, полученные в результате абстрактного синтеза) к виду, удобному для реализации на выбранном наборе БЛЭ.
В результате этого этапа исходная функция записывается сразу в операторах И-НЕ для реализации на сериях интегральных элементов с базовым элементом И-НЕ, либо в операторах ИЛИ-НЕ для реализации на сериях БЛЭ “Логика”, “Логика-Т” и т.д. с базовым элементом ИЛИ-НЕ.
Для преобразования функции, как правило, пользуются универсальным приемом двойного инверсирования.
Двойное инверсирование функции, записанной в ДНФ, дает форму операторов И-НЕ, а двойное инверсирование функции, записанной в КНФ, дает форму операторов ИЛИ-НЕ.
Таким образом, если для построения ДА принят набор И-НЕ, то исходную функцию (условия работы ДА), полученную в результате абстрактного синтеза, следует преобразовать в ДНФ, а если принят набор ИЛИ-НЕ, то исходную функцию следует преобразовать в КНФ.
Пример 1.6 Построить функциональную схему БДУ на наборе ИЛИ-НЕ в соответствии с условиями работы
Условия работы (исходная функция) уже написаны в КНФ. Применяем прием двойного инверсирования: 
Получили выражение, записанное в операторах ИЛИ-НЕ. Функциональная схема ДУ, построенная по данному выражению, изображена на рисунок 1.18.


Если нужно построить эту функцию на наборе И-НЕ, то исходную функцию следует привести к ДНФ, а затем использовать прием двойной инверсии. Однако эту функцию можно упростить по правилу: если ЛФ записана в ДНФ (КНФ), а нужно ее реализовать на наборе ИЛИ-НЕ (И-НЕ), то прием двойного инверсирования применяют дважды - сначала над каждым членом исходной функции, затем над самой функцией. Построим ЛФ
на наборе И-НЕ:

Схема приведена на рисунке 1.19 (считаем, что инверсные сигналы уже получены).



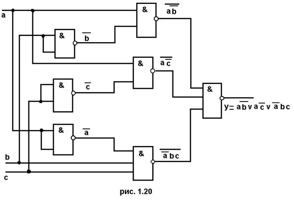
Пример 1.7 Построить функциональную схему БДУ на наборе И-НЕ в соответствии с условиями работы
. Условия работы (исходная функция) уже записаны в ДНФ. Применяем прием двойного инверсирования:
.
Получили выражение, записанное сразу в операторах И-НЕ. Очевидно, что функциональная схема ДУ имеет вид, изображенный на рисунке 1.20.






Попробуем еще преобразовать исходное выражение в направлении уменьшения числа операций ИЛИ (так как базовый элемент принят И-НЕ):
.
Полученное выражение также записано в операторах И-НЕ. Функциональная схема его представлена на рисунке 1.21.
Заметим, что в подобных случаях функциональные схемы удобно строить “с конца” аналитического выражения.
Сравнивая рисунки 1.20 и 1.21, видим, что достигнута экономия в два элемента И-НЕ.
В случае синтеза многовыходных ДА без памяти следует после получения минимизированных выражений для нахождения сигналов на каждом выходе провести преобразования системы уравнений с целью объединения одинаковых групп членов, членов или их частей в разных уравнениях, а после этого строить функциональную схему ДА.
Следующий этап - физический синтез. Он имеет своей целью переход от функциональной схемы структуры проектируемого ДУ к принципиальной электрической схеме. На этом этапе выбираются типы бесконтактных элементов, обеспечиваются дополнительные требования: надежность, технологичность, удобство контроля и т.д.